Ayuda arreglo Marshall lead 12

Roberto
por el 14/02/2018
es que los potenciómetros ya me estoy viendo que me voy a dejar 50€ para que siga jodido :muro2: jej


#118
eso que comentas creo que esta fuera de mi nivel porque no entiendo nada , me suena todo a chino.


puto amplificador
!
1 respuesta directa
OFERTAS EN TIENDAS Ver todas
  • -11%
    Ibanez AE340FMH-MHS
    745 €
    Ver oferta
  • -11%
    Ibanez RGR6BSP-IPT
    1.333 €
    Ver oferta
  • -59%
    Hughes & Kettner Spirit AmpMan Classic
    145 €
    Ver oferta
SEGUNDA MANO EN MERCASONIC Ver todo
  • Guitarra clásica española Francisco Bros — B70 Edición Limitada Chocolate
    650 €
    Ver
  • Flexton II line6
    175 €
    Ver
  • Fender Stratocaster Standard MIJ 'Surf Green'
    1.250 €
    Ver
¿Tienes equipo que ya no usas? Véndelo en Mercasonic
Tonyguitar
por el 14/02/2018
Cuando tenga un rato te lo dibujo, no es dificil, se trata de meter señal por la base de cada transistor y la entrada de cada operacional, asi tu vas viendo como suena cada etapa del ampli y, habra un punto que suene mal, ese punto seria el problema, escuchandolo por el altavoz del ampli, eso es lo que habia que haber hecho de primera hora.
bocasucia
por el 14/02/2018
Roberto escribió:
es que los potenciómetros ya me estoy viendo que me voy a dejar 50€ para que siga jodido


Hombre, no se lo que pueden costar los potenciómetros en Cetronic, compra los más baratos y vas descartando, no creo que lleguen a 1 Merkel cada uno. Además supongo que algunos de los del Marshall tendrán el mismo valor, no tendrías que comprar todos.
Tonyguitar
por el 14/02/2018
Yo soy muy pesado lo se, siempre repito lo mismo, pero esto ya se ha convertido en un misterio que nos tiene a todos intrigados y, nuestro amigo Roberto tiene que tener los huevos super hinchados, yo creo que cuando ve el amplificador debe darle ganas de estrellarlo contra la pared.
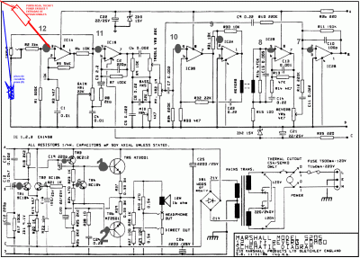
Cabezon soy un rato, me he encontrado con cosas parecidas y hasta que no doy con la tecla no paro, insisto en que soy pesado, guitarra con un booster enchufado, a la salida del booster un cable con dos puntas de prueba, la punta negra con una pinza de cocodrilo conectada a masa y, la otra punta una roja de prueba, guitarra en mano con un colega tocando o le metes un reproductor de mp3 directamente con una guitarra grabada en limpio, (digo una guitarra grabada por que es lo mas parecido a estar tocando directamente o invitar a un amigo a fumar unos petas y le pones dos o tres cervezas, el tio se pone agusto a tocar y tu mientras vas con la punta roja segun ves el esquema de derecha (zona transistores de potencia) a izquierda,

pinchas en la base de los transistores para inyectar señal de guitarra, esto es facil de entender, la otra punta en cocodrilo a masa en todo momento con el cable coaxial conectado ahi, cuando empieces en esa zona te vas a encontrar que el booster tienes que subirlo de volumen para poder oir la guitarra, bueno, tu vas jugando con el volumen desde cero y vas subiendo segun te lo pida el transistor ese: ¿suena bien? ¿no hay sonido feo ni se aprecia nada raro?, vale, te vas al siguiente, haces lo mismo, y asi vas tirando para la izquierda hasta que al final llegas a los 3 operacionales, aqui, tienes que imagiarte que cada operacional son dos transistores unidos,
imaginate que, aqui en los operacionales al ser dos transistores tienes base de un transistor y base del otro, aqui tienes que pinchar la punta roja en las patas numero.

Yo creo que con el dibujo que te hice y un tio como tu que tonto no eres, no tienes ningun problema para arreglar esto, si quieres incluso puedes intercalar entre la salida del booster y la punta de prueba roja un condensador de 22nf o 47nf en serie con la puta roja para evitar que pueda circular una descarga al booster y pudiera jodertelo en caso de que te equivoques y pinches con la punta roja de prueba en un sitio equivocado, eso te protegera.

Quien dice usar un booster dice un pedal ecualizador que no deja de ser un booster, un overdrive alomejor tambien te podria servir, pero al distorsionar un poco quizas te despistaria un poco.

He visto hoy fijandome bien en el esquema que a salida de auriculares va despues de los transistores de potencia, lo cual indica que estos podrian estar fallando perfectamente, no me extrañaria nada!!, si tu pinchas en la base de estos dos transistores y te suena mal, estas descartando todo lo anterior, pues no tienes a lo de detras nada conectado, cada vez que tu pinches señal de guitarra por la entrada de un transistor o operacional estara la señal de audio recorriendo desde el punto que tu inyectas hasta la etapa de potencia y todo lo anterior estara en reposo, ya sabes, al descarte, no se me ocurre otra alternativa, aqui todas las opiniones considero que son buenas, pero yo me he empestillao en esto y de aqui no salgo, no quiero marearte, ni que des palos a ciegas ni nada de eso, quiero que lo arregles, has cambiao los operacionales y los transistores, tienes el sonido feo por los auriculares y el altavoz tambien, todo eso va despues de los mj3001, asi que, un inyector de señal es lo que yo haria, mas facil que todo lo que has hecho antes, seguro que si.

Un pedal booster, un pedal ecualizador o, incluso un reproductor de mp3, si te das cuenta te digo cosas que amplifican, pues al entrar en la base de los transistores en las etapas finales llegando a los transistores de potencia necesitaras inyectar la señal medianamente preamplificada, y cuando yo hablo de preamplificador me refiero a un booster, un pedal ecualizador, o un reproductor de mp3.


Vuelvo a insistir, condensador en serie con la punta roja para proteger el inyector que estes usando para meter sonido en las etapas, espero no haberme equivocado en lo que te estoy diciendo, pero a estas alturas creo que es lo correcto.


Con los MJ3001 tendrias que estar muy seguro de que te falla alguno de los dos que tienes, estos no son baratos, minimo te van a meter 5 euros por cambiar uno, a no ser que encontraras algun equivalente con mismo patillaje que sea mas barato, eso ya habria que investigarlo.

http://www.retroamplis.com/WebRoot/StoreES2/Shops/62070367/MediaGallery/Datasheets/MJ3001.pdf
Archivos adjuntos ( para descargar)
mj3001-pinout.jpg
puta.jpg
1 respuesta directa
Tonyguitar
por el 14/02/2018
yo nunca los he medido, pero podria ser interesante revisar este video para ver un poco mas sobre este tipo de transistores:

Miralo por el lado bueno, con esto estamos aprendiendo.
1 respuesta directa
Roberto
por el 14/02/2018
#124

No tengo booster.
Pero igual me podría hacer uno...

Cuando tenga una tarde ociosa miro de hacer lo que explicas.
Roberto
por el 14/02/2018
#125

De esos saqué uno para probar y medirlo y según el video ese me daba correcto.
Tonyguitar
por el 14/02/2018
si, te entiendo, pero quizas te da correcto y no funciona correctamente, creo que eso podria pasar, que funcione, te de buenas las medidas y luego una vez en pleno funcionamiento no funcione correctamente.

Si no tienes ningun booster, ningun ecualizador o ningun pedal overdrive (este ultimo para subir volumen y con la saturacion de gain al minimo), hazte el cable este que te digo con las puntas de prueba con un reproductor de mp3 de esos de los chinos de bolsillo, eso tambien te podria servir, metes un mp3 con una guitarra grabada.

Yo con transistores de etapas de potencia no tengo experiencia de haberlos trasteado.
Roberto
por el 14/02/2018
Tengo un overdrive.
Tonyguitar
por el 15/02/2018
Puedes usar eso, le bajas la saturacion y lo usas mas como booster inyector de señal.
Roberto
por el 16/02/2018
#130

Pues cuando se preste algún colega lo haré.
Ya comentaré resultados por aquí.
Alberto Baneado
por el 25/02/2018
¿Algún avance?
Nuevo post

Regístrate o para poder postear en este hilo