Es un marshall reverb 12 , como un lead 12 pero con reverb.
El caso es que suena mal.
No distorsiona casi nada de nada ( y sonando mal ) a no ser que le pongas el gain mínimo al 8.
Ahí ya distorsiona y suena más o menos bien.
pero el pote del gain , aunque muy gastado ya , parece funcionar porque al ir subiendo gain se nota que sube de volumen.
aunque ya digo que no empieza a distorsionar hasta darle casi a tope.
Hasta que lo pasas del 8 suena mal y sin ninguna distorsión a no ser que le metas muy fuerte a las cuerdas que distorsiona durante un momento sonando fatal y enseguida se muere y suena limpio otra vez.
primero pensé que sería de algún condensador , pero se los cambie todos menos uno enano que no me quedaba muy claro su valor , y sigue sonando exactamente igual de mal.
ahora le iba a cambiar los potenciometros , pero veo que me van a salir por bastantes euros y lo mismo me pasa como con los condensadores y no arreglo nada.
También se los limpie con spray pero nada de nada.
Que puede ser lo que falla¿?
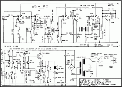
Os dejo el esquema.
El caso es que suena mal.
No distorsiona casi nada de nada ( y sonando mal ) a no ser que le pongas el gain mínimo al 8.
Ahí ya distorsiona y suena más o menos bien.
pero el pote del gain , aunque muy gastado ya , parece funcionar porque al ir subiendo gain se nota que sube de volumen.
aunque ya digo que no empieza a distorsionar hasta darle casi a tope.
Hasta que lo pasas del 8 suena mal y sin ninguna distorsión a no ser que le metas muy fuerte a las cuerdas que distorsiona durante un momento sonando fatal y enseguida se muere y suena limpio otra vez.
primero pensé que sería de algún condensador , pero se los cambie todos menos uno enano que no me quedaba muy claro su valor , y sigue sonando exactamente igual de mal.
ahora le iba a cambiar los potenciometros , pero veo que me van a salir por bastantes euros y lo mismo me pasa como con los condensadores y no arreglo nada.
También se los limpie con spray pero nada de nada.
Que puede ser lo que falla¿?
Os dejo el esquema.
Responder
Citar
