Prueba con los cascos por la conexión headphone. Así sabrás si realmente tienes un problema en el previo, o quizás en la etapa de potencia.
Ayuda arreglo Marshall lead 12
OFERTAS Ver todas
-
-41%Fishman Rare Earth Single Coil PRO‑REP‑101
-
-20%IK Multimedia ToneX One Joe Satriani Ltd Ed.
-
-52%Hughes&Kettner Spirit AmpMan Modern
ahh y encima es el mosfet, una joya!! bueno tio, voy a echar un ojo al esquema y a ver que se me ocurre, te voy diciendo, por las pistas que das esto ¿solo afecta al canal de distorsion verdad?
¿es este?
https://reverb.com/p/marshall-5005-lead-12-combo-amp
¿cuantos canales tiene?? creo que solo uno verdad y entradas hi y low que la high la usas para la distorsion?
No se por que me da al espina que el problema lo tienes en el IC1, quizas es por que es un doble operacional y la primera parte del operacional la usa la distorsion que es la que te falla, mientras que la segunda parte del operacional IC1 B la usa para entrar directamente el canal LOW que dices que ese si te suena bien,
si no es IC1 A el que tiene el problema, no andara muy lejos la cosa, por que en ic1 es justo donde se ve la diferencia entre el canal de HIh y LOW, pues es eso que te digo, el HIGH usa el operacional entero y el LOW usa solamente la segunda parte del operacional, digo parte por que son amplificadores dobles, sera un tl 0072 o un rc4558 o similar, si tu no ves nada raro y lo ves asi a simple vista todo bien, quizas podria ser eso.
¿es este?
https://reverb.com/p/marshall-5005-lead-12-combo-amp
¿cuantos canales tiene?? creo que solo uno verdad y entradas hi y low que la high la usas para la distorsion?
No se por que me da al espina que el problema lo tienes en el IC1, quizas es por que es un doble operacional y la primera parte del operacional la usa la distorsion que es la que te falla, mientras que la segunda parte del operacional IC1 B la usa para entrar directamente el canal LOW que dices que ese si te suena bien,
si no es IC1 A el que tiene el problema, no andara muy lejos la cosa, por que en ic1 es justo donde se ve la diferencia entre el canal de HIh y LOW, pues es eso que te digo, el HIGH usa el operacional entero y el LOW usa solamente la segunda parte del operacional, digo parte por que son amplificadores dobles, sera un tl 0072 o un rc4558 o similar, si tu no ves nada raro y lo ves asi a simple vista todo bien, quizas podria ser eso.
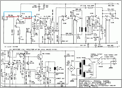
Fijate, la guitarra cuando la tienes en el canal HIGH pasa la señal para amplificarse por el camino pintado en rojo, atraviesa IC1A para amplificarse mas que la otra, asi es como se consigue entrar en la segunda etapa con mas ganancia y asi conseguir mas volumen y mas saturacion, mientras que la azul es la del canal LOW que pasa directamente al IC1B que es la segunda etapa del operacional, entra directamente mas debil sin amplificar, suena mas baja de volumen y por lo tanto no distorsiona como la otra, digamos que yo IC1A lo veo como si fuese un booster que empuja a la siguiente etapa.
..........................
joder!! edito, no habia visto tu mensaje:
pues si yo antes sospechaba de este operacional ahora que te he leido estoy mucho mas convencido.
es el previo y esta cantao, si no te lleva mucho rato y mucho curro cambiale el rc4558 ese que lleva de ic1, y si sigue fallando cambia el ic2, pero yo no creo que sea el ic2, por que si fuese el ic2 el problema lo tendrias igualmente con el limpio y el distorsion, pues los dos pasan por ahi.
Si lo desmontas para cambiar el ic1 tambien te fijaras e la parte de las pistas de cobre si estan oxidadas o sulfatadas por esa zona y en ese caso harias un puente o estañarias, pero esto o que haya una pata desoldada y suelta es mas dificil.
¿es un rc4558cp? ese igual en una tienda de electronica no lo vas a encontrar, le pones otro rc4558 cualquiera
que pilles y si tampoco lo encuentras le metes un jrc4559 que es casi igual, o un jrc4558 que es muy parecido y tambien sirve.
..........................
joder!! edito, no habia visto tu mensaje:
Gus escribió:parecido a lo que me hacia un master reverb 30. Al final encontré información y era un op amp. El que va ligado a la sección de gain. Lo cambié y suena genial otra vez.
Aunque no estoy diciendo que sea ese tu problema exacto.
pues si yo antes sospechaba de este operacional ahora que te he leido estoy mucho mas convencido.
Roberto escribió:Por los cascos también falla.
es el previo y esta cantao, si no te lleva mucho rato y mucho curro cambiale el rc4558 ese que lleva de ic1, y si sigue fallando cambia el ic2, pero yo no creo que sea el ic2, por que si fuese el ic2 el problema lo tendrias igualmente con el limpio y el distorsion, pues los dos pasan por ahi.
Si lo desmontas para cambiar el ic1 tambien te fijaras e la parte de las pistas de cobre si estan oxidadas o sulfatadas por esa zona y en ese caso harias un puente o estañarias, pero esto o que haya una pata desoldada y suelta es mas dificil.
¿es un rc4558cp? ese igual en una tienda de electronica no lo vas a encontrar, le pones otro rc4558 cualquiera
que pilles y si tampoco lo encuentras le metes un jrc4559 que es casi igual, o un jrc4558 que es muy parecido y tambien sirve.
si es un 1458 puedes experimentar, montas un zocalo para operacionales y pillas varios, hay lijeras diferencias entre unos y otros, en el articulo de pisotones te proponen un monton para probar con el tubescreamer, iugalmente validos para este, osea, los que te dije en el mensaje anterior te valen perfectamente:
http://www.pisotones.com/Articulos/Chatarreo.htm
http://www.pisotones.com/Articulos/Chatarreo.htm
▶
1 respuesta directa
Baneado
Yo tuve el Lead 12 normal y lo primero que le cambié cuando me dio problemas fueron los potenciómetros, si tienes un multímetro podrías medir la resistencia de cada uno de ellos a ver si se ajusta al valor que pone en el frontal del pote o en el esquema.
Pones los latiguillos del multímetro entre las patillas 2 y 3 (o 1 y 2 que para el caso da lo mismo que lo mismo da) del pote en cuestión, y vas girando el pote de un extremo a otro, si durante todo el recorrido sube constantemente y va de 0 al valor del pote está bien. Si el valor no cambia en todo el recorrido o está parado y de repende da el salto, el pote hay que cambiarlo.
Si ya has mirado todo lo demás, por probar no pierdes nada.
Pones los latiguillos del multímetro entre las patillas 2 y 3 (o 1 y 2 que para el caso da lo mismo que lo mismo da) del pote en cuestión, y vas girando el pote de un extremo a otro, si durante todo el recorrido sube constantemente y va de 0 al valor del pote está bien. Si el valor no cambia en todo el recorrido o está parado y de repende da el salto, el pote hay que cambiarlo.
Si ya has mirado todo lo demás, por probar no pierdes nada.
Ya por proponer, los jacks? Yo los limpio también porque algunos deben estar sucios y meten ruidos. Cepillo de dientes para acceder a la patilla y el liquido que uses para limpiar los potes.
Aunque si por la entrada de auriculares hace lo mismo, va a ser que no.
Pregunto, podría ser algun tipo de rotura del cono?
O directamente los transistores quizás. No he cambiado nunca ninguno y no sé si pueden dar pie a esos ruidos.
Aunque si por la entrada de auriculares hace lo mismo, va a ser que no.
Pregunto, podría ser algun tipo de rotura del cono?
O directamente los transistores quizás. No he cambiado nunca ninguno y no sé si pueden dar pie a esos ruidos.
Alomejor digo una tonteria, podria ser incluso un problema de alimentacion que se haya alterado, en el esquema hay diodos zener, si estos fallan se puede ver alterada la tension estabilizada en alguna parte o componentes ¿no?
Dale un toque a Toni diaz, yo estoy seguro de que te puede ayudar, controla mucho del tema.
¿Un fallo de mal filtrado de corriente continua no creo verdad? Que altere la estabilizacion de la corriente que lo alimenta, mirar la esr seria interesante de los electroliticos, estos caducan con los años
Yo tengo un valvestate 8080 y cuando menos te lo esperas mete un crugido y se apaga el led una milesima de segundo y siempre lo achaco a eso, cualquier dia lo desmonto y se los cambio todos los de la fuente.
Dale un toque a Toni diaz, yo estoy seguro de que te puede ayudar, controla mucho del tema.
¿Un fallo de mal filtrado de corriente continua no creo verdad? Que altere la estabilizacion de la corriente que lo alimenta, mirar la esr seria interesante de los electroliticos, estos caducan con los años
Yo tengo un valvestate 8080 y cuando menos te lo esperas mete un crugido y se apaga el led una milesima de segundo y siempre lo achaco a eso, cualquier dia lo desmonto y se los cambio todos los de la fuente.
Nuevo post
Regístrate o identifícate para poder postear en este hilo
