chicos tengo una duda..... si se hace doble se puede hacer un amplificador estereo verdad???
¡Hazte un ampli de valvulas jcm800 de 6w por 20 euros!
OFERTAS Ver todas
-
-45%Hughes & Kettner Spirit of Rock
-
-9%Harley Benton TE-20HH SBK w/Bag Bundle
-
-7%Harley Benton SC‑Custom III Active VBK
Joder pako, eres una maquina, tienes que hacer un tutorial explicando como hiciste eso, yo nunca he sido capaz de abrir un transformador de esos y no sera por que no lo he intentado veces, pense que era imposible abrirlos.
Es todo un triunfo lo que conseguiste, ahora puedes enfrentarlos y hacer 230v a 9v para usar como salida de altavoz de 8 ohm, 230v a 6v para 4 ohm o filamentos.
Incluso un 230v a 12v enfrentado a un 230v a 9v para elevar a cerca de 400v para un single ended con algun 6l6, hablamos ya de un 10w.
Es todo un triunfo lo que conseguiste, ahora puedes enfrentarlos y hacer 230v a 9v para usar como salida de altavoz de 8 ohm, 230v a 6v para 4 ohm o filamentos.
Incluso un 230v a 12v enfrentado a un 230v a 9v para elevar a cerca de 400v para un single ended con algun 6l6, hablamos ya de un 10w.
pako202 escribió:chicos tengo una duda..... si se hace doble se puede hacer un amplificador estereo verdad???
Puedes coger y acoplar usa segunda el84 sobre el circuito q ya tienes y del master de este sales a un pentodo por un lado y por el otro pentodo al otro, asi aprovechas todo el circuito para las dos lamparas de salida y despues del master tienes dos salidas independientes.
▶
1 respuesta directa
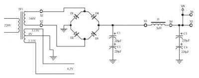
A veces se ponen en serie los condensadores porque así aguantan el doble de voltaje. Hay veces que se tienen que poner condensadores de 500V, y son difíciles de encontrar, en cambio se pueden poner dos de 250V, que son fáciles de encontrar. Tiene dos desventajas, la capacidad total se divide por dos, y la ESR se duplica.
Alerta!!, para evitar problemas, cuando se pongan en serie, se tendría que poner en paralelo de cada condensador una resistencia, por ejemplo de 220K, para evitar que un condensador tenga que soportar un voltaje superior al que puede aguantar, hay veces que el reparto de voltajes con dos condensadores en serie no es igual y podría pasar que uno soportara 280V y otro 220V, al poner esas resistencias aseguras que la tensión será la mitad.
Alerta!!, para evitar problemas, cuando se pongan en serie, se tendría que poner en paralelo de cada condensador una resistencia, por ejemplo de 220K, para evitar que un condensador tenga que soportar un voltaje superior al que puede aguantar, hay veces que el reparto de voltajes con dos condensadores en serie no es igual y podría pasar que uno soportara 280V y otro 220V, al poner esas resistencias aseguras que la tensión será la mitad.
Nuevo post
Regístrate o identifícate para poder postear en este hilo
