Buenas,
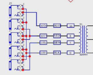
Tengo un Epiphone Blues Custom 30 con las salidas de altavoz que podéis ver en la foto y el esquema de abajo. Lleva montados dos altavoces de 16 Ohm en paralelo conectados a una de las salidas de 8 Ohm, como corresponde. He leído en alguna parte que sería más eficiente conectar un altavoz de 8 Ohm a cada una de las salidas de 8 Ohm. Se supone que así aprovecharía todo el cableado del transformador. ¿Es esto correcto? ¿Rendiría mejor el ampli de esta manera? ¿En qué sentido? ¿Más potencia, mejor sonido? ¿O no son más que suposiciones?
Y otra pregunta más hipotética (no creo que lo haga nunca): ¿Se podrían conectar todas las salidas en sus impedancias correspondientes al mismo tiempo?
¡Gracias!
Tengo un Epiphone Blues Custom 30 con las salidas de altavoz que podéis ver en la foto y el esquema de abajo. Lleva montados dos altavoces de 16 Ohm en paralelo conectados a una de las salidas de 8 Ohm, como corresponde. He leído en alguna parte que sería más eficiente conectar un altavoz de 8 Ohm a cada una de las salidas de 8 Ohm. Se supone que así aprovecharía todo el cableado del transformador. ¿Es esto correcto? ¿Rendiría mejor el ampli de esta manera? ¿En qué sentido? ¿Más potencia, mejor sonido? ¿O no son más que suposiciones?
Y otra pregunta más hipotética (no creo que lo haga nunca): ¿Se podrían conectar todas las salidas en sus impedancias correspondientes al mismo tiempo?
¡Gracias!
Responder
Citar
