buenas, a ver si alguno podeis echarme una mano .
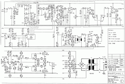
al abrir mi amplificador me he encontrado con una resistencia de 5w 470ohm de las de cemento reventada y todo lleno de polvo blanco, pero el amplificador sigue funcionando perfectamente y no he notado nada extraño.
Pasa algo si uso el amplificador con la resistencia reventada? o no podre usarlo hasta cambiarla por riesgo de quemarse el ampli?
(exactamente no se cual es la funcion de esa resistencia ni el riesgo que puede haber)
gracias
al abrir mi amplificador me he encontrado con una resistencia de 5w 470ohm de las de cemento reventada y todo lleno de polvo blanco, pero el amplificador sigue funcionando perfectamente y no he notado nada extraño.
Pasa algo si uso el amplificador con la resistencia reventada? o no podre usarlo hasta cambiarla por riesgo de quemarse el ampli?
(exactamente no se cual es la funcion de esa resistencia ni el riesgo que puede haber)
gracias
Responder
Citar
