Si que tenias un problema serio xD, creo que tb me haré el pedal, a ver que tal suena.
X
Últimos días
Problema con Tube Screamer Ts808
OFERTAS Ver todas
-
-59%Hughes & Kettner Spirit AmpMan Classic
-
-17%Harley Benton DNAfx GiT Mobile II
-
-37%IK Multimedia ToneX One
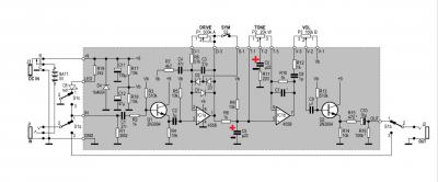
Oye, que buena te quedo la caja, te felicito. En cuanto al swich asym-sym. Su efecto se nota con distorsión muy fuerte, pero lograr distorsiones como esa, normalmente se necesitan micrófonos con señales muy altas o usar un " Booster " delante del tubescreamer. A mí en particular me parece casi imnecesario, porque el tubescreamer se luce con distorsiones suaves y cálidas que recuerdan a las válvulas, y en ese rango se nota poco este interruptor. Como gusto personal, tampoco me gusta su efecto, por supuesto a otros les gusta. El efecto que debería darte, es que la da un sonido rasposo y un poquito más agudo. Puedes probar el interruptor usando el multímetro, midiendo continuidad en sus dos posiciones ( en apagado y en encendido).
Hola! Cuánto tiempo! (lo siento, pero he estado terminando los aparatitos :P). Hoy por fin puedo decir que he terminado los tres. Los tres porque al final se ha sumado un minibooster. Y lo he hecho yo solito, Landa XD Aunque haya sido gracias a todo lo que he aprendido contigo. Dejo una foto de los 3 pedales, ya funcionando. Un día de estos mando una prueba de sonido.
Nuevo post
Regístrate o identifícate para poder postear en este hilo

. Para qué sirve exactamente el swtich asym-sym? Lo activo y desactivo pero no noto ningún cambio en el sonido... Puede ser que lo haya soldado mal?
