Bueno, amigos. Aquí os dejo la versión 1.0
de la MOD "marcelote" del CS-3
Por supuesto que así ya mejora pero hay 2 modificaciones VITALES para reducir el ruido y una tercera muy deseable:
1) el buffer de entrada. Creo que lo haré con un FET (menos ruido que un transistor común)
2) la fuente de 4.5V que es la salida de un operacional: esto inyecta el ruido generado en esa salida incluso en la parte más sensible a través de la resistencia de 1M de la entrada. Además no se puede "filtrar" con un condensador a masa ya que entra en oescilación el equipo
.
3) se pude hacer una sencilla puerta de ruido aprovechando la tensión existente en C8 inversamente proporcional a la señal existente y las características del THAT (ya está diseñada, la duda es si dejar fijos todos sus parámetros (umbral, velocidad de cierre y tiempo de reapertura) o si pasar del control de tono y usarlo como regulador de, p.e. el umbral).
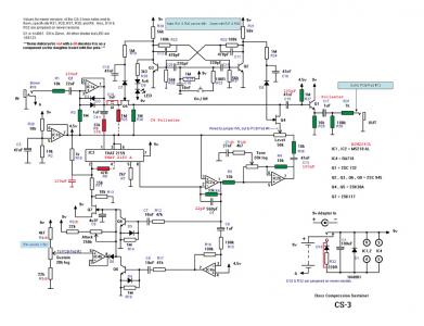
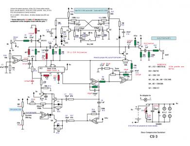
Os dejo la versión, el esquema se basa en este valioso trabajo: http://www.diystompboxes.com/smfforum/index.php?topic=63909.0
En rojo están las modificaciones, en "discontínuo" los componentes eliminados y en verde están las resistencias substituibles por película metálica para reducir ruido.
Notas importantes:
-El C cerámico entre la patilla 2 del THAT y masa reduce la distorsión armónica par generada al acoplarse parte de la señal por vía de la masa virtual de 4.5V. Es un compresor-expansor, no un distorsionador
.
-C5 debe ser de 22pF, no de 560!
-Si se cambia el THAT 2159 por el 2180 se debe quitar R8.
-Los condensadores substituidos han de ser de calidad superior o igual a los de Poliester (polipropileno aún mejor)
de la MOD "marcelote" del CS-3Por supuesto que así ya mejora pero hay 2 modificaciones VITALES para reducir el ruido y una tercera muy deseable:
1) el buffer de entrada. Creo que lo haré con un FET (menos ruido que un transistor común)
2) la fuente de 4.5V que es la salida de un operacional: esto inyecta el ruido generado en esa salida incluso en la parte más sensible a través de la resistencia de 1M de la entrada. Además no se puede "filtrar" con un condensador a masa ya que entra en oescilación el equipo
.3) se pude hacer una sencilla puerta de ruido aprovechando la tensión existente en C8 inversamente proporcional a la señal existente y las características del THAT (ya está diseñada, la duda es si dejar fijos todos sus parámetros (umbral, velocidad de cierre y tiempo de reapertura) o si pasar del control de tono y usarlo como regulador de, p.e. el umbral).
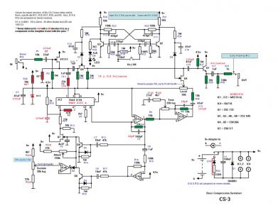
Os dejo la versión, el esquema se basa en este valioso trabajo: http://www.diystompboxes.com/smfforum/index.php?topic=63909.0
En rojo están las modificaciones, en "discontínuo" los componentes eliminados y en verde están las resistencias substituibles por película metálica para reducir ruido.
Notas importantes:
-El C cerámico entre la patilla 2 del THAT y masa reduce la distorsión armónica par generada al acoplarse parte de la señal por vía de la masa virtual de 4.5V. Es un compresor-expansor, no un distorsionador
.-C5 debe ser de 22pF, no de 560!
-Si se cambia el THAT 2159 por el 2180 se debe quitar R8.
-Los condensadores substituidos han de ser de calidad superior o igual a los de Poliester (polipropileno aún mejor)
Responder
Citar


Estoy por subir una foto