Mod Keeley Boss ds-1

Tonyguitar
por el 21/06/2014
DaviZerrat escribió:
Sobran, es por si no tienes de 1uf, con 2 de 0,047 en paralelo tienes 1 u. Si lo miras en la mod, se sustituyen 10 condensadores!!!.

pero tio, eso esta mal, tu te haces los condensadores de 1uF poniendo 2 de 0,47uf en paralelo, no poniendo 2 de 0.047uf en paralelo, si subes la escala de nanos a micro veras que si desplazas la coma 3 ceros con el 0.047uf en 47nF, entonces veras que, dos condensadores en paralelo de 0.047uf equivalen aproximadamente a 100nF(0.1UF), no a 1uf, necesitas tener dos condensadores de 0.47uf que, en paralelo son aproximadamente 1uf, osease, dos de 470nF, que para mi gusto a mi me parece un poco una chapuza eso de andar metiendo en un pedal condensadores en paralelo para conseguir el valor deseado, yo no se hasta que punto es necesario la resistencia de 20k, si no la encuentro pondre una de 22k que es el valor normalizado mas cercano o si acaso pongo 2 de 10k en serie y ya me parece chungo eso.

otra cosa, ahora no caigo, ¿ 2k4 esta normalizado o es 2k2?

digo esto por que yo tengo una caja con resistencias y estos valores no me suena tenerlos, tengo que mirar a ver y, si no estan normalizados me va a costar encontarlas o meter 2 resistencias en serie para llegar a ese valor exacto, si tan importante es que sean esos valores exactamente.
OFERTAS EN TIENDAS Ver todas
  • -59%
    Hughes & Kettner Spirit AmpMan Classic
    145 €
    Ver oferta
  • -14%
    Harley Benton Fusion-T HH EB OCT
    299 €
    Ver oferta
  • -16%
    NUX NGS-6 Amp Academy
    159 €
    Ver oferta
SEGUNDA MANO EN MERCASONIC Ver todo
  • Harley Benton B-550FL BK Progressive Series
    200 €
    Ver
  • Guitarra para zurdos Dowina. Serie Vintage Cabernet. Modelo Bonavida
    700 €
    Ver
  • Amplificador Blackstar Debut 50R
    140 €
    Ver
¿Tienes equipo que ya no usas? Véndelo en Mercasonic
DaviZerrat
por el 21/06/2014
Si te fijas en la mod, se sustituyen 10 condensadores. 4 de 1u y 6 de .01u. Entonces, los de 0,047uF sobran. Lo que digo, que estaran ahi de alternativa por si no encuentras los valores... Por que si te fijas no hacen falta..... Saludos!!

....

Coloque una resistencia de 2.4k en el R13
Coloque una resistencia de 20k en el R39
Coloque una resistencia de 1.5K en R14
C1, C3, C5,C11, C12, C13 toda la necesidad de ser instalado con 0.1uF Caps
C2, C8, C9, C14 capacitores de 1uF(en el diagrama de referance he utilizado dos capacitores 0.47uF soldadas entre sí)
C7 se debe cambiar a un tope 220PF

.....

1.0uF 50V con film de metal x 4
0.1uF 50V con film de metal x 6
0.047uF 50V con film de metal x 8

....
Tonyguitar
por el 21/06/2014
DaviZerrat escribió:
los de 0,047uF sobran. Lo que digo, que estaran ahi de alternativa por si no encuentras los valores

ya te digo, esto es una cagada del autor, yo creo que tienes que encadenar en paralelo muchos de estos para llegar al 1UF. :risa:
DaviZerrat escribió:
que estaran ahi de alternativa por si no encuentras los valores.

yo creo que el quiso decir 0.47uf en vez de 0.047uf, se referia a ponerlos en paralelo para conseguir los 1UF que el no los tenia.
DaviZerrat
por el 21/06/2014
Cierto. No es 1uF :suicidio: Se me fue muuucho la de arriva. De todas formas sobran. Edite el mensaje anterior y pege la mod. Son 10 no 18 los que te hacen falta. Luego el de pF a parte claro.


Saludos!,,
Tonyguitar
por el 21/06/2014
entonces la cosa quedaria bien asi corregida como yo la puse? eceptuando que aqui sobran condensadores por un tubo, pero las capacidades que yo he corregido serian correctasverdad?


1.0uF 50V con film de metal x 4 ¿que pinta el cero despues de la coma? son 4x 1uF no polarizados.
0.1uF 50V con film de metal x 6, bueno, esto esta bien, pero mejor asi, son 6x100nF.
0.047uF 50V con film de metal x 8 esto mas de lo mismo: 8x47nF.
capacitor 47.0pF x 1¿por que una coma antes de un cero, alguien me lo explica? 47pF, sobra el cero.
capacitor 220pf 50v x 1 ok
2.4k Resistencia 1 x 1
20.0k Resistencia x 1 ¿serviria una de 22k que es el valor normalizado?
Resistencia de 1.5K x 1
On/On SPDT Switch x 1 un conmutador normal y corriente de palanca, no tiene mas historia.
LED azul 3mm x 1, esto no es imprescindible, es mas bien opcional, a gusto de cada uno.
3mm LED rojo x 1, aqui dice que necesitas uno y es mentira, necesitas dos!!!!



tu has corregido esto verdad?

Coloque una resistencia de 2.4k en el R13
Coloque una resistencia de 20k en el R39
Coloque una resistencia de 1.5K en R14
C1, C3, C5,C11, C12, C13 toda la necesidad de ser instalado con 0.1uF Caps
C2, C8, C9, C14 capacitores de 1uF(en el diagrama de referance he utilizado dos capacitores 0.47uF soldadas entre sí)
C7 se debe cambiar a un tope 220PF

.....

1.0uF 50V con film de metal x 4
0.1uF 50V con film de metal x 6
0.047uF 50V con film de metal x 8 ¿y esto?????

gracias compañero.
Tonyguitar
por el 21/06/2014
para que se vea mas claro donde va soldado el condensador de 47pF:

LISTADO DE COMPONENTES:

Coloque una resistencia de 2.4k en el R13
Coloque una resistencia de 20k en el R39
Coloque una resistencia de 1.5K en R14
C1, C3, C5,C11, C12, C13 - SEIS CONDENSADORES DE 100NF
C2, C8, C9, C14 - CUATRO CONDENSADORES DE 1uF
C7 CONDENSADOR CERAMICO DE 220PF

CONDENSADOR CERAMICO DE 47pF QUE SE SUELDA POR LA PARTE TRASERA HACIENDO UN PUENTE ENTRE
D4 Y D5.

D4 Y D5 DOS DIODOS LED DE POR EJEMPLO COLOR ROJO Y VOLVEMOS A COLOCAR EN SERE CON EL SWITH UNO DE SILICIO DE LOS QUE QUITAMOS.

UN INTERRUPTOR CONMUTADOR DE PALANCA

http://s2.subirimagenes.com/otros/previo/thump_8964846comparativa-condensa.jpg
dd8eec8106ef094842ffd21fe333f-1828536.jpg
Ver Imagen: http://s2.subirimagenes.com/otros/previo/thump_8964846comparativa-condensa.jpg
<a href='http://www.subirimagenes.com/otros-comparativacondensa-8964846.html'><img src='http://s2.subirimagenes.com/otros/previo/thump_8964846comparativa-condensa.jpg' alt='subir imagenes' border='0'></a>
Tonyguitar
por el 21/06/2014
como no funcionan los enlaces, vuelvo a poner la foto para que se vea mucho mas claro donde va soldado el condensador ceramico de 47pF.

http://www.subirimagenes.com/otros-comparativacondensa-8964846.html
2 respuestas directas
Tonyguitar
por el 06/07/2014
acabo de hacer un hilo sobre una mod que le he hecho al DS1 para convertirlo en un HIGH GAIN total con muchos armonicos, ahora es un pedal shred total y muy metalero:
https://www.guitarristas.info/foros/convertir-boss-ds-1-heavy-metal-high-gain-shred-tope/243664
knight23
por el 08/07/2014
Hola tony, ya me he leido el otro hilo que has abierto. Parece muy interesante. Primero quiero empezar con el Keeley (a ver cuando saco tiempo para empezar).
Solo me queda una duda respecto al condensador 47pF que va soldado detrás.
En la foto que has colgado en el post #91 , en las dos fotos que salen, el condensador amarillo va soldado a un punto por un lado y por el otro va a dos puntos puenteados. En cambio el azul, cada pata va a dos puntos puenteados. Cual es el correcto?

Después en el otro hilo que has hecho (Ds-1 high gain) dices que este condensador no afecta al sonido, es correcto? no sirve para nada?

Un saludo
Tonyguitar
por el 08/07/2014
knight23 escribió:
Después en el otro hilo que has hecho (Ds-1 high gain) dices que este condensador no afecta al sonido, es correcto? no sirve para nada?

pasate por este hilo:
https://www.guitarristas.info/foros/convertir-boss-ds-1-heavy-metal-high-gain-shred-tope/243664#post1836510

ahi esta toda la informacion que me preguntas, cualquier cosa ya me dices, preguntas sobre las modificaciones mias particulares se tienen que hablar en mi hilo, este hilo es solo un exclusivamente para la mod keeley, :brindis:
knight23
por el 08/07/2014
Te entiendo, no creas que no, pero como las dos preguntas tienen relación...
La pregunta en este hilo es:

En la foto que has colgado en el post #91 , el condensador amarillo va soldado a un punto por un lado y por el otro va a dos puntos puenteados. En cambio el condensador azul, cada pata va a dos puntos puenteados. Cual de las dos es la manera correcta de soldarlo?
Tonyguitar
por el 08/07/2014
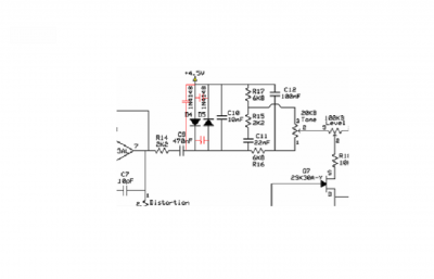
si, tienes razon, pero si te fijas bien en las fotos veras que aunque esta soldado en un sitio distinto ambos pertenecen a la misma pista del circuito, solo que uno esta soldado mas arriba y el otro mas abajo, pero estan soldadas las patas en las mismas pistas, mira, echa un ojo a esta foto que te pongo y veras lo absurdo que es poner ese condensador de 47pF, cualquiera que entienda un poco de electronica se dara cuenta que en la mod de keeley sobran la mitad de las modificaciones, tu mira el esquema y dime una cosa, ¿que puede hacer un condensador de 47pF entre los diodos?
tu fijate que ya hay uno de 10NF, tu pondrias en paralelo el de 47pF, eso lo que haria seria incrementar el valor de los 10NF a 10,04NF
¿que te parece? es de risa, tanto que la propia tolerancia del condensador de los 10 nanos se te puede ir mucho mas de valor que el propio de 47pf que le agregas en paralelo y se suman las capacidades, es un valor muy despreciable jeje.

por otro lado, si suponemos que ese condensador se pusiera en la parte de abajo de los diodos en el esquema o la parte de arriba tendria menos sentido todavia, pues estan cortocircuitados, mirate las dos fotos que te he puesto del esquema y te daras cuenta de lo ridiculo que es esto,
ademas, otra cosa, si no hubiese un condensador de 10nF y estuviese solo el de 47pf, un valor tan exageradamente bajo no dejaria pasar nada de señal y no habria diferencia de sonido de puesto o quitado.
Archivos adjuntos ( para descargar)
esquema.png
Nuevo post

Regístrate o para poder postear en este hilo