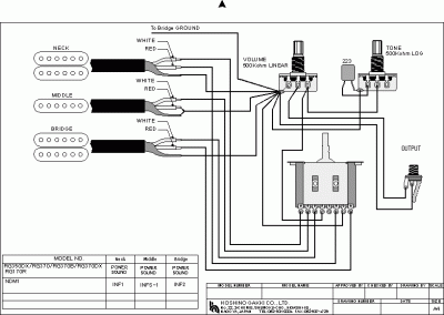
Tengo una duda que me inquieta, quiero cambiar el selector de pastillas de mi guitarra, mi guitarra es una Ibanez tiene pastillas HSH, las pastillas son dimarzio evolution bridge, Ps o power sound en single y Una Seymour duncan en el neck, el selector de pastillas que trae mi guitarra es este modelo ..... y acabo de comprar este otro modelo y queria saber si me funcionaria igual de bien ese modelo con una guitarra con caracteristicas de pastillas como las que menciono, muchas gracias anticipadamente por sus respuestas y detalles
X
Últimos días
Me funcionara este selector de pastillas?
OFERTAS Ver todas
-
-11%Ibanez AE340FMH-MHS
-
-27%Blackstar HT-5RH MKIII
-
-9%Harley Benton TE-20HH SBK w/Bag Bundle
Imposible de saber si no sabes los pineados exactos o tipo de switch que lleva, el de la segunda imagen es un oak grigsby normal y corriente, 5 posiciones lineales... el schaller de la primera imagen es un megaswitch y tiene 3 versiones con posiciones de pastillas diferentes.. valer va a valer, funcionar no va a funcionar de la misma forma
Por repetir lo mismo otra vez... no cambia nada.
- El que tienes instalado, falle o no, no es el que tienes instalado porque tiene 3 versiones diferentes y con la foto no vale.
- El que has comprado, si es dimarzio, ya de base no es el de la foto, pero en principio si no tiene ninguna referencia específica te tendria que valer
- Las posiciones son las mismas que yo te puse
No hay más.
- El que tienes instalado, falle o no, no es el que tienes instalado porque tiene 3 versiones diferentes y con la foto no vale.
- El que has comprado, si es dimarzio, ya de base no es el de la foto, pero en principio si no tiene ninguna referencia específica te tendria que valer
- Las posiciones son las mismas que yo te puse
No hay más.
Nuevo post
Regístrate o identifícate para poder postear en este hilo
