¡JCM800 preamp sin ruido por 15€!

Slater
por el 03/05/2021
#3660 +1 profesional :locomotora:
OFERTAS EN TIENDAS Ver todas
  • -14%
    Harley Benton AirBorne 2.4Ghz Instrument
    59 €
    Ver oferta
  • -14%
    Harley Benton Fusion-T HH EB OCT
    299 €
    Ver oferta
  • -7%
    Harley Benton SC‑Custom III Active VBK
    298 €
    Ver oferta
SEGUNDA MANO EN MERCASONIC Ver todo
  • Suhr koko boost
    150 €
    Ver
  • Pedal de efectos Wampler Plexi Drive hecho a mano
    90 €
    Ver
  • Boss RV-6 Reverb
    130 €
    Ver
¿Tienes equipo que ya no usas? Véndelo en Mercasonic
Tonyguitar
por el 04/05/2021
#3660

Ya veras como si ;)
sdiazmun
por el 04/05/2021
Una duda. Los condensadores de 47uf , si son de 85°C va justo o sin problema. Es que me acabo de fijar que los que tengo son de 85°C..
1 respuesta directa
toni.kt88
por el 04/05/2021
Mientras el entorno de trabajo esté por debajo de 85ºC, no hay problema
Tonyguitar
por el 04/05/2021
sdiazmun escribió:
Una duda. Los condensadores de 47uf , si son de 85°C va justo o sin problema. Es que me acabo de fijar que los que tengo son de 85°C.

Un condensador en condiciones normales no deberia calentarse si trabaja como toca, si es de 47uf y soporta 350v o 400v no deberia haber ningun problema, otra cosa es cuando se estropean y tienen fugas, ahi si que empiezan a calentarse y pueden llegar a explotar.
lji0041
por el 04/05/2021
Si tienes dudas, ponle unos de 105°. Tampoco es mucho dinero. Depende de si estás jugando o le vas a dar tralla. Quiero decir que si te lo vas a llevar a hacer bolos pues entonces mejor ir sobrado. ¿No?
sdiazmun
por el 04/05/2021
Ok!!? Gracias por la info. Pillaré unos de 105 así me curo en salud
sdiazmun
por el 05/05/2021
Dudas con respecto al cableado eléctrico.

¿Hay que tener en cuenta que cable es neutro y cuál es fase a la hora de conectarlos en los transformadores y después a la PCB? ¿El switch de encendido es preferible conectarlo en el neutro o da lo mismo?

Y una ultima, si conecto la tierra que me viene del shucko, al tornillo de un transformador, este a su vez lo atornillo al chasis, y también conecto ahí la masa del circuito, ¿habría algún peligro al tocar el chasis (en este caso será metálico) o estaría correcto?

Con los voltajes que se manejan, prefiero ir 100% seguro con el tema eléctrico 😅

Gracias cracks!!
toni.kt88
por el 05/05/2021
#3668
Los secundarios al estar separados galvánicamente, no hay neutro o fase, solo tienes que tener en cuenta el desfase entre secundarios, en caso de que quieras unirlos entre ellos, por ejemplo tienes dos secundarios de 6,3 voltios y quieres unirlos para tener uno de 12,6 V.
El interruptor de encendido, por normativa tiene que cortar los dos polos, porque cuando enchufas un aparato no sabes por donde entra la fase o el neutro, ya que el enchufe lo puedes conectar de dos formas.
El tierras tiene que estar conectado a cualquier parte metálica en la que puedas acceder con la mano. Normalmente si el transformador esta collado al chasis, y el chasis tiene tierras, el transformador ya lo tiene. No es obligatorio, en un principio, que los circuitos electrónicos, la masa, esté conectada a tierras, a no ser que pueda ser peligroso, pero al ser con más de 70 VDC, es mejor que sí. Hay aparatos que llevan un interruptor para quitarlo del circuito, porque a veces puede generar ruido si los demás aparatos de la cadena también están conectados a tierra, y con que solo haya uno, ya es suficiente.
sdiazmun
por el 05/05/2021
Gracias toni
Entiendo todo lo que comentas, tiene todo el sentido.
Ahora me queda más claro :)
toni.kt88
por el 05/05/2021
De nada, para eso estamos. Si no nos ayudamos entre nosotros, ¿quién lo hará?
clemengata
por el 05/05/2021
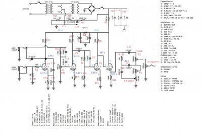
Hola primero os doy las Gracias a todos por vuestros sabios consejos que os dais unos a otros cada uno lo que sabe.Yo aprendo bastante al leeros.Empece a leer este hilo voy por la PAJINA 114 mas menos, mi intención es de hacer el previo JCM800 y alguna etapa; estoy haciendo en kicat el proyecto desde cero, y aunque habéis colgado La placa ya echa quería añadir todos vuestros consejos y cambios que habéis echo TODOS VOSOTROS y poner las válvulas por la parte del cobre, no doy ningún Nombre para la pregunta por no personalizar en nadie por respeto al Resto. y voy a la pregunta partiendo del esquema que purula por aquí en válvula 1 el condensador C4 no existe en el esquema 2204 y la pregunta es si podríais decirme por favor, cual es su función en el circuito.Adjunto los dos esquemas.
Y luego también necesitaba saber si alguno trabajas con KICAT a la hora de asociar componentes a los condensadores por ejemplo de 0,022uF de estos cual cojeis porque hice varias pruebas y luego en el siguiente paso al colocarlos en pcb me salen unos enormes de tamaño.Gracias.
Archivos adjuntos ( para descargar)
ESQUEMA PREVIO JCM800 CON DIVISOR.jpg
ESQUEMA 2204. .jpg
componentes a asociar.jpg
1 respuesta directa
Nuevo post

Regístrate o para poder postear en este hilo