¡JCM800 preamp sin ruido por 15€!

Kenworht
por el 10/04/2021
#3635 :
Pues es un chollo poder tener la placa hecha, compañero. Y hasta los trafos.

Lo demas se puede conseguir de cualquier sitio...
De una tele vieja de valvulas...
Ahi te forras... De todo...o casi, lo que hay te sirve. O una radio antigua..

Yo conservo algunas de este modelo ...
OFERTAS EN TIENDAS Ver todas
  • -14%
    Harley Benton AirBorne 2.4Ghz Instrument
    59 €
    Ver oferta
  • -14%
    Harley Benton Fusion-T HH EB OCT
    299 €
    Ver oferta
  • -7%
    Harley Benton SC‑Custom III Active VBK
    298 €
    Ver oferta
SEGUNDA MANO EN MERCASONIC Ver todo
  • Suhr koko boost
    150 €
    Ver
  • Pedal de efectos Wampler Plexi Drive hecho a mano
    90 €
    Ver
  • Boss RV-6 Reverb
    130 €
    Ver
¿Tienes equipo que ya no usas? Véndelo en Mercasonic
Pipo
por el 10/04/2021
Es que lo que para algunos es muy fácil para otros no. Por ejemplo os parece fantástico que tenga los trafos hechos pero yo no sé si son cables, seres de la mitología irlandesa...
1 respuesta directa
Kenworht
por el 11/04/2021
Ok. Te entiendo.
Pues sigue el compraventa haber si hay suerte y cae alguno.
classic50s
por el 11/04/2021
#3638
Lo que te quería decir es que está toda la parte eléctrica y electrónica terminada. de hecho, enchufas y suena.
Falta la parte de montaje mecánico y el trabajo de carpintería para hacer la caja que contenga el previo.
Yo creo que lo guapo de esto es hacerlo tú mismo. Es lo que mola, tocar con un bicho que te has fabricado tú.
Pero si quieres uno terminado y listo, mira periodicamente en el foro de ventas, que algo aparecerá terminado más pronto o más tarde.
De hecho me planteo hacer el mueble y terminarlo para venderlo en un futuro, porque lo tengo muerto de risa.
Saludos
fueradetono
por el 14/04/2021
Buenas, cómo andan?
Ayer terminé de armar la pcb con todos sus componentes chequeados y por ahora la cosa tiene buena pinta...
Hoy llega el día de meterle tensión a los filamentos y tal vez a los ánodos, pero antes de instalar las válvulas en los zócalos me gustaría medir qué tensiones debería tener en los distintos puntos del circuito, que lo vi por ahí en el foro, pero no recuerdo en qué hilo y no lo puedo encontrar al esquema.
Si alguien lo tiene le agradecería mucho!
Dejo un par de fotos de como va mi proyecto...
Saludos
Archivos adjuntos ( para descargar)
20210403_184319.jpg
20210406_214911.jpg
20210408_212211.jpg
20210413_194627.jpg
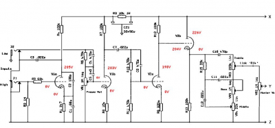
fueradetono
por el 14/04/2021
Encontré el diagrama! Lo subió kaazad a otro hilo de este foro. Les dejo el esquema del previo con los voltajes por si les sirve.
Archivos adjuntos ( para descargar)
tensiones_previo_JCM800.png
Tonyguitar
por el 14/04/2021
No me acuerdo bien de los voltajes, pero si en el secundario tienes a la salida del puente de diodos unos 300vDC, en los anodos de cada valvula deberias tener alrededor de 150v y 180v mas o menos, una tension inferior a 60v por ejemplo o de 280v me indicaria que algo no esta bien y en las resistencias de catodo deberias tener en todas 1 o 2 voltios, mientras que el 4 triodo en la de catodo deberias tener lo menos 130v.

Te doy valores orientativos asi un poco a ojo, pero es que no lo se exactamente, ya digo que si estan dentro de los valores que te doy en teoria pienso que estaria bien.
fueradetono
por el 14/04/2021
Gracias Tony, cuando salga del trabajo me pongo a medir los voltajes, no veo la hora de enchufarle la guitarra!
fueradetono
por el 18/04/2021
El previo ya está sonando, y de pm! la prueba fue conectando al input clean de un ampli chino (ya que no tiene loop) de 30w con el eq al medio, ganancia en 1 y volumen medio, la guitarra una chinatocaster y bastante pésimo el guitarrista... Ya mejoraremos eso último.
Estoy en proceso de fabricación del mueble, pero aún no me decido de qué parlante ponerle. Hasta ahora lo que mas me llama es un celestion greenbak. Acepto opiniones y sugerencias.
Saludos, espero que anden bien.
1 respuesta directa
dazz
por el 18/04/2021
Bravo, Facundo :bien:
classic50s
por el 18/04/2021
#3645
Pues fenómeno.👌👍
fueradetono
por el 20/04/2021
¿Salida a 6w con una el84 o salida a 30w con un integrado lm1875?¿Qué opinan?
El parlante me llegó hoy, es un celestion greenback de 8ohms, 25w
Nuevo post

Regístrate o para poder postear en este hilo