"negrito" escribió:
Tony es correcta tu observación pero te hago comentario que tal vez te ayude a entender esto del ajuste de bias y modos de operación un poco mejor.
Primero no importa si la topologia de la etapa de potencia es SE o PP, siempre se necesita un ajuste de bias en reposo de las válvulas de potencia, ya sea que la etapa vaya a trabajar en clase AB (clase B pura es otra cosa pero no es usado para amplificación de audio).
Esto es, siempre se necesita que las válvulas de potencia estén drenando corriente de continua cuando la etapa se encuentra en reposo (o sea no está amplificando señal de audio). Este ajuste de bias o corriente en reposo en las válvulas de potencia se logra poniendo la grilla de control mas negativa que el cátodo en cierto valor de tensión cuando la válvula esta en reposo. Fíjate que cuando digo esto no estoy diciendo que ninguno de los dos tiene que estar a tensión negativa absoluta, sino que la grilla de control tiene que ser mas negativa que el cátodo, pues si la grilla de control está reverenciada a masa entonces el cátodo tendrá que estar a tensión positiva, si el cátodo es el que está referenciado a masa pues la grilla de control resultará en un valor negativo de tensión entonces.
Como bien se ha detallado en posteos anteriores el SE solo puede trabajar en Clase A, pero si es un PP podrá trabajar en Clase A o Clase AB. Dependiendo de como está diseñada la etapa de potencia (impedancia de carga, alimentación de la etapa y ajuste de bias) la etapa de potencia PP puede trabajar siempre como clase A o como clase AB el tema es como dijeron en posteos anteriores, Una etapa en clase AB es capaz de sacarle un plus de potencia a la etapa haciendo que mientras una de las ramas está en corte la restante siga amplificando señal, O sea que una etapa capaz de funcionar en clase AB saca mas potencia de las mismas válvulas que una etapa que solo pueda funcionar en clase A de allí que lo mas común es que una etapa de potencia PP sea normalmente clase AB (para sacar mas potencia).
De la misma independientemente de si la etapa es PP o SE o si está pensada para trabajar solo en clase A o en clase AB el ajuste de bias puede hacerse con resistencia de cátodo (Bias variable) o con referenciando la grilla de control a una tensión continua mas negativa que la del cátodo. El tema del ajuste con resistencia de cátodo es que le agrega una realimentacion muy alta al circuito Grilla-Cátodo haciendo que se pierda parte de la potencia extra que podría sacar el método de Bias fijo: Entonces de nuevo y atendiendo a la premisa de sacar la mayor potencia posible que revisamos antes para un PP es lógico que la mayoría de estos circuitos de potencia PP clase AB implementen una jaute de bias Fijo.
Pero insisto la clase de funcionamiento de la etapa de potencia es totalmente independiente del método de ajuste de bias ( lo que no quiere decir que normalmente se usa Clase A con Bias variable, y clase AB con bias fijo).
Por otro lado una aclaración, la tensión negativa necesaria para implementar el bias fijo no implica necesariamente que el transformador de potencia tenga que tener un devanado adicional. De hecho casi siempre lo saco del mismo devanado de alta tension principal.
Negrito, un lujo verte por estos lugares, genio, vaya tocho, necesito un rato para leerlo, pero lo que me ha llamado mucho la atencion es que dices que lo importante para el clase AB es que la reja de control este mas negativa que el catodo, entonces, se me ocurre una cosa, ¿con un rectificador de onda completa normal en donde el negativo va junto con la masa y no hay tap central no seria interesante para hacer un control de bias, poniendo un divisor de tension y una masa elevada por ejemplo 50v+ para poder tener la reja conectada a la masa real del circuito y que esta sea mas negativa que la masa elevada a la que conectamos el catodo?
y otra cosa, ¿no se podria hacer un montaje single ended poniendo el catodo a masa sin resistencia y con un ajuste de bias con tension negativa de reja? eso seria justo lo contario de un clase A en push pull.
Lespaulhc escribió:
Venga Va creo que ya es hora de dejaros de bias y trafos etc y os pongais a currar amplis y probar sin teorias leñe....amos amos......que tenemos que descubrir el santo grial de los amplis....XD

pues tienes razon tio, yo ya llevo tiempo que no hago nada, me he dedicado mas a estudiar y coger notas en una libreta que a hacer nada.
Montando previos y leyendo esquemas aprendi muchas cosillas sobre previos de valvulas, pero el pentodo es un mundillo a parte, requiere estudio por el tema de los transformadores y otras muchas cosas.
------------------------------------
toni.kt88 escribió:
Si , por el trafo que es mas difícil de encontrar y el resto del circuito, es mas simple poner solo una resistencia. Pero piensa que también es un tema de sonido, suenan diferente.
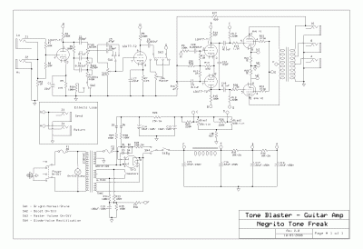
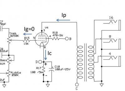
Ajunto dos esquemas con conexión ultralineal, mira como la segunda reja la que le llaman Screen, en vez de conectarla a la alta tensión con una resistencia, la conectan a un devanado del trafo de salida, que suele estar a un 40% del devanado, así entra parte del audio, creando una leve realimentación local mejorando la respuesta en frecuencia y distorsión. Y el ruido que entra por la fuente se anula por el desfase que crea el trafo.
Lo mas jodido que veo en un montaje de un amplificador de valvulas estoy deacuerdo contigo, es el trafo de alimentacion, el de salida sin embargo te lo puedes apañar con trafos de esos de 220v a 6v y para un push pull un trafo de 220 - 125 - 0, y en el punto central para alimentar con b+, yo esto no lo he probado pero lo han probado varios compañeros como lespaul, carles botia, o J Alberto cardona que siempre estan experimentando con el mundillo de las lamparas.
El trafo de salida si tienes un secundario de 250v por ejemplo sin tap central es ese el rollo, que alimentas los anodos con positivo y los catodos con negativo que este a la vez seria masa, entonces es eso lo que yo te comentaba, que no se podria hacer un clase A.B y controlar con voltaje negativo a reja el flujo de electrones de catodo al anodo, de ahi que esta gente los haga los push pull en clase A, he visto que ponen resistencias de 150r y un condensador en paralelo y con esto ya se autoregula el bias, tambien me dijo negrito que en este tipo de montajes del bias por catodo, se establece para el calculo del ajuste del bias el 90% y no el 60 o el 70% como se haria en el push pull por tener una corriente muy pequeña en reposo, ¿esto seria asi verdad?