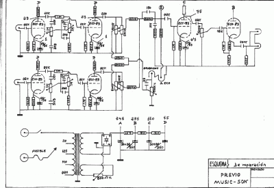
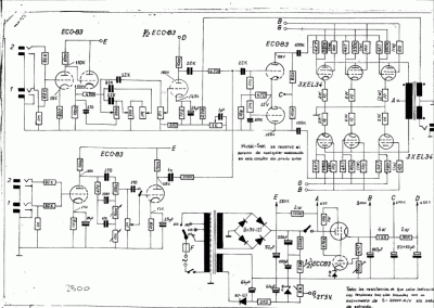
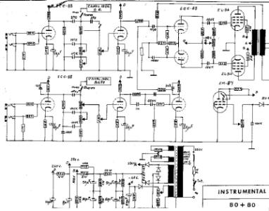
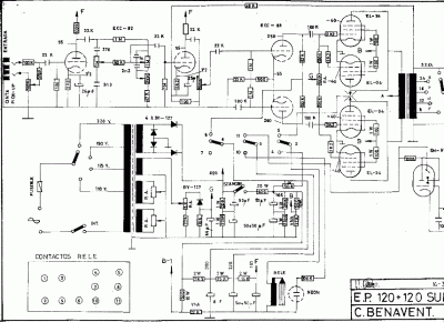
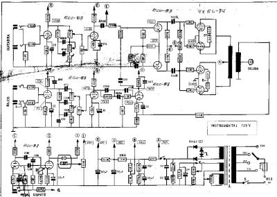
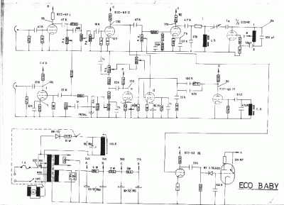
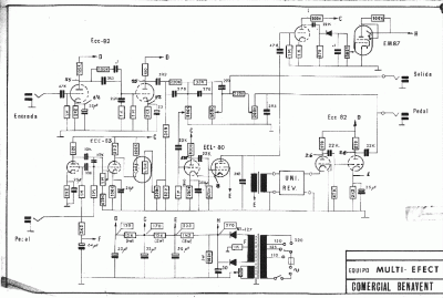
Hola. Aquí subo unos esquemas del fabricante de amplificadores MusicSon. He pedido permiso y me han autorizado a subirlos. Espero que sean de utilidad...
Esquemas electrónicos MusicSon.
Solucionado
OFERTAS Ver todas
-
-17%Harley Benton DNAfx GiT Mobile II
-
-59%Hughes & Kettner Spirit AmpMan Classic
-
-15%Kemper Profiler Player
Solución elegida por el creador del hilo (miguel portillo)
Nuevo post
Regístrate o identifícate para poder postear en este hilo
