¿Dudas con circuito de alimentación ampli valvular?

harpocrates666
por el 19/02/2016
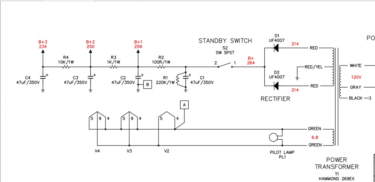
Estoy intentando aprender respecto a la etapa de alimentación de los amplis valvulares, pero me surgen algunas dudas. En el siguiente esquemático:

6cbf17cf724a3e4cd1a58966287e9-2064119.jpg

B+ son 264 volt, pero no sé como se obtienen 264v si dice que en alterna son 214, divido por raíz de 2 los 264 y no me dan los 214 ¿Que se me escapa? ¿esos 214 deberían ser nivel eficaz o pico? igual sea pico o RMS no entiendo por qué resultan 264 volt.

A parte de eso quiero calcular B+1; B+2 y B+3, si B+ son 264v en R2 están cayendo 5 volt, en R3 caen 9, pero no tengo muy claro como comprobar esos valores mediante cálculos. Lo que hago es calcular la resistencia equivalente para obtener la corriente, pero en cada nodo se conectan 2 triodos y no sé como influye eso, debo considerarla una resistencia el paralelo? como la determino?

Acá se puede encontrar el esquema completo:

http://www.ax84.com/hioctane.html
OFERTAS EN TIENDAS Ver todas
  • -7%
    Harley Benton SC‑Custom III Active VBK
    298 €
    Ver oferta
  • -14%
    Harley Benton SC-Custom III Moritz Yellow
    299 €
    Ver oferta
  • -14%
    Harley Benton SC-Custom III Quilt Midnight
    299 €
    Ver oferta
SEGUNDA MANO EN MERCASONIC Ver todo
  • Guitarra Schecter Banshee 6 fr extreme
    350 €
    Ver
  • Pete Cornish TB-83 ™ Replica
    75 €
    Ver
  • Fender FA-125CE electroacústica + funda
    169 €
    Ver
¿Tienes equipo que ya no usas? Véndelo en Mercasonic
despista2
por el 20/02/2016
Obviamente son valores RMS, pero habría que ver en qué condiciones están medidos. Apostaría a que la tensión en el secundario del trafo se ha tomado sin carga, de lo contrario no cuadran los valores que da Hammond: 380V@71mA para una tensión de 115V en primario, que equivaldrían a unos 396V a 120V de primario, no a los 428 que mencionan. Esos 32V de diferencia se corresponderían a algo más de 200Ω de resistencia por cada devanado del secundario. Si aceptamos unos 200Vrms por devanado en el secundario con carga, la tensión de pico serían unos 281V restando ya la barrera de potencial de los diodos, luego la diferencia con la tensión medida (264Vrms) son rizado, que serían casi 34Vpp... Unos 12Vrms. Puede parecer mucho (y de hecho lo es), pero en el primer paso RC del filtro tenemos una resistencia de 100Ω seguida de un condensado de 47µF. La reactancia del condensador a los 120Hz del rizado son unos 28Ω, así que el rizado en B+1 se nos queda en unos 2.6Vpp. Sigue siendo mucho, pero de ahí sólo sacamos la tensión de placa de la válvula de potencia, y ahí apenas influye el rizado; influye muchísimo más en la tensión de G2, y ahí, tras pasar por el siguiente paso RC del filtro, sólo nos quedan unos 70mVrms de rizado; y tras el último paso RC, en B+3 sólo nos quedarían unos 190µVrms de rizado.
"harpocrates666" escribió:
A parte de eso quiero calcular B+1; B+2 y B+3, si B+ son 264v en R2 están cayendo 5 volt, en R3 caen 9, pero no tengo muy claro como comprobar esos valores mediante cálculos.
No entiendo muy bien qué es lo que quieres calcular... Se supone que esos son valores empíricos. Se podrían calcular aproximadamente, con las curvas de trabajo de las válvulas delante; pero no te van a dar resultados muy precisos debido a la tolerancia de las válvulas, a la tolerancia de las resistencias del filtro de alimentación, de las resistencias de placa de cada etapa y, sobre todo, de las resistencias de autopolarización. Esos cálculos te valdrían como aproximación para determinar los valores de resistencia, y luego tendrías que afinarlos tras tomar las medidas reales. En este caso, como ya tenemos medidas reales, vamos a hacerlo al revés para que te hagas una idea de lo que habría que buscar:
En R4 nos caen 16V, que corresponden a una corriente de 1.6mA, que sería el consumo combinado de los dos primeros pasos preamplificadores.
En R3 nos caen 9V, que corresponden a una corriente de 9mA. Restándole los 1.6mA que se nos van por R4, nos quedan 7.4 mA, que serían la suma de las corrientes de placa del paso 3 y el paso seguidor de cátodo, mas la corriente de G2 de la válvula de potencia.
En R2 nos caen 5V, que se corresponden a una corriente de 50mA. Restándole los 9mA que se van por R3, nos quedan 41mA que serían la corriente de placa de la válvula de potencia.
De todas formas, los valores de tensión que aparecen en el esquema sólo valen para compararlos con el que hagamos y asegurarnos de que no hay algo que va tremendamente mal en nuestro montaje; porque si seguimos haciendo cálculos, vemos que las cosas no cuadran demasiado bien. Veamos:
En R23 nos caen 69V, que se corresponden a una corriente de 0.69mA. En R18 nos caen 95V, que se corresponden a una corriente de 0.95mA. Bien, ahí tenemos de manera bastante precisa los 1.6mA de B+3.
Por R14 se nos van 1.29mA. Por R11 se nos van 1.30mA y por R7 se nos van 4mA. En total unos 6.6mA por B+2 en lugar de los 7.4 que habíamos calculado antes.
Por último, por R9 se nos van 50.9mA de corriente de cátodo, que si le restamos los 4mA de corriente de G2 nos quedan casi 46mA de corriente de placa en lugar de los 41mA que habíamos calculado en función de las caídas de tensión en las resistencias del filtro de la fuente. Esto es por dos razones: Las tolerancias de las resistencias, y los errores de medida. Los 250V de B+2 pueden ser lo mismo 250.83 redondeados hacia abajo, que 249.17 redondeados hacia arriba; y habría que ver si, en el momento exacto en que los midieron, la tensión de red eran 120V justos, o si habían subido a 124 ó bajado a 118; así que no habría que darles más valor que, simplemente, comparar con nuestro montaje y, si encontramos 243V darlo por bueno, o determinar qué está fallando si encontramos 218V ó 280V.
2 respuestas directas
despista2
por el 20/02/2016
despista2 escribió:
La reactancia del condensador a los 120Hz del rizado son unos 28Ω, así que el rizado en B+1 se nos queda en unos 2.6Vpp.
Perdón, se me ha ido el dedo. Serían 2.6Vrms, no de pico.
harpocrates666
por el 20/02/2016
Excelente, muchas gracias despista2.

despista2 escribió:
No entiendo muy bien qué es lo que quieres calcular...


Quiero hacer mi propio diseño, por eso estaba intentando corroborar los valores que aparecen en ese esquema matemáticamente para entender que es lo que ocurre.

Bueno, te agradezco nuevamente aunque no entendí mucho la verdad, :mrgreen: voy a intentar traspasarlo a un diagrama y calcularlo para ver si me van dando los mismos valores, como te digo la idea es aprender la metodología y sacar conclusiones para luego poder hacer mi propio diseño, o si tu consideras que no es la mejor forma de entender el circuito quedo abierto a sugerencias.

Saludos, nos hablamos.
Nuevo post

Regístrate o para poder postear en este hilo