Hola a todos,
Me estoy metiendo hasta la cocina (solo por hobby) en el mundo de los Amplis valvulares, y de forma autodidacta me estoy empapando de ideas, conceptos, esquemas, artículos en webs, libros . etc...
y si, estoy aprendiendo bastante sobre los conceptos básicos de un ampli valvular, pero aun me falta muuuuuuuucho, pero muuuuucho para conocer y entenderlo todo bien.
Eso no quita, que mi mente inquieta no quiera conocer mas sobre este mundo y obviamnte NO me rindo, pero necesito alguna ayuda, y algunos consejos sobre ciertas cosas que no logro entender.
compre un ampli valvular, normalito, para poder empezar a trastear, ...y en eso estoy.
Estoy "intentando" mejorar el tono, la dinámica, la respuesta y los 2 canales de crunch y lead del ampli.
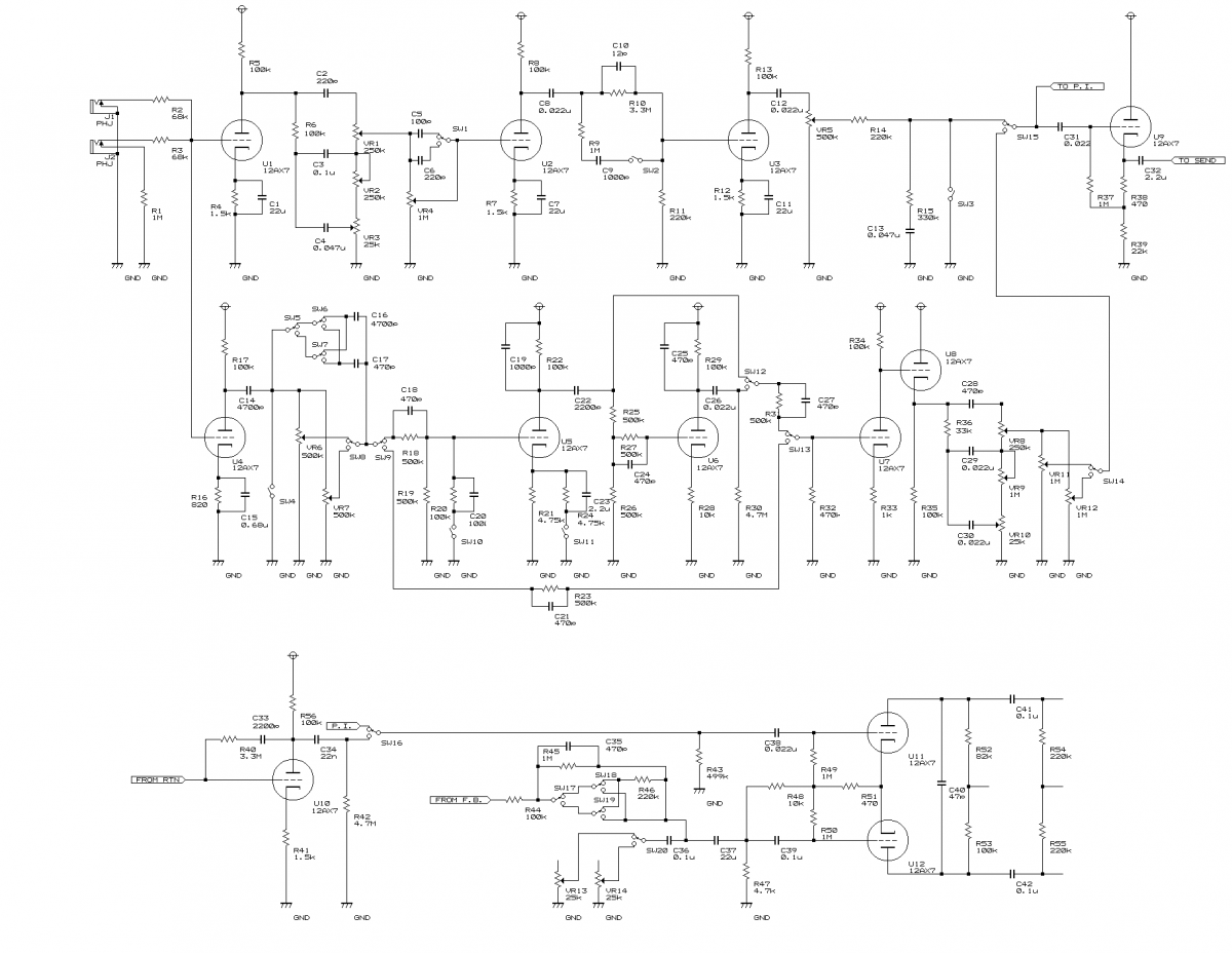
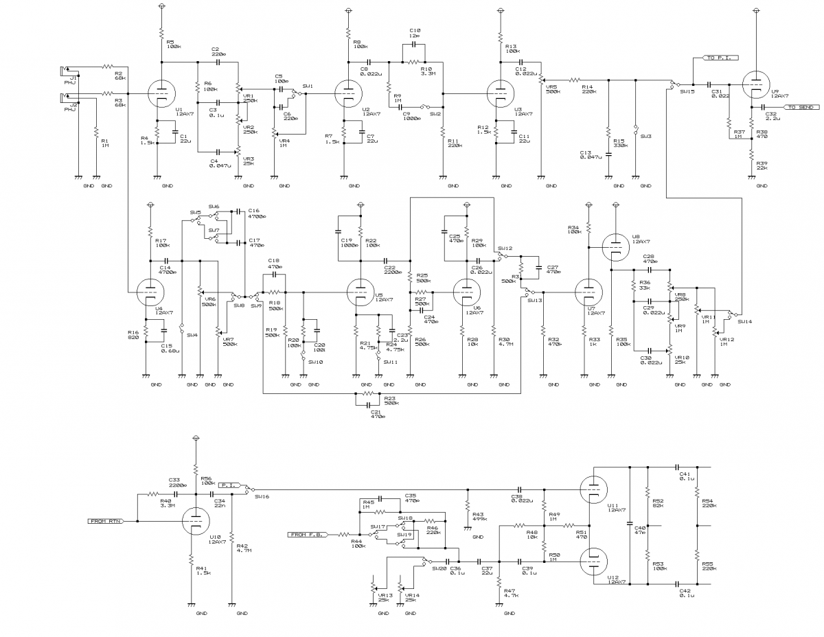
es un Sinmarc G50r (basado en un ENGL Thunder), pero con ciertas modificaciones, que a base de horas y horas, he trazado parte del circuito y lo he sobreescrito (puesto que NO hay esquemas oficiales , ni extraoficiales de el).
de momento he llegado a trazar (partiendo del circuito del ENGL) este esquema y con estos valores del sinmarc G50:
Previo:
https://drive.google.com/open?id=1s3o-bfKTRCANck7PWWLbk-N9ywUpToro
[ Imagen externa no disponible ]
Loop + inversora + potencia:
https://drive.google.com/open?id=17ZaFRJJ1XwcrNoE1jNpgXU26LQXyHWWu
[ Imagen externa no disponible ]
En Rojo, los valores que son distintos a los del ENGL Thunder,
En Azul, las Mods que he hecho hasta ahora.
* Switch Mod de FAT, para negordar el sonido, puesto que por alguna razón lo notaba falto de grabes y un poco "esteril" en limpio.
* Pote de presencia. y eliminación de resistencias en esa zona. (basandome en otros esquemas de famosos amplis).
* switch de brillo con 3 posiciones ON-OFF-ON
* condensador en la inversora de 47p entre patillas 1 y 6 (también basándome en famosos esquemas de amplis)
... y de momento (y solo de momento) nada mas.
he leido articulos muy ilustrativos y curioso como estos:
https://robrobinette.com/Tube_Guitar_Amp_Overdrive.htm#What_is_Distortion_and_Overdrive
http://tone-lizard.com/modifications/
pero estoy ahora mismo en un punto del que no soy capaz de avanzar, obviamente por mi falta de conocimientos.
El tema es que me gustaría hacer algunas MODs que me permitieran hacer cosas (no a nivel de tono), si no a nivel de ganancia, y en este punto no avanzo.
he probado muchas cosas, basándome en otros esquemas de amplis, intento clonar valores de ortos amplis, pero nada.
intento cambiar valores de la resistencia de cátodo, alternando entre 1K , 38K 10K , y no obtengo nada mas que una especia de "saturación" por colapsamiento de la válvula.

Intento cambiar la reistencia de la plate de 100K por otros valores en la 2ª valvula , (como en otros amplis) y nada,
intento añadir alguna mod que he visto, por ejemplo en mesa boogie , como por ejemplo estas:

he probado tambien varios mods de clipping...
pero sin exito (supongo que devido al pote de gain que gain que hay enrte las 2 etapas de la primera válvula, (...o no) no lo se, pero el clipping tampoco me ha funcionado, al menos los 3 o 4 que he probado.
Y alguna mas.... pero insito, sin una cambio ABSULUTAMENTE perceptible en el sonido.
porque??? no lo se, una vez un buen compañero del foro que me está ayudando mucho, me dijo que un ampli valvular, no es solo una parte , o unos valores, un ampli valvular es como un "TODO" y asi de debe tratar, no solo por fases o partes. que una cosa que puedas modificar al principio puede afectar al final (o viceversa).
bueno, dicho esto... y despues de la chapa que acabo de soltar.
alguien podria decirme si se le ocurre algun tipo de MOD para el canal "CRUNCH" Y/O "LEAD" para este ampli???
basicamente me estaba fijando (e intentando) imitar en la medida de la posible el esquema del bogner ecstasy (o el SLO100),
soy un fan enamorando del canal BLUE del ecstasy, y del sustain y pegada del SLO100
pero obviemente, pasan 2 cosas:
1º . me faltan valvulas para encadenarlas.
2º . no tengo los suficientes conocimientos para hacerlo.
Alguna sujerencia o consejo????
estos son los esquemas que intentaba "emular" o "imitar" sin acercarme ni al 1% de mis intenciones y fracasando una y otra vez.
esquema del bogner:



https://guitar-gear.ru/forum/index.php?app=core&module=attach§ion=attach&attach_rel_module=post&attach_id=16972
esquema del SLO100:

si alguien me puede echar un cable y proponerme alguna MOD para los canales de Crunch y/o lead que valga la pena, o alguna otra mod "en general" que valga la pena implementar,
se lo agradeceré mucho.
Me estoy metiendo hasta la cocina (solo por hobby) en el mundo de los Amplis valvulares, y de forma autodidacta me estoy empapando de ideas, conceptos, esquemas, artículos en webs, libros . etc...
y si, estoy aprendiendo bastante sobre los conceptos básicos de un ampli valvular, pero aun me falta muuuuuuuucho, pero muuuuucho para conocer y entenderlo todo bien.
Eso no quita, que mi mente inquieta no quiera conocer mas sobre este mundo y obviamnte NO me rindo, pero necesito alguna ayuda, y algunos consejos sobre ciertas cosas que no logro entender.
compre un ampli valvular, normalito, para poder empezar a trastear, ...y en eso estoy.
Estoy "intentando" mejorar el tono, la dinámica, la respuesta y los 2 canales de crunch y lead del ampli.
es un Sinmarc G50r (basado en un ENGL Thunder), pero con ciertas modificaciones, que a base de horas y horas, he trazado parte del circuito y lo he sobreescrito (puesto que NO hay esquemas oficiales , ni extraoficiales de el).
de momento he llegado a trazar (partiendo del circuito del ENGL) este esquema y con estos valores del sinmarc G50:
Previo:
https://drive.google.com/open?id=1s3o-bfKTRCANck7PWWLbk-N9ywUpToro
[ Imagen externa no disponible ]
Loop + inversora + potencia:
https://drive.google.com/open?id=17ZaFRJJ1XwcrNoE1jNpgXU26LQXyHWWu
[ Imagen externa no disponible ]
En Rojo, los valores que son distintos a los del ENGL Thunder,
En Azul, las Mods que he hecho hasta ahora.
* Switch Mod de FAT, para negordar el sonido, puesto que por alguna razón lo notaba falto de grabes y un poco "esteril" en limpio.
* Pote de presencia. y eliminación de resistencias en esa zona. (basandome en otros esquemas de famosos amplis).
* switch de brillo con 3 posiciones ON-OFF-ON
* condensador en la inversora de 47p entre patillas 1 y 6 (también basándome en famosos esquemas de amplis)
... y de momento (y solo de momento) nada mas.
he leido articulos muy ilustrativos y curioso como estos:
https://robrobinette.com/Tube_Guitar_Amp_Overdrive.htm#What_is_Distortion_and_Overdrive
http://tone-lizard.com/modifications/
pero estoy ahora mismo en un punto del que no soy capaz de avanzar, obviamente por mi falta de conocimientos.
El tema es que me gustaría hacer algunas MODs que me permitieran hacer cosas (no a nivel de tono), si no a nivel de ganancia, y en este punto no avanzo.
he probado muchas cosas, basándome en otros esquemas de amplis, intento clonar valores de ortos amplis, pero nada.
intento cambiar valores de la resistencia de cátodo, alternando entre 1K , 38K 10K , y no obtengo nada mas que una especia de "saturación" por colapsamiento de la válvula.

Intento cambiar la reistencia de la plate de 100K por otros valores en la 2ª valvula , (como en otros amplis) y nada,
intento añadir alguna mod que he visto, por ejemplo en mesa boogie , como por ejemplo estas:

he probado tambien varios mods de clipping...
pero sin exito (supongo que devido al pote de gain que gain que hay enrte las 2 etapas de la primera válvula, (...o no) no lo se, pero el clipping tampoco me ha funcionado, al menos los 3 o 4 que he probado.
Y alguna mas.... pero insito, sin una cambio ABSULUTAMENTE perceptible en el sonido.
porque??? no lo se, una vez un buen compañero del foro que me está ayudando mucho, me dijo que un ampli valvular, no es solo una parte , o unos valores, un ampli valvular es como un "TODO" y asi de debe tratar, no solo por fases o partes. que una cosa que puedas modificar al principio puede afectar al final (o viceversa).
bueno, dicho esto... y despues de la chapa que acabo de soltar.
alguien podria decirme si se le ocurre algun tipo de MOD para el canal "CRUNCH" Y/O "LEAD" para este ampli???
basicamente me estaba fijando (e intentando) imitar en la medida de la posible el esquema del bogner ecstasy (o el SLO100),
soy un fan enamorando del canal BLUE del ecstasy, y del sustain y pegada del SLO100
pero obviemente, pasan 2 cosas:
1º . me faltan valvulas para encadenarlas.
2º . no tengo los suficientes conocimientos para hacerlo.
Alguna sujerencia o consejo????
estos son los esquemas que intentaba "emular" o "imitar" sin acercarme ni al 1% de mis intenciones y fracasando una y otra vez.
esquema del bogner:



https://guitar-gear.ru/forum/index.php?app=core&module=attach§ion=attach&attach_rel_module=post&attach_id=16972
esquema del SLO100:

si alguien me puede echar un cable y proponerme alguna MOD para los canales de Crunch y/o lead que valga la pena, o alguna otra mod "en general" que valga la pena implementar,
se lo agradeceré mucho.
Responder
Citar
