¡Hazte un ampli de valvulas jcm800 de 6w por 20 euros!

lutop
por el 19/12/2022
A la pata 9 de la otra valvula. Si tienes dudas mirate la pcb que ahi esta claro.

Edito: no se si es la pata 9 donde va... en mi caso yo utilice 12ax7, y iba a la pata 9.
OFERTAS EN TIENDAS Ver todas
  • -13%
    Harley Benton Fusion-T HH Roasted FNT
    349 €
    Ver oferta
  • -23%
    Universal Audio UAFX Lion 68 Super Lead Amp
    299 €
    Ver oferta
  • -16%
    NUX NGS-6 Amp Academy
    159 €
    Ver oferta
SEGUNDA MANO EN MERCASONIC Ver todo
  • Varigrip de marca "Planet Waves"
    10 €
    Ver
  • Fender Tom Delonge Artist Series Stratocaster 2004
    950 €
    Ver
  • Gibson Les Paul Junior zurda – Excelente estado
    1.100 €
    Ver
¿Tienes equipo que ya no usas? Véndelo en Mercasonic
fueradetono
por el 19/12/2022
MusiCoder escribió:
la pata 5 de la EL84 ¿Va conectada a tierra o va a la pata 9 de las 6n2p?

Hola musicoder, cuidado con ese diagrama. Si vas a usar 6n2p, la alimentación de filamentos debe ser de 6,3v por lo tanto la pata 5 de la EL84 no va a la pata 9 de las mismas sino a tierra. Una 12ax7 que tiene calentadores de 12v con un tap central, la pata 9, lo que nos permite alimentar los filamentos con 12 o 6 volts.
lutop
por el 19/12/2022
#566

Ya sabia yo que habia algo mas con el cambio de valvulas.... No hagas caso a mi mensaje anterior.
MusiCoder
por el 19/12/2022
OK. Muchas gracias a todos, pero sigo sin aclararme
Voy a dejarlo sin soldar y sigo a ver si alguien me lo aclara
Gracias
Joss
por el 19/12/2022
Me quito el sombrero ante los que os dedicáis a esto de la electrónica. Me gustaría poderme montar un ampli como me monto mis Cigar Box guitars pero me faltan conocimientos y arrojo. Donde hay electricidad de por medio, y más si es a 230V, mejor no probar a ver qué sale.
acamm
por el 19/12/2022
Hola,
Fueradetono lleva razón.
La pata 4 y 5 de la EL84 son los filamentos (f o h), igual que en la 6N2P. La pata 9 de la 6n2p va a masa.
Archivos adjuntos ( para descargar)
Pin.png
fueradetono
por el 19/12/2022
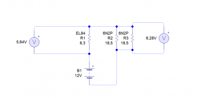
Yo creo que lo más fácil y efectivo en tu caso sería utilizar una alimentación de filamentos de 6,3v y conectar todas las patas 4 y 5 de todas las válvulas en paralelo.
Si quieres usar los 12v de todas formas, deberías conectar en serie los filamentos de la el84 a un paralelo con las patas 4 y 5 de las 6n2p.Te adjunto un diagrama.
Archivos adjuntos ( para descargar)
imagen_2022-12-19_114956579.png
Tonyguitar
por el 23/12/2022
"MusiCoder" escribió:
Buenos días,
Cómo estoy montando el ampli en formato torreta tengo una duda con la pata 5 de la EL84 ¿Va conectada a tierra o va a la pata 9 de las 6n2p?
Es que estoy siguiendo el esquema de placa de torretas y no termino de verlo claro.
Gracias compañeros


Puedes modificar la alimentación de filamentos facil a 12v:


Pones la 6n2p y la el84 filamentos en serie,
La tensión se reparte por igual entre las dos válvulas, siempre que pongas a la 6n2p en paralelo con sus filamentos una 15R o 20R.


Si el montaje llevase 2 valvulas 6n2p y una el84 como el 800, con 12v es mucho más fácil todavía.
Filamentos a 12v esta chupao en AC tanto para 1 válvula, dos válvulas 3 o 4, solo hay que hacer las conexiones como toca.


Para no tener ruidos pones las dos de 1k entre los dos polos de 12vAC, y el centro a,masa.
MusiCoder
por el 24/12/2022
#572 Gracias Tony. Efectivamente tiene dos 6n2p, ya que es el mismo montaje de este hilo, pero en versión placa de torretas que hizo FranCV. Así que es todo igual que en tu PCB.
Además con trafos de alógenos como indicas aquí.
Por cierto, lo que indicas de poner dos resistencias de 1k entre las líneas de 12V ¿Sirve también para tu otro ampli de 5w?
Gracias
MusiCoder
por el 24/12/2022
Por cierto, lanzo una pregunta: ¿Como de complejo es conectar a uno de estos amplis una reverb de muelles? ¿Algún esquema o algún sitio por donde empezar?
Gracias
Tonyguitar
por el 24/12/2022
Si, pon las patas 4 y 5 de cada 6n2p en paralelo, chupa cada una 300mA, al poner en paralelo chupan 600mA las dos juntas.
Ahora, pones en serie con estas la el84 y ya tienes listo el divisor de tension de 6v y 6v en cada una, si quieres te hago un dibujo y te punto las resistencias de 1k.
MusiCoder
por el 06/01/2023
#575 Pues estoy tratando de aclararme pero no lo consigo ¿Podrías hacerme ese esquema por favor?
Sé que en el otro post del preamp tienes una versión con 6n2p pero a la hora de meterla la etapa me pierdo mucho y me gustaría tener un esquema de 6n2p de tu PCB para comparar con el esquema de la placa de torretas y así ver en qué me he equivocado.
Muchas gracias
Nuevo post

Regístrate o para poder postear en este hilo