Por cierto al tolex bien de limpiasalpicaderos de coche y frotar y está quedando bastante aceptable
X
Últimos días
Restauracion Marshall JMP 2203 de 1979
OFERTAS Ver todas
-
-37%IK Multimedia ToneX One
-
-11%Ibanez RGR6BSP-IPT
-
-59%Hughes & Kettner Spirit AmpMan Classic
Esta muy generalizado sustituir Electrolíticos sin necesidad... y nada más lejos de la realidad.
Es una manía de tecnicos aprobechados para no chequear los existentes e ir a lo fácil.
Para mi no hay ningún técnico en España de Marshall como Oscar de Toneamplification en Bilbao. Ya no solo como técnico... es como los hace sonar.... no hay color.. y no solo lo digo yo, tengo amigos de varios sitios de la peninsula que despues de llevar sus Marshall a "tecnicos" de electronica y no estar para nada satisfechos han mandado su Marshall donde Oscar y han visto la luz. Lo recomiendo si vuestro Marshall no suena como deberia,
Y Oscar ... se pone malo cuando ve quitar sin necesidad los Electrolíticos y encima cambiarlos por unos peores.
Luego también... no hay mas que ver a como se venden los antiguos electrolíticos chequeados en Ebay o reverb
Tengo bastantes cabezas JMP de finales de los 60, principios de los 70 y alguno los uso casi todos los dias y muchos bolos... con.sus condensadores electrolíticos originales y suenan increibles.
No los cambieis....si no están rotos.
Es una manía de tecnicos aprobechados para no chequear los existentes e ir a lo fácil.
Para mi no hay ningún técnico en España de Marshall como Oscar de Toneamplification en Bilbao. Ya no solo como técnico... es como los hace sonar.... no hay color.. y no solo lo digo yo, tengo amigos de varios sitios de la peninsula que despues de llevar sus Marshall a "tecnicos" de electronica y no estar para nada satisfechos han mandado su Marshall donde Oscar y han visto la luz. Lo recomiendo si vuestro Marshall no suena como deberia,
Y Oscar ... se pone malo cuando ve quitar sin necesidad los Electrolíticos y encima cambiarlos por unos peores.
Luego también... no hay mas que ver a como se venden los antiguos electrolíticos chequeados en Ebay o reverb
Tengo bastantes cabezas JMP de finales de los 60, principios de los 70 y alguno los uso casi todos los dias y muchos bolos... con.sus condensadores electrolíticos originales y suenan increibles.
No los cambieis....si no están rotos.
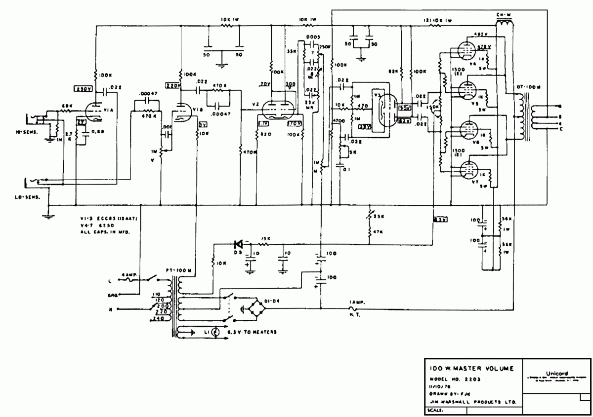
Otra cuestión que lanzó, el mio he visto que tiene el NFB (negativo feedback) cogido de la toma de 8ohms y en los esquemas que miro veo que la mayoría indican de la toma de 4ohms
Cual es la correcta? Porque?
Si alguna de las preguntas os parece que es mejor hacerla creando un hilo aparte comentarlo también, el de los condensadores lo veo candidato, lo de cambiar el tolex pensaba que daría juego pero veo bastante unanimidad
Cual es la correcta? Porque?
Si alguna de las preguntas os parece que es mejor hacerla creando un hilo aparte comentarlo también, el de los condensadores lo veo candidato, lo de cambiar el tolex pensaba que daría juego pero veo bastante unanimidad
Hola Jon,
El cambiar el NFB por el tap de 4, 8 ó 16ohm afecta a la cantidad de feedback que vuelve al amplificador. Con el tap de 4 ohms el amplificador recibe menos tensión de feedback y con el de 16ohm recibe toda la tensión de feedback que el amplificador puede recibir. Esto afecta al tono final: en términos generales: si cambias el tap al de 4 ohms te quedará un amplificador más agudo, si lo pones enel de 16ohms ablandarás esos agudos. No es un cambio trivial, dependiendo de que tap-center pongas has de cambiar la resistencia que va conectada al tap y que regula la tensión y la corriente de feedback.
El original debería estar conectao al tap de 8ohmy la R de NFB debería ser de 100k.
Saludos,
Jaime.
El cambiar el NFB por el tap de 4, 8 ó 16ohm afecta a la cantidad de feedback que vuelve al amplificador. Con el tap de 4 ohms el amplificador recibe menos tensión de feedback y con el de 16ohm recibe toda la tensión de feedback que el amplificador puede recibir. Esto afecta al tono final: en términos generales: si cambias el tap al de 4 ohms te quedará un amplificador más agudo, si lo pones enel de 16ohms ablandarás esos agudos. No es un cambio trivial, dependiendo de que tap-center pongas has de cambiar la resistencia que va conectada al tap y que regula la tensión y la corriente de feedback.
El original debería estar conectao al tap de 8ohmy la R de NFB debería ser de 100k.
Saludos,
Jaime.
Pues por lo que estoy leyendo todas son correctas, parece ser que han cambiado a lo largo del tiempo y no sólo la impedancia también el valor de la resistencia
Por lo que he leído cuanto menor sea la impedancia de donde sacas el feedback menos feedback y menos techo limpio con la resistencia tendré que volver al leer como funciona
O sea que parece ser una cuestión de gustos después de todo.
Recuerdo que al tweed de luxe que me hice le puse un montón de modificaciones seleccionables incluido un selector para poner y quitar el NFB y además poder variar su valor.
De todas las modificaciones era la que más se notaba
Por lo que he leído cuanto menor sea la impedancia de donde sacas el feedback menos feedback y menos techo limpio con la resistencia tendré que volver al leer como funciona
O sea que parece ser una cuestión de gustos después de todo.
Recuerdo que al tweed de luxe que me hice le puse un montón de modificaciones seleccionables incluido un selector para poner y quitar el NFB y además poder variar su valor.
De todas las modificaciones era la que más se notaba
Estaba escribiendo cuando ha entrado tu respuesta Jaime, resulta curioso que algunos indican el de 4 como el estándar y otros el de 8 por lo que estoy viendo el mio que es de 1979 parece ser que era como tu dices, y si afecta como en el tweed es un cambio apreciable.
Creo que seguirá en 8 y comprobaré el valor de la resistencia.
Muchas gracias
Creo que seguirá en 8 y comprobaré el valor de la resistencia.
Muchas gracias
Jaime gracias por el esquema pero ese es de otro tipo de válvulas, no cambia mucho pero el mio tiene EL34, parece ser que el cambio de 4 a 8 se dio en la época que empezaron a montar los de América con estas válvulas y algunos creen que solo era para esas válvulas pero parece ser que en el 77 78 79 se utilizaba el de 8 para las EL34 también. Digo parece porque lo he leído por ahí pero no se si es exacto, si alguien sabe más. .. se agradecería
respecto a los fusibles que me encontré los dos fundidos y uno puenteado me hicieron sospechar que algo estaría mal, hoy he traído unos fusibles nuevos y los he puesto y he encendido el amplificador con todas las válvulas quitadas primero el on off... y no se encendía la luz pero hacia ruido de transformador, compruebo tensiones y parece ser que la luz del interruptor esta rota, alguien sabe si se arreglan o tengo que cambiar todo el interruptor?
el resto bien no ha saltado nada no huele a quemado... bien
conecto el siguiente interruptor y empiezan a cargarse los condensadores, tardan unos 6 minutos en estabilizarse y se paran en 488v el que esta en linea con las valvulas y que creo que alimenta los anodos de los previos y los otros cuatro gordos que creo que son el filtrado de potencia dan 507V los dos superiores y 253V los dos inferiores
no sale humo... vamos bien.
el resto bien no ha saltado nada no huele a quemado... bien
conecto el siguiente interruptor y empiezan a cargarse los condensadores, tardan unos 6 minutos en estabilizarse y se paran en 488v el que esta en linea con las valvulas y que creo que alimenta los anodos de los previos y los otros cuatro gordos que creo que son el filtrado de potencia dan 507V los dos superiores y 253V los dos inferiores
no sale humo... vamos bien.
Nuevo post
Regístrate o identifícate para poder postear en este hilo
