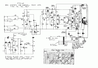
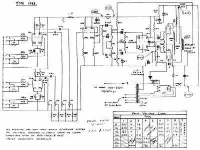
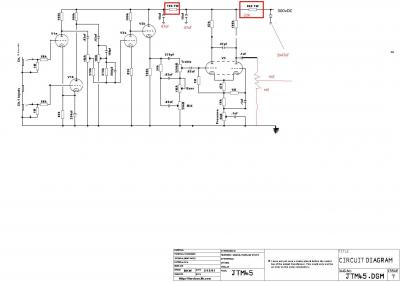
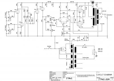
Buenas, el año pasado andaba detras de haber hecho el previo del jtm45, pero desgraciadamente no hay ninguno, he pensado que no debe ser dificil, y que entre todos podemos hacerlo, hoy el compañero bob me ha vuelto a picar con este tema, acabo de hacer algo asi rapido donde he suprimido todo lo relacionado con la etapa de potencia que es lo que no nos interesa, tambien he quitado la alimentacion de los filamentos que es algo que de momento no nos interesa y algunas cosas mas, la idea es alimentarlo con dos trafos de 220v a 12 enfrentados, como se suele hacer con otros previos, unicamente pienso que habria que recalcular el valor de esas dos resistencias que estan en serie con la alimentacion de los anodos, lo he marcado con un recuadro rojo, y bueno, de momento arranco con poca cosa, os dejo una foto del schematic orientativa de como podria mas o menos enfocarse el esquema teorico, luego una vez realizado, llevarlo a un layout y mas tarde a una pcb, hacerla, ponerlo en marcha y una vez en marcha medir tensiones de anodos para comprobar que se alimentan correctamente con respecto a otros previos anteriores, bueno pues eso, que yo no creo que esto sea dificil y pienso que podemos hacerlo y llevarlo a la practica, gracias de antemano por vuestra ayuda, aqui os adjunto los esquemas con los que yo he empezado a plantear el proyecto, las valvulas son 3, podrian ser perfectamente las ecc83 y las 6n2p, serian los dos proyectos identicos menos el detalle de la alimentacion de los filamentos, tambien decir que v2B es un seguidor de catodo, en caso de hacerse con 6n2p habria que añadirle el mismo divisor de tension que le pusimos al jcm800 que hicimos con 6np2, aunque en montajes de 3 valvulas donde hay un triodo en seguidor de catodo es muy facil poner 2 de 6n2p y una ecc83, haces una alimentacion de filamentos de 12v, y alimentas las 6n2p en serie a 12v y la ecc83 a 12v entre la pata 4 y 5.
Los esquemas los he sacado de esta pagina:
http://www.marstran.com/SCHEMATICS.html
si teneis por ahi un esquema mejor del jtm45, ya lo dejais por aqui y lo vamos viendo.
Los esquemas los he sacado de esta pagina:
http://www.marstran.com/SCHEMATICS.html
si teneis por ahi un esquema mejor del jtm45, ya lo dejais por aqui y lo vamos viendo.
2
Responder
Citar
