Buenos días, disculpad estas dudas tan básicas, a ver si me podeis ayudar:
El ampli que estoy montando (VOX AC!5)
tiene el transformador de la imagen.
1- ¿para conectar primario a 220V debo puentear tomas centrales (PIN2 Y PIN3) Y CONECTAR LOS 220v EN PIN1 Y PIN 4?
2- ¿La toma central de los 6,3 V es el BLK (3,3V)?
3- La tierra del conector de alimentación (RED) y toma central del secundario debe conectarse al chasis del ampli al igual que la masa de la circuiteria general incluido central de los 6,3V?
4- ¿Dónde se instalan los interruptores de ON-OFF y STANDBY? ( el no haber hecho nada con válvulas es lo que creo me hace pregunrtar esto, siempre he tenido un solo interruptor antes del primario.
Muchas gracias y disculpad tantas dudas.
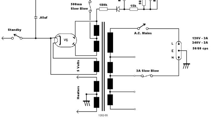
El ampli que estoy montando (VOX AC!5)
tiene el transformador de la imagen.
1- ¿para conectar primario a 220V debo puentear tomas centrales (PIN2 Y PIN3) Y CONECTAR LOS 220v EN PIN1 Y PIN 4?
2- ¿La toma central de los 6,3 V es el BLK (3,3V)?
3- La tierra del conector de alimentación (RED) y toma central del secundario debe conectarse al chasis del ampli al igual que la masa de la circuiteria general incluido central de los 6,3V?
4- ¿Dónde se instalan los interruptores de ON-OFF y STANDBY? ( el no haber hecho nada con válvulas es lo que creo me hace pregunrtar esto, siempre he tenido un solo interruptor antes del primario.
Muchas gracias y disculpad tantas dudas.
Responder
Citar


