¡JCM800 preamp sin ruido por 15€!

classic50s
por el 21/11/2019
Saludos compañeros.
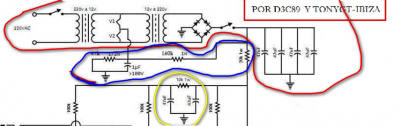
Sobre el esquema del JCM de Tony he resaltado tres zonas. Entiendo que la zona encerrada en la linea roja es la fuente de alimentación propiamente dicha.
Lo que no entiendo es la función de la zona azul. Es un filtro? Veo que coge de los 12 voltios de alterna de entre los dos transformadores ¿Qué función tienen esas dos resistencias y el condensador de 1uF?
Y después la zona amarilla, esos otros dos condensadores de 47uF, a masa los negativos, y entre ellos una resistencia de 10k. Esto ya forma parte del previo? ¿alguienpuede decirme para qué se ponen?
Gracias
Archivos adjuntos ( para descargar)
Duda.png
OFERTAS EN TIENDAS Ver todas
  • -13%
    Orange Super Crush 100 Head
    469 €
    Ver oferta
  • -26%
    Harley Benton Nashville Nylon Natural
    222 €
    Ver oferta
  • -42%
    IK Multimedia ToneX One White Ltd Edition
    118 €
    Ver oferta
SEGUNDA MANO EN MERCASONIC Ver todo
  • Kemper Profiler + Rack + Remote + Funda Remote
    1.150 €
    Ver
  • Argenziano Efetti Replica Gypsy Vibe (Vendo o cambio por cachorro Corgi)
    850 €
    Ver
  • Electro Harmonix Grand Canyon
    170 €
    Ver
¿Tienes equipo que ya no usas? Véndelo en Mercasonic
princi
por el 21/11/2019
Lo de dentro del círculo azul solo es para utilizar el previo con válvulas 6n2p,,, es para elevar la referencia a masa de estas válvulas,,,
Si utilizas otras válvulas lo tienes que sustituir por dos resistencias de 1k
Lo de dentro del círculo amarillo forma parte del previo,,,
dazz
por el 21/11/2019
Yo diría que lo amarillo es parte de la fuente. Es un filtro RC
1 respuesta directa
princi
por el 21/11/2019
En la “zona roja” después d el puente de diodos faltaría una resistencia,,, bien antes de los condensadores ó intercalada según la tensión que necesites para el circuito sería para completar el filtro
1 respuesta directa
princi
por el 21/11/2019
#2919 Como quiere hacer la fuente de alimentación para dos previos,,, es más fácil si no comparte ese filtro, por eso lo decía,,, pero no se,,,
dazz
por el 21/11/2019
#2920 Seguro? Yo lo veo bien. Los cuatro condensadores forman el primer filtro con la resistencia de 20K
princi
por el 21/11/2019
Si incluye la resistencia,,, si
,,,pero es que está fuera del círculo jejej
toni.kt88
por el 21/11/2019
Si quieres hacer una fuente común para los dos previos, la zona amarilla como si fuera del previo y la R de 20K que esta en la zona azul igual.
Lo demás es fuente de alimentación, y tal como te dicen, si utilizas 12AX7 o ECC83, la R de 150K de la zona azul, no la pongas.
Tonyguitar
por el 21/11/2019
en la zona roja con un par de condensadores sobra, eso de poner 4 condensadores fue idea de algun cabeza cuadrada. ¿estamos locos?
lo que esta en amarillo es lo que dice dazz, es el filtro RC del nodo de la primera valvula del previo, lo azul es un divisor de tension para referenciar las 6n2p a una masa elevada+50v, tu si lo haces con las ecc93 pones dos resistencias de 1k en serie entre los dos cables de 6v de los filamentos y el centro donde se juntan las dos resistencias lo llevas a masa.


lo de las 6n2p es por que no soportan mas de 100v de tension de catodo filamento por llevar caldeo en espiral, podrias poner como primera valvula una una 6n2p y como segunda valvula una ecc83, es el seguidor de catodo, el positivo de la fuente va directo a placa y lleva una resistencia en el catodo de un valor muy alto, es un amplificador de corriente, de ahi que con una fuente de 230vAC sobrepasaras de largo y te vas a ir a 140v de tension catodo filamento.


Ese divisor de voltaje permite referenciar los filamentos a una masa elevada 50v+ y eso hara que el seguidor de catodo reste 50v y los otros triodos lo ganen, al final en la practica el resultado siempre era que tenia entre catodo y filamento de cada triodo unos 60 o 70v.
classic50s
por el 22/11/2019
Gracias a todos.
Me sigue pareciendo muy complicado de entender, pero bueno, poco a poco.
La cuestión es que si en lugar de alimentar el caldeo de las válvulas a 12 v, poniéndolas en serie, quisiésemos alimentarlas todas a 6v (con un trafo de salida 6V) poniendo los caldeos en paralelo, también habría que referenciarlas a +50 V verdad?.
Entonces, esa parte azul del circuito habría que dejarla igual.....o no....
Creo que lo mejor va a ser hacer el montaje en placa protoboard e ir midiendo valores. Igual asi lo veo mejor.

Otra cosa. A la sallida del puente rectificador salen unos 300v de continua, pero a la válvula no le metemos 300, sino 200 y pico ¿verdad? ¿Es normal que ese valor baje? ¿a qué es debido?
1 respuesta directa
Tonyguitar
por el 22/11/2019
Si, cuando la valvula conduce baja a 200v o así, es normal.

Y lo del divisor pues es fácil, usas 6n2p, lo pones, usas 12ax7, pones dos resistencias en serie de 1k.
classic50s
por el 22/11/2019
Bien Tony, creo que entiendo que se hace un divisor de tensión entre las resistencias de 150k y la de 47k. Como se parte de unos 200v, nos queda la cuarta parte, 50v que es la "referencia" esa de la que hablas, para elevar los 6v del caldeo con 50v más.
Peeero, ésto sólo se puede hacer cuando tienes dos válvulas, porque vas al punto medio de los dos caldeos, cogiendo el punto medio entre los 12 v de alterna de la salida del trafo..
No veo como hacerlo cuando sólo se tiene una válvula, y la salida del trafo ya es de 6v. O cuando se tienen tres válvulas y un trafo con salida de 18v (es decir un número impar de válvulas).
Habrá que pensar en algo.
saludos
1 respuesta directa
Nuevo post

Regístrate o para poder postear en este hilo