#24 . La Predator es de una gama más baja que todas las que te han recomendado.
X
Últimos días
Guitarras livianas para espalda rota
OFERTAS Ver todas
-
-59%Hughes & Kettner Spirit AmpMan Classic
-
-17%tc electronic JUNE-60 Chorus V2
-
-20%tc electronic Hall of Fame 2
#39
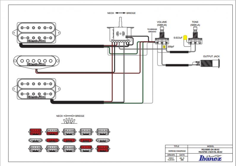
Tengo entendido que si tiene 2 hambuckers . Son 3 posiciones de las selector. Si tiene dos hambuckers y un single coil. Se puede elegir solo la opción de single coil con el selector.
Ahora sí son dos hambuckers más un push pull . Se pueden elegir 6 posiciones. 3 del selector más 3 por el push pull. Osea no es lo mismo.
Zambombaplayer escribió:Si es una Ibanez con dos humbucker y selector de cinco posiciones, el selector hace de push pull automático al cambiar de posición de pastillas.
Tengo entendido que si tiene 2 hambuckers . Son 3 posiciones de las selector. Si tiene dos hambuckers y un single coil. Se puede elegir solo la opción de single coil con el selector.
Ahora sí son dos hambuckers más un push pull . Se pueden elegir 6 posiciones. 3 del selector más 3 por el push pull. Osea no es lo mismo.
Muchas recomendaciones, se agradecen. Me apunto al club de las hernias discales, es una jodienda, la verdad.
Quizás un hilo para compartir cómo hacerlas más llevaderas estaría bien. En mi caso, intento estirar algunas veces a la semana. Pero cada X tiempo, sobretodo al coger peso (10 kilos es suficiente), me quedo clavado... :-(
Quizás un hilo para compartir cómo hacerlas más llevaderas estaría bien. En mi caso, intento estirar algunas veces a la semana. Pero cada X tiempo, sobretodo al coger peso (10 kilos es suficiente), me quedo clavado... :-(
Una marca desconocida, o muy poco conocida, DBZ o Diamond, yo tengo una V que piye en Thomann con un descuento de caer de culo, me salió por 200 y poco, 220 o así, korina, jb/59, puente fijo, la hay también con Floyd, pesa 2,3 kilos es muy finita, y suena muy bien. Creo que Thomann ya no trae esta marca.
También tengo una teleca thinline que pesa poco.
También tengo una teleca thinline que pesa poco.
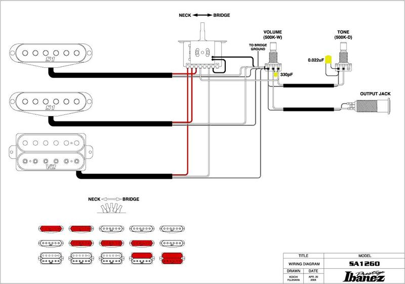
#30 no tienen push pull, pero uno vale 5 €, también tiene el selector de 5 posiciones, que en el caso de la mía, no cambia a single en ninguna de ellas, a mí no me importa especialmente, porque aún me sobran 3,pero vaya, con un diagrama y un soldador puedes tener la configuración que quieras, eso hablando de la mía que es HH, las hay HSH, que no sé qué configuración tendrán. Te paso una foto de perfil
#40
Hola.
Con 2 H y un selector de 5 p.
Puedes tener 5 posiciones , las que te d3 la gana .
La posicion 3 o central, pones la pastilla puente en sigle, en fase, y la del mastil single desfasada . en limpio suena guay....
La otras posiciones, creo que salvando la 1 y 5, puedes hacer lo que quieras ..
También puedes usar una posición para apagar la guitarra, o para ponerla directa al jack..
Lo que se te ocurra.
Si no atinas, escribes aqui y te ayudamos, como a todos.
Ánimo!
Hola.
Con 2 H y un selector de 5 p.
Puedes tener 5 posiciones , las que te d3 la gana .
La posicion 3 o central, pones la pastilla puente en sigle, en fase, y la del mastil single desfasada . en limpio suena guay....
La otras posiciones, creo que salvando la 1 y 5, puedes hacer lo que quieras ..
También puedes usar una posición para apagar la guitarra, o para ponerla directa al jack..
Lo que se te ocurra.
Si no atinas, escribes aqui y te ayudamos, como a todos.
Ánimo!
Nuevo post
Regístrate o identifícate para poder postear en este hilo


