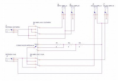
hola amigos tengo un jc90 y un tsa15h. desconectare los parlantes del roland y les hare entrada de jack para usarlo como 2x10 pero deseo usar el overdrive del ibanez con el mismo cab. la idea es de un pedal que me permira conectar ambos cabezales a un solo cab. existe algo asi? se que con un pedal a/b puedo usar mi guitarra en 2 ampli pero no compartir el mismo cab
AYUDA usar 2 amplificadores con 1 solo gabinete
OFERTAS Ver todas
-
-51%Analog Alien Power Pack
-
-52%Hughes&Kettner Spirit AmpMan Modern
-
-17%tc electronic JUNE-60 Chorus V2
Nuevo post
Regístrate o identifícate para poder postear en este hilo
