Muy buenas
Os cuento... el párroco de un pueblo me dio hace poco un aparato que tenia muerto de asco en la iglesia. Segun el lo utilizo hace años como amplificador y mesa para sacar coros, pero cambio el equipo por algo mas moderno.
Sabe que a mi me gustan estos cacharro y me dijo que llevaba " lamparitas " .
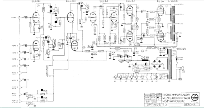
El tema es que lo abrí el otro día y las lamparitas son las siguientes:
Buscando un poco por internet he alucinado con los precios... bien es verdad que una cosa es lo que se pide y otra lo que se vende, pero el caso es que son valvulas con muchos años.
Sin embargo del aparato no aparecen casi referencias, aunque por lo poco que he encontrado parece ser de los años 60´s
He visto también que tiene varios condensadores " BIANCHI", yo de esa marca solo conocía las bicicletas...
Puedo comprobar que las valvulas funcionen de alguna manera sin cargarme mis amplis? merece la pena que me quede los componentes para chapuzear o pongo el aparato entero a la venta a ver si me dan algo?
Os cuento... el párroco de un pueblo me dio hace poco un aparato que tenia muerto de asco en la iglesia. Segun el lo utilizo hace años como amplificador y mesa para sacar coros, pero cambio el equipo por algo mas moderno.
Sabe que a mi me gustan estos cacharro y me dijo que llevaba " lamparitas " .
El tema es que lo abrí el otro día y las lamparitas son las siguientes:
Buscando un poco por internet he alucinado con los precios... bien es verdad que una cosa es lo que se pide y otra lo que se vende, pero el caso es que son valvulas con muchos años.
Sin embargo del aparato no aparecen casi referencias, aunque por lo poco que he encontrado parece ser de los años 60´s
He visto también que tiene varios condensadores " BIANCHI", yo de esa marca solo conocía las bicicletas...
Puedo comprobar que las valvulas funcionen de alguna manera sin cargarme mis amplis? merece la pena que me quede los componentes para chapuzear o pongo el aparato entero a la venta a ver si me dan algo?
1
Responder
Citar
