Bueno , he estado por cambiar así de una vez los diodos del puente rectificador pero me entran dudas.
Amplificado ,
Vox Tony bruno
35 watts , 4 válvulas 6v6
Aprox 10 años de edad
Cambié caps electrolíticos y potes
Síntomas
Empezó a escucharse como si una valviula estuviera mal, ruidos de aire de soplar.
Revise y nada ,
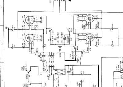
Vuelvo a conectar , se quema la resistencia de 470 ohms y 1 watt de la primera válvula de potencia , desmonto reviso la placa ambos lados y na. Cambió la resistencia .
Vuelvo. Conectar chispa apago inmediatamente . No humo no huele a quemado .
Los capacitores se ven bien , no abultados, ni dañados , los fusibles están bien , son correctos sus valores, no se ven daños en el trazo de la pista de la placa. Pero parece que ocurrió un arco entre el holder de un fusible y d4. La resistencia nueva no se quemó .
hace tres o menos años cambié capacitores electrolíticos de otro amplificador y empecé a escuchar ruidos parecidos gracias al foro y a Pedro supe que era el puente rectificador lo cambié y listo .
No tengo para medir los capacitores solo verifiqué continuidad y no tienen ,
Los diodos bueno siguen en la placa igual medí resistencia no sé si de algo sirva ,
3.48 M D1 , 3.78M D2 , 3.66 M D3 , y 3.52 M D4 que es donde aparece algo quemado .
Solo tengo ultra fast 4007 para remplazo 1 A 1000 v estos servirían?
No sé si los datos o si lo que he escrito funcione como dato pero ahora tengo el temor de que al prenderlo para hacer mediciones se queme otro componente
La resistencia se quemó teniendo tanto el standby prendido y la chispa teniendo apagado .
Gracias !!!!
Amplificado ,
Vox Tony bruno
35 watts , 4 válvulas 6v6
Aprox 10 años de edad
Cambié caps electrolíticos y potes
Síntomas
Empezó a escucharse como si una valviula estuviera mal, ruidos de aire de soplar.
Revise y nada ,
Vuelvo a conectar , se quema la resistencia de 470 ohms y 1 watt de la primera válvula de potencia , desmonto reviso la placa ambos lados y na. Cambió la resistencia .
Vuelvo. Conectar chispa apago inmediatamente . No humo no huele a quemado .
Los capacitores se ven bien , no abultados, ni dañados , los fusibles están bien , son correctos sus valores, no se ven daños en el trazo de la pista de la placa. Pero parece que ocurrió un arco entre el holder de un fusible y d4. La resistencia nueva no se quemó .
hace tres o menos años cambié capacitores electrolíticos de otro amplificador y empecé a escuchar ruidos parecidos gracias al foro y a Pedro supe que era el puente rectificador lo cambié y listo .
No tengo para medir los capacitores solo verifiqué continuidad y no tienen ,
Los diodos bueno siguen en la placa igual medí resistencia no sé si de algo sirva ,
3.48 M D1 , 3.78M D2 , 3.66 M D3 , y 3.52 M D4 que es donde aparece algo quemado .
Solo tengo ultra fast 4007 para remplazo 1 A 1000 v estos servirían?
No sé si los datos o si lo que he escrito funcione como dato pero ahora tengo el temor de que al prenderlo para hacer mediciones se queme otro componente
La resistencia se quemó teniendo tanto el standby prendido y la chispa teniendo apagado .
Gracias !!!!
Responder
Citar
