Nuevo VALVULERO 50W - esto se está animando -

Manlopsan
por el 09/02/2012
Que chulada!!!

Muestras de sonido???

Un saludo.
OFERTAS EN TIENDAS Ver todas
  • -11%
    Harley Benton Agufish STD Signature BK
    399 €
    Ver oferta
  • -13%
    Harley Benton Fusion-T HH Roasted FNT
    349 €
    Ver oferta
  • -18%
    tc electronic 2290 P Dynamic Delay
    204 €
    Ver oferta
SEGUNDA MANO EN MERCASONIC Ver todo
  • Bygone Tiny Deluxe Ed Especial
    999 €
    Ver
  • Wampler pinnacle
    100 €
    Ver
  • Ronciswall Miasma 7 STD 2022 (7 cuerdas luthier italiano Gabriele Ronci)
    1.850 €
    Ver
¿Tienes equipo que ya no usas? Véndelo en Mercasonic
stringer
por el 10/02/2012
Hola, te respondo rápido porque aunque estoy preparando la docu electrónica, ésta puede demorarse.

Primero, en cuanto al esquema básico, efectivamente es el clásico del JCM800 2204 que emplea también Ceriatone, pero como bien dices con algunas variaciones sin la menor relevancia.

Mas parecido o igual sería esta propuesta de Triode. http://site.triodestore.com/JCM8002204V.2NEW.pdf

Puedes empezar adquiriendo los componentes sin ningún problema y vas adelantando tiempo, ya que como digo las variaciones sobre el de Ceriatone o el de Triode son insignificantes y nunca implican a ningún componente de importancia.

En cuanto a los trafos, los que yo he instalado los adquirí en Triode USA. Son muy serios y profesionales. http://www.triodeelectronics.com/classictone.html

Os dejo los Pdf´s con los datos de los mismos, por si queréis usar éstos, si bien axiste una gran oferta de trafos de otras marcas para este clásico Ampli. (Mercury, Hammond, etc.) pero eso ya es cuestión de gustos y de la economía de cada uno.

De todas las formas dadme un respiro y en cuanto pueda, postearé como dije, el resto con la Docu Electrónica.

Salud y tiempo..
Archivos adjuntos ( para descargar)
📄 POWER TRAFO 40-18023_Rev_A.pdf
Inicia sesión para ver este archivo
📄 OUTPUT TRAFO 40-18025.pdf
Inicia sesión para ver este archivo
📄 CHOKE 40-18032.pdf
Inicia sesión para ver este archivo
juanmito
por el 13/02/2012
Mil gracias Stringer.
No tengas problema con el tiempo, ya que, al final, estos son proyectos que se hacen por superación personal, hobby o lo que quieras, pero no por necesidad ;).

Me ha venido de lujo la página de triodeelectronics.com. Veo que los trafos están mas baratos que en otros sitios. Por curiosidad, los gastos de envio, por cuanto te salieron?

Un saludo y gracias!
stringer
por el 13/02/2012
Hola Juanmito, efectivamente los trafos están muy bien de precio y de calidad también, te lo aseguro.

Fué curioso que los gastos de envío (con los tres incluídos) salían sobre 90€, pero hice una consulta previa por Email sobre este tema y me lo dejaron definitivamente en 65.95$ que sumado al precio de los tres trafos 137.10$ daba un total de 203.05$.

Si lo conviertes a Euros verás que salen muy bien.

Buenas Noches...
stringer
por el 27/02/2012
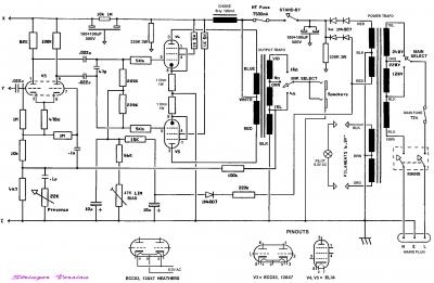
Hola de nuevo: Como ya comentamos, os traigo el resto de la documentación prometida con los esquemas electrónicos y los planos de cableado del amplificador.
Como podéis observar son los esquemas clásicos de JCM800 de 50W que se encuentran abundantemente por la red, en muchos casos con variantes más o menos importantes.
Yo lo he realizado tal cual os lo presento, he añadido alguna cosilla que dejo reflejada en el esquema electrónico, como la incorporación de Resistencias de cátodo en los Péntodos, a bien de facilitar la medida de la corriente a la hora de realizar el ajuste de BIAS, aún cuando ésta puede ser hecha por otros métodos diferentes, mas o menos prácticos, (medida en trafo, empleo de BiasMaster, etc).
También he colocado unas resistencias de descarga para la línea de HT (220K-3W) que se pueden soldar en los mismos terminales de los Electrolíticos, no son de obligada instalación, pero ayudan a descargar estos Condensadores cuando se ha apagado el Ampli., añadiendo una seguridad barata ante nuestros inevitables descuidos.
Como es lógico, toda la circuitería es propensa a los mods que a cada cual se le ocurran, bien por una necesidad específica o por el mero hecho de experimentar nuevas alternativas.

En primer lugar os dejo una foto y un gráfico de la placa donde se soportan los componentes pasivos como resistencias, condensadores, diodos, etc.

[ Imagen externa no disponible ]

[ Imagen externa no disponible ]

Este es el plano de cableado muy cómodo y gráfico, tomado de TriodeElectronics, donde también se especifica detalladamente el procedimiento a seguir para calcular, medir y ajustar la corriente de BIAS.

[ Imagen externa no disponible ]

http://imageshack.us/photo/my-images/832/jcm8002204cableado.pdf/

Aquí están los esquemas electrónicos, primero el del previo y por último el de la etapa de potencia clase AB (pushpull) con la sección de alimentación, tambiénos dejo una imagen de los trafos, por si a alguien le interesa.

[ Imagen externa no disponible ]

[ Imagen externa no disponible ]

Si me permitís, os recomendaría emplear componentes de calidad, (ej. Condensadores de 0.022, 0.1 y 0.68uF - MKT de 650V), los de baja capacidad (100pF, 470Pf, 1n) de mica de 1000V. y resistencias de 1/2W siempre que no se especifique otra cosa, sed generosos con la potencia de éstas, en algunos casos es aconsejable colocar algunas de éstas(10k/1W) de más potencia de la indicada, pues aumentamos el nivel de seguridad.
Tampoco debemos ser cicateros a la hora de elegir una buena marca de potenciómetros, así como los conjuntos zócalos/válvulas, ya que éstos son los componentes sometidos a más estrés y donde se dan los más altos índices de fallos, ruidos, etc.
Nos podríamos extender en mil y un detalles, que pasarían desde el cableado trenzado de filamentos hasta la idoneidad de la localización de las conexiones de masa.
Para los menos versados o experimentados en estos montajes, les recomendaría fijarse detenidamente en el gráfico de cableado, el cual sugiere muy buenas soluciones en lo referente a la distribución y ejecución del conexionado, tema éste muy importante en previos con ganancias importantes, donde cualquier mala praxis en el mismo da al traste con todo el montaje, introduciendo ruidos, zumbidos y acoplamientos.
No me quedaría tranquilo sin antes advertir a todo aquel que se decida a “enredar” con éstos circuitos a válvulas, de la necesidad de tomar siempre las precauciones más estrictas a bien de evitar posibles accidentes, bien térmicos o por descargas eléctricas, ya que tanto las temperaturas como las tensiones a que están sometidos elementos como las válvulas, condensadores y demás componentes pueden ser graves si no letales .
RECORDAD: Siempre antes de realizar cualquier trabajo, debemos asegurarnos de que el equipo está desconectado de la red y asimismo que los condensadores electrolíticos de filtro están descargados, sin olvidar que las válvulas pueden estar a temperaturas “intocables”.
En fin, quedo a vuestra disposición para lo que os pueda ayudar dentro de mis posibilidades, procuraré no desatender el hilo y pasarme por el foro con la frecuencia que mi escaso tiempo me permita, ánimo y al toro!.
Saludd…

Por si algo no funciona, a continuación os adjunto todas las imágenes.
Archivos adjuntos ( para descargar)
Pcb.jpg
pcb2.jpg
Trafos.jpg
JCM800 - 2204  PreAmp.jpg
JCM800 - 2204 Power.jpg
📄 JCM8002204_cableado.pdf
Inicia sesión para ver este archivo
rayito
por el 04/03/2012
Entiendo, compañero, que esta es la placa ya mecanizada para este mismo proyecto:

http://www.ebay.es/itm/JTM45-replacement-chassis-front-rear-plates-/260954631106?pt=UK_Consumer_VintageAudio_RL&hash=item3cc21babc2

¿qué tienda recomiendas para comprar los componentes electrónicos? Te lo pregunto porque me interesa mucho el proyecto y me parece un reto muy apetecible el montarlo. ¿Y para comprar el trolex? Muchas gracias por todo de antemano
stringer
por el 04/03/2012
Hola rayito, si te fijas bien verás que el Ampli del proyecto que sugiero (JCM800) solo incorpora dos inputs, uno de baja y otro de alta sensibilidad y el que tu nos indicas es para las series JTM45, que dispone de 4 inputs por lo que no se ajusta al presentado.

Mírate esta página donde yo he comprado alguno, tienen unos cuantos standard para varios modelos de Marshall entre otros y también te los fabrican a tu medida según comente anteriormente en este hilo.
http://modulusamplification.com/JCM800-STYLE-FRONT-FACEPLATE-P2155310.aspx

Ahí mismo disponen de todo tipo de componentes que puedas necesitar, yo compro en muchas tiendas como èsta, ej. NEWOLDSOUNDS, TUBE-TOWN, THE TUBE AMP DOCTOR etc.

El tolex puedes comprarlo en infinidad de tiendas online por ejemplo en españa, http://www.amptek-es.com/index.php?lang=0&aptd=99

De todas las formas estas son mis preferencias, tu busca y ya sabes si encuentras algo mejor pues eso....... y nos lo cuentas.

Salud...
rayito
por el 04/03/2012
Cierto. yo te preguntaba más por el chasis, por estar mecanizado, pero ahora que veo los anuncios del tipo, creo que el modelo que usaste, por lo que veo, ya no lo tiene a la venta... Imagino que lo volverá a colgar en unos días.

http://www.ebay.es/sch/steves025uk/m.html?_trkparms=65%253A12%257C66%253A1%257C39%253A1%257C72%253A1229&rt=nc&_ipg=50&_trksid=p3911.c0.m14.l1514
Antonio Guerrero
por el 04/03/2012
Admiro a los que sois capaces de hacer esto! yo no sabría ni por donde empezar. Estaría guay escucharlo!

Saludos
stringer
por el 05/03/2012
Hola de nuevo, rayito efectivamente el chasis que yo empleé para este proyecto no se ofrece en el enlace que nos muestras.

Las medidas del que yo adquirí están en la docummentación en .pdf que adjunté.

Estoy seguro que si te pones en contacto con el vendedor te lo podrá suministrar, ya que los fabrica él presonalmente (al menos eso creo).

Yo lo adquirí en blanco y todo el mecanizado lo hice personalmente, dado que de esta manera te aseguras la correcta integración de los componentes de que dispones en tu caso particular como trafos etc.

De todas las maneras hay mas tiendas online de las que ya te comenté que también los venden, casi siempre en acero y eso sí, algo mas caros.

La otra opción que no debemos descartar es la de mandarlo hacer a un taller de cerrajería, donde dispongan de plegadora, ya que este chasis no tiene mayores complicaciones constructivas.

Yo me decantaría por la primera sugerencia, pero en fin ya nos contarás.

Salud...
bestron
por el 08/03/2012
cojonudo tío, te ha quedado de escándalo y el cableado limpio limpio, de pro :brindis: pedazo de artista, de verdad que da gusto leer posts así !!

los chasis ahora se encuentran fácil por ebay (en inglaterra hay un pollo que siempre tiene para marshalls 18w y tipo JTM45) aunque la opción de que te lo hagan desde cero es más barata, pero para mi gusto mucho más curro y engorro :mrgreen:

qué tal van los trafos de Triode? yo tengo un par y me gustan bastante (me coló uno el de Mission Amps pero con final feliz porque el cacharro sonaba)

hace poco estuve a punto de meterme en un 1987x de Triode porque los gastos de envío están muy bien y parece que la calidad general está de puta madre, pero me lié la manta a la cabeza con un Java de weber :guitarrista:

lo dicho, cojonudo el post por las fotos y toda la documentación, enhorabuena :brindis:
rayito
por el 09/03/2012
Stringer, he visto en los planos de la parte frontal del mueble que pone "Listón". ¿dónde va esa parte? es que no lo entiendo en el plano (debo ser un poco torpe) y la segunda pregunta ¿quñe herramienta utilizas para el fresado de los canales para el cordón dorado?
Nuevo post

Regístrate o para poder postear en este hilo