Montajes de varios bias tester para EL84 - 6L6 y EL34 ¡hazte uno!

negrito
por el 24/04/2019
TonyGT-Ibiza escribió:
Gracias compa, ¿te refieres a los filtros esos que me comentabas que se colocaba un condensador en paralelo con el primario?

Recuerdo que me comentabas que era muy tipico en equipos de HIFI, realmente hasta donde me estuviste comentando recuerdo que esto lo que hacia tambien era matar las altas frecuencias, se cargaba los agudos y que se ponia en serie con una resistencia para no eliminar demasiados agudos.

En realidad el conjunto cap en serie con el resistor conforman un filtro que (si los valores son calculados correctamente) hacen que las valvulas de potencia vean una carga relativamente constante en todo el rango de frecuencias.
O sea hace que el amp tenga una respuesta mas pareja en todo el rango de frecuencias mejorando principalmente la ganancia en frecuencias medias y altas.
Esto se aplica a amps sin realimentacion negativa en la etapa de potencia.
OFERTAS EN TIENDAS Ver todas
  • -11%
    Harley Benton Agufish STD Signature BK
    399 €
    Ver oferta
  • -59%
    Hughes & Kettner Spirit AmpMan Classic
    145 €
    Ver oferta
  • -14%
    Harley Benton Fusion-T HH EB OCT
    299 €
    Ver oferta
SEGUNDA MANO EN MERCASONIC Ver todo
  • Fender Tom Delonge Artist Series Stratocaster 2004
    895 €
    Ver
  • Mooer Spark Distorsion Pedal
    40 €
    Ver
  • Dunlop Jimi Hendrix Octavio Fuzz
    290 €
    Ver
¿Tienes equipo que ya no usas? Véndelo en Mercasonic
Tonyguitar
por el 24/04/2019
¿para amplis que no llevan el cable ese del NFB que va del altavoz a la reja de la inversora?
¿este tipo de filtros no se ven mucho en amplis de guitarra verdad, si no es mas en hifi?
negrito
por el 24/04/2019
TonyGT-Ibiza escribió:
¿para amplis que no llevan el cable ese del NFB que va del altavoz a la reja de la inversora?

Exactamente. Este filtro hace algo "parecido" a lo que haría la realimentacion negativa en términos de lograr una respuesta mas plana y pareja en el rango de frecuencias. Una respuesta mas "lineal".

TonyGT-Ibiza escribió:
¿este tipo de filtros no se ven mucho en amplis de guitarra verdad, si no es mas en hifi?

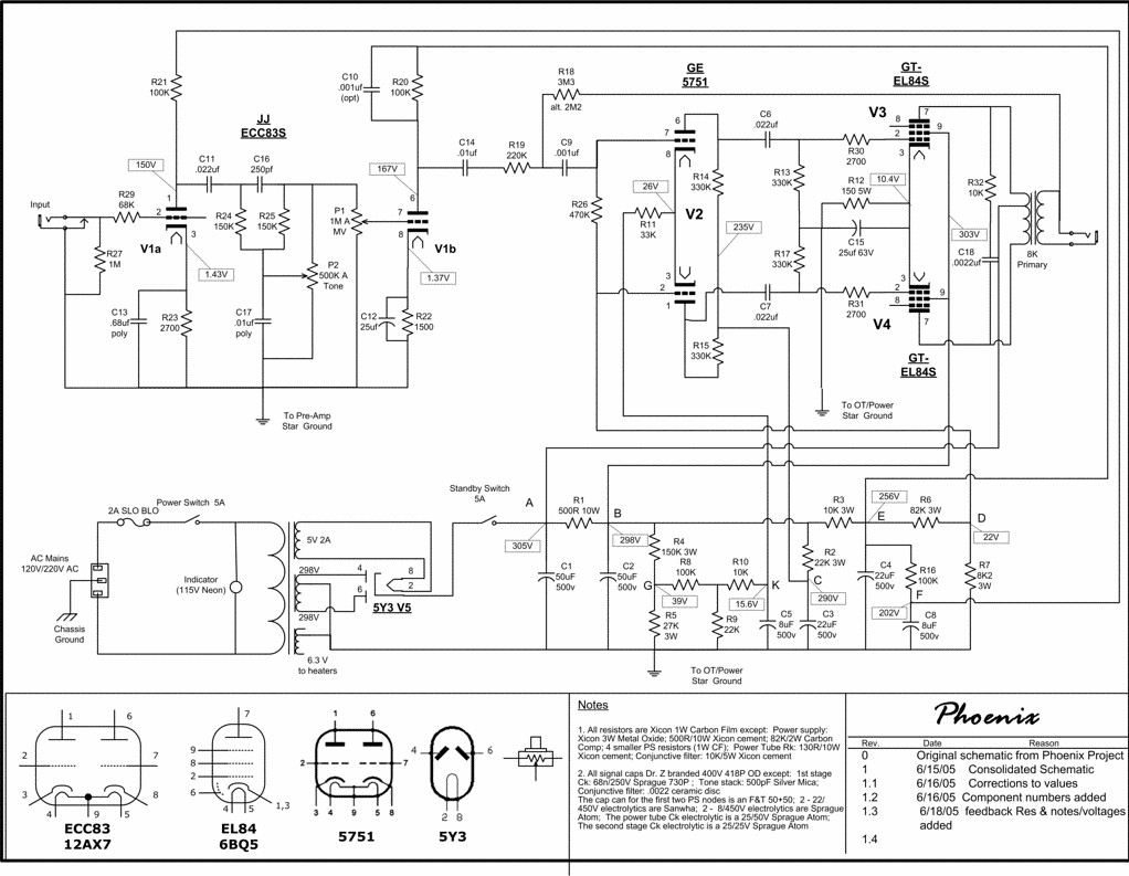
No es muy comun en amplis de guitarra aunque Dr.Z suele usarlo en algunos de sus amps y casualmente lo usa en el Carmen Ghia donde tambien utiliza realimentacion negativa.

Por ejemplo en el CarmenGhia
20e08c7f49a55af627117376b1d38-2419703.jpg

28590be06f4d12498b645b0243f98-2419703.jpg

0ba2727726be236311406503cbc9f-2419703.jpg
Tonyguitar
por el 24/04/2019
Vaya montaje mas guapo punto a punto, me ha parecido ver que desde el input a la reja del primer triodo va apantallado, eso ha sido un buen detalle jeje, yo siempre lo hago a partir de ahora, y si entre el input y la primera reja, hay ademas, pistas de cobre por medio y componentes, directamente los monto en el mismo potenciometro y pego un corte a la pcb y voy directo apantallado a la reja.


Sobre el N.F.B siempre he tenido una duda por que es un control que yo nunca he montado en ningun ampli ni he investigado realmente lo que hace,
esto en teoria supongo que sera el control presence si no recuerdo mal, pero digo yo, ¿cuando el control presence lo tenemos realimentando de la salida del altavoz a la reja de la inversora es cuando el sonido es mas opaco o mas brillante agudo y con presencia?
Lo digo por que el filtro ese que se pone en el primario de O.T con el condensador y la resistencia ya como hemos visto y ademas que es de cajon lo que hace es eliminar algo de agudos.


Volviendo a la pcb del montaje ese tan limpio y ordenado que pusiste, ¿como se llaman esas placas que se usan para el punto a punto?
negrito
por el 25/04/2019
Ese amp que postee no es lo que se considera punto a punto. Un amp PTP (Point To Point) no tiene placa sino que los componentes se sueldan directamente entre los zocalos, potes etc y a lo sumo se utilizan tiras de terminales para generar nodos de conexion común. ESta tecnica era muy comun en amplis simples de ccomienzos de los 30/40.
En amplis mas complejos, el punto a punto se hace realmente engorroso y ni hablar dehacer reparaciones y/o modificaciones.
Sin embargo algunos fabricantes siguieron y siguen cableando sus amplis punto a punto.
Acá un Bad Cat punto a punto.

8a88e5cac40d37f19b3cac73e1ed4-2419752.jpg

Y acá un Matchless DC30 tambien punto a punto.
e6109e74a78dfe45362391bd91527-2419752.jpg

Ahora de los amplis que usan placas para el circuito tienes los que usan placas con ojales o torretas que es el caso del Dr.Z Carmen Ghia que postee o de los que usan placas de circuito impreso como pueden ser los Fender/Marshall/Mesa modernos.
Para las placa para ojales o torretas yo suelo usar o Micarta de (un tramado de tela de algodón embebida en epoxi) o lo que se conoce como Garolite o G10 (un tramado de fibra de vidrio embebida en epoxi). Este último es el que usa el Dr.Z que esta posteado arriba. También se pueden usar otros materiales como las placas de pertinax o incluso cartón como usaban los viejos Fender.

TonyGT-Ibiza escribió:
Sobre el N.F.B siempre he tenido una duda por que es un control que yo nunca he montado en ningun ampli ni he investigado realmente lo que hace,
esto en teoria supongo que sera el control presence si no recuerdo mal, pero digo yo, ¿cuando el control presence lo tenemos realimentando de la salida del altavoz a la reja de la inversora es cuando el sonido es mas opaco o mas brillante agudo y con presencia?
Lo digo por que el filtro ese que se pone en el primario de O.T con el condensador y la resistencia ya como hemos visto y ademas que es de cajon lo que hace es eliminar algo de agudos.

La realimentacion puede o no tener un control de presencia. En los fender Blackface (Deluxe, BandMaster Twin etc.) tiene un bucle de realimentacion negativa pero no tienen un control de presencia, por ejemplo.
En realidad la realimentacion se utiliza para linealizar la respuesta de amp. Hacer mas pareja la respuesta para el rango de frecuencias que maneja el amp y para reducir la distorsión que se introduzca en la parte de potencia.
En general la realimentacion (dependiendo como este implementada) debería mejorar la respuesta de frecuencias medias-altas y altas, no recortarlas. Mejorar en el sentido de emparejar la ganancia con el resto de las frecuencias me refiero.
En algunos amps introducen un control de presencia donde reducen la cantidad de frecuencias altas que se realimentan, de esa forma aumentan la ganancia de la etapa de potencia en ese rango de frecuencias y hacen que los agudos se resalten.
Se entiende?
fmk
por el 25/04/2019
Creo que os referís al filtro en serie de resistencia- condensador y en paralelo con primario del trafo de salida de audio, no?...

Si yo lo he probado bastante, es un poco complicado de "ajustar al principio" pues se trata de buscar un equilibrio entre los valores para que no afecte nada al tono o sonido, pero si se hace bien no recorta, al revés equilibra, como bien decís,

Si mal no recuerdo requiere valores muy grandes de condensador, para proteger también de picos de sobretensión creo recordar,

Yo lo solucione agrupando varios condensadores, y el filtro se puede ajustar a oreja o con un osciloscopio.

Había un articulo muy bueno o hilo paso a paso en un foro amigo conocido, muy descriptivo

Negrito si me dejo o cambio algo corrígeme. :-)

En esta foto adjunta veis el tocho de condensadores de color naranja para llegar a un valor alto necesario.

En el esquema supongo que lo utilizan para otra cosa, pues el valor es mas peque del condensador, ?

Por cierto Tony ese esquema tan simple de la pcl82, lo mismo te viene al pelo jejeje para lo que estabas montando con ese tubo.
Archivos adjuntos ( para descargar)
IMG_20190422_204107.jpg
Screenshot_20190322-223817.png
1 respuesta directa
fmk
por el 25/04/2019
Jajaja negrito, yo uso en todos los mios con placa (ptp) también el cartón, se hacen fácil las placas, como las fender si, con ojales.

y les da ese estilo vintage real, es un rollo hacerlas a mano, pero quedan muy cucas y tradicionales, vaya artesanas que se dice...

Yo recomiendo hacerlas por el simple hecho de disfrutar ese estilo, podéis hacerlas de cartón normal y luego teñirlas de betún negro.
negrito
por el 25/04/2019
fmk escribió:
En el esquema supongo que lo utilizan para otra cosa, pues el valor es mas peque del condensador, ?

Si te refieres al filtro del Dr.Z Carmen Ghia que postee, en realidad el objetivo es justamente ese, el de eliminar los picos y oscilaciones de alta frecuencia debidos al caracter netamente inductivo del Trafo de salida. El valor del cap como bien indicas se ajusta o a oido o con osciloscopio de manera de eliminar frecuencias por sobre el rango audible y "plachar la respuesta (o equiparar ganancias) en el rango de frecuencias de uso del amp. Como en cualquier filtro R/C el valr del cap depende fuertemente del valor de la resistencia que se use. Y el valor de la resistencia, a su vez, depende fuertemente de la impedancia de carga y por ende del tipo y cantidad de valvulas de potencia que estemos usando.
El manual de RCA recomienda 1,3 veces la resistencia de carga recomendada para la válvula (cosa que DR.Z cumplio casi a rajatabla).
Las veces que lo he visto implementado en amps de guitarra con dos EL84 el cap siempre rondaba los 2nF. Con cuatro EL84 o con dos 6L6/EL34 en el orden de los 5nF y con cuatro 6L6/EL34 en el orden de los 10nF. Esto siempre en amps de guitarra/bajo.
En HiFi tal vez se usen otros valores ya que tienen rango mas extendido que los amps de instrumento.

fmk escribió:
Jajaja negrito, yo uso en todos los mios con placa (ptp) también el cartón, se hacen fácil las placas, como las fender si, con ojales.

y les da ese estilo vintage real, es un rollo hacerlas a mano, pero quedan muy cucas y tradicionales, vaya artesanas que se dice...

Si. Hay toda una teoría alrededor de las placas de cartón vulcanizado que usaban antiguamente los fabricantes como Fender y no solo es un tema de look.
El cartón vulcanizado es mas sensible que las placas de fibra actuales, a la humedad y por otro lado tampoco tienen la misma resistencia mecánica, siendo la placas de cartón normalmente mas finas y con menos resistencia mecánica, por ende mas propensas a generar realimentaciones por vibraciones, en los combos sobre todo.
Varios constructores como Mark Baier de Victoria amps, por ejemplo. Sostienen que esas características de las placas de carton de los viejos Fender Tweed le otorgan un diferencial de respuesta y tono que no se puede lograr con las placas de materiales nuevos.
fmk
por el 25/04/2019
Muy interesante lo de las placas de cartón, no lo había oído antes, a mi me gusta la estética por eso porque es clásica y fácil de hacer.

Pero si influye algo en el tono, pues bienvenido sea, todo suma.
Tonyguitar
por el 29/04/2019
Muchas gracias!

Negrito, tu me dijiste que la diferencia de matcheteo en push pull tiene una tolerancia en guitarra de un 20%?

Es que quiero emparejar unas válvulas que tengo por aquí de pentodos.
negrito
por el 29/04/2019
TonyGT-Ibiza escribió:
Negrito, tu me dijiste que la diferencia de matcheteo en push pull tiene una tolerancia en guitarra de un 20%?
Es que quiero emparejar unas válvulas que tengo por aquí de pentodos.
,La tolerancia en el matcheo de las válvulas de potencia es la que tu estés dispuesto a tolerar. Se entiende? No hay una receta mágica y depende bastante del tipo de amp que sea, como esté este amp ajustado y tu oído en definitiva.

Las válvulas matcheadas que te venden los que lo hacen bien están ajustadas al 5%, En general, la tolerancia de algunos de los componentes del amplificador ronda el 10%.
En mi humilde experiencia, la mayoría de los amplis de guitarra se bancan un desmatcheo del 20% sin mayores problemas, pero lo mejor es siempre que uses un par no matcheado, checkear bien el amp que esté funcionando y sonando correctamente.

Ojo que tenes que ser meticuloso a la hora de matchear ya que junto a la diferencia de valores medidos tienes que considerar el error del instrumento en la medición. No olvides de marcar cada valvula, llevar un registro de los valores obtenidos para cada una, utilizar siempre instrumentos calibrados para la mediciones o al menos siempre el mismo instrumento y el mismo equipo, y si es posible tener un instrumento adicional de comprobación para estimar cual es el error de medición en el instrumento que estas utilizando es mejor.

Esta es una buena oportunidad para sacar tus propias conclusiones en lo que se refiere al matcheo de las valvulas de potencia. ;)
Hangel
por el 23/05/2019
#1
Nuevo post

Regístrate o para poder postear en este hilo