chacarock, el alambre es de 0,15 a 0,2 mm. de grosor.
Exacto Steve Vay lleva un fernandez sustainer, he de decir que el fernandez sustainer es mas o menos lo mismo solo que ademas lleva un control automatico de ganancia para que sea mas perfecto digamos, y la pastilla no tiene por que ser simple, puede ser doble, da igual...
stak_a, la bobina ahora se ve mejor, ¿pero por que la haces en la parte baja de los pivotes, cuando debe estar lo mas cerca posible de las cuerdas? si te fijas en las fotos del post estan a ras de los pivotes, de todas formas pruebala haber que tal, de impedancia la tienes bien aunque funciona igual entre 7 y 8 ohmios.
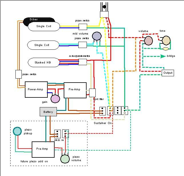
palta_travel, las conexiones estan bien tal y como las has puesto
De la salida de la pastilla del puente
Entre la salida del circuito y la bobina
entre la bateria y el positivo del circuito
saludos.
Alguien escribió:esto estaria siendo, el mismo sustainer fernandez, pregunto, porque la viola de Steve Vai, creo que tiene este sustainer
Exacto Steve Vay lleva un fernandez sustainer, he de decir que el fernandez sustainer es mas o menos lo mismo solo que ademas lleva un control automatico de ganancia para que sea mas perfecto digamos, y la pastilla no tiene por que ser simple, puede ser doble, da igual...
stak_a, la bobina ahora se ve mejor, ¿pero por que la haces en la parte baja de los pivotes, cuando debe estar lo mas cerca posible de las cuerdas? si te fijas en las fotos del post estan a ras de los pivotes, de todas formas pruebala haber que tal, de impedancia la tienes bien aunque funciona igual entre 7 y 8 ohmios.
palta_travel, las conexiones estan bien tal y como las has puesto
Alexis_ebow escribió:y lo otro, donde tendria q hacer las conexiones de:
- potenciometro de volumen
De la salida de la pastilla del puente
Alguien escribió:switch para Inversion de fase
Entre la salida del circuito y la bobina
Alguien escribió:- y el switch de on/off.
entre la bateria y el positivo del circuito
saludos.
Responder
Citar





