El hilo de Sovtek

mouthful
por el 22/04/2015
Pues ya lo tengo todo colocadico en el local preparado para tumbar paredes. Sonidaco.
[ Imagen externa no disponible ]
1 respuesta directa
OFERTAS EN TIENDAS Ver todas
  • -13%
    Harley Benton DNAfx GiT
    129 €
    Ver oferta
  • -14%
    Harley Benton AirBorne 2.4Ghz Instrument
    59 €
    Ver oferta
  • -6%
    Electro Harmonix Bass Preacher
    62 €
    Ver oferta
SEGUNDA MANO EN MERCASONIC Ver todo
  • Bare Knuckle's Brut Force T Set
    125 €
    Ver
  • Amplificador para bajo Ashdown Perfect 10 40W
    120 €
    Ver
  • Hiwatt Leeds 25RC
    89 €
    Ver
¿Tienes equipo que ya no usas? Véndelo en Mercasonic
Chevelle
por el 23/04/2015
Parece ser la misma que la mía, en mi caso por lo menos la pantalla acentúa el carácter del ampli. Un sonido muy claro y muy contundente. Incluso aunque tengas bastante ganancia, se diferencian las notas mejor que en muchos amplis con un limpio cristalino.
oihu
por el 23/04/2015
#133 Vaya pinta¡¡¡, mola¡¡¡. Me estais dando ganas de buscar una 4x12 Sovtek, y eso que con la Boogie va de puta madre....
¿Sobre cuanto salen estas pantallas?....., la pena es que no las haya rectas, me molan mas...
juanpe300
por el 28/04/2015
la mía me salió al final por 220€, cuestión de suerte supongo. Y rectas nunca las he visto Oihu. La verdad es que mola bastante en su pantalla original. Ahora mismo, tengo la original y la celestion gt 12-75 (me costó 125€ en un cash converter :yahoo: ) y es una puta muralla.
Ah me olvidaba!!!! Hará un mes que David Akosa (más conocido por estos lares como Kabañas) me puso a tono el mig100h, ajustando la placa que estaba algo desplazada por un antiguo golpe que dio el ruso hace años antes de llegar a mis manos, cambio de jacks porque algunos estaban rotos y de switchs, que estaban oxidaillos.
También ha cambiado las válvulas de potencia porque las que llevaba eran antiguas, y al comprobarlas me dijo que no llegaban a 50w :cry:
Las que llevaba eran las 5881/6L6 WGC, que eran las que estábamos comentando de poner. Así que optó por pedir a Ukrania unas 5881 de la familia, que estaban fabricadas en el año 81 y que quedan pocas, las 6n3s.... :sorprendido: :sorprendido: :sorprendido:
Madre mía cuando ha vuelto...lo probé y era e s p e c t a c u l a r lo que levanta el ampli, también re colocó las válvulas de previo, y sí, no daba los vatios que tenía que dar...ahora si :cabezazos: !!!
Sólo deciros que el trato con David ha sido excelente, muy profesional y agradable. OS LO RECOMIENDO 1000%
Chevelle
por el 15/06/2015
Traigo noticias por mi parte!

El otro día en el local hubo una subida de tensión mientras probaba una guitarra nueva con el Mig y se fundió el fusible del standby (el ampli se queda en standby contínuo). Hasta ahí todo normal, pero como es de esperar en estos bichos, abro el compartimento del fusible y me encuentro con que en el fusible pone "6Б2 D". Y ya está.

Así que compro un fusible de 2Amperios y 250V y el ampli prácticamente lo desintegra al momento. Antes de alimentar a la bestia con las almas de fusibles inferiores y echar una tarde fundiéndolos, alguno de vosotros tiene en el ampli un fusible del standby con terminología normal por ahí, para saber cuál poner? Debería funcionar el fusible que compré?
juanpe300
por el 15/06/2015
Vaya! Que mal rollo, podrías preguntarle a David sobre eso, seguramente sepa algo del tema. En cualquier caso suerte con el bicho tío!!!
oihu
por el 15/06/2015
Hola, miraré cuando vaya al local a ver si tengo fusible con terminología mas moderna y te digo....
De todas formas, ¿el fusible que has puesto es de fusión lenta?, creo que suelen ser de ese tipo..., y ya poniendonos en lo peor, puede que el problema no sea de fusibles, casi siempre suele ser un problema mayor...., En mi VHT ese tema fué un condensador de la fuente de alimentación y el hecho de poner un fusible no adecuado, hizo que la petara....
Secundo la idea de preguntar a David Kabañas, que sabe infinito mas que nosotros....

Suerte.

Un saludo
davidakosa
por el 15/06/2015
Buenas que tal?

El fusible original del Sovtek MIG100 para alta tensión (HT) es de 2A normal, no de fusión lenta...

Si has puesto uno de 2A sin mas (los de fusion lenta empiezan por T, seria T2A y los de fusion rápida por F F2A) y se ha vuelto a fundir indica que algo esta mal, lo mas seguro que las valvulas de salida...
oihu
por el 16/06/2015
davidakosa escribió:
El fusible original del Sovtek MIG100 para alta tensión (HT) es de 2A normal, no de fusión lenta...


Gracias por el apunte davidakosa, una preguntilla: ¿cuando se ponen fusibles de fusión lenta?

Un saludo
juanpe300
por el 16/06/2015
... :jajajaja: lo que no sepa este!!!! Grandeee David!
mouthful
por el 10/07/2015
Hola compañeros.
Tengo un problema con el sovtek que usa el bajista de mi grupo es un bassov blues midget de 50w y cuando lo conecto por la salida de línea a la mesa de mezclas para grabar los ensayos baja la potencia del mismo o incluso no suena nada por la pantalla. Antes de abrirlo os pregunto por aquí si os ha pasado y/o cual puede ser el fallo. En cuanto pueda lo abro para ver que me encuentro pero si me dais una pista os lo agradeceré.
nazka zine
por el 23/07/2015
Buenas, lo primero felicitaros por el hilo, hace un tiempo que me pille un Mig100 y la verdad que estoy muy contento con el, y me parece muy útil tener un espacio donde compartir nuestras experiencias con ellos, y encima en castellano, mucho mas cómodo.

Pero bueno que escribo para plantear varias dudas; la primera, tema válvulas, según los esquemas llevan unas 5881, que son equivalentes a las 6l6WGB (creo) , cuando yo lo compre llevaba unas 6l6GC-STR, y así sigue, aunque ahora solo a 2 válvulas. El plan es meterle un poco de mano, limpiar, cambiarle el switch de plástico (uno ya estaba cambiado) a uno de metal, darle un vistazo a los Potes, y cambiarle las válvulas, aquí vienen los dolores de cabeza. ¿Que válvulas me recomendais? He leído muy bien de las KT66 ¿Se pueden poner en el mig100 con un ajuste de Bias o hay que cambiarle alguna resistencia? Me gustaría oír opiniones sobre estas y otras opciones, leyendo el hilo me ha picado el gusanillo de buscar unas 5881. Otra cosa que me llama la atención es como Kabañas ha metido unas KT88 en uno, aunque supongo que para esto habrá que hacer obras mayores (¿hay algun hilo sobre el Ak-47?).

¿Tema válvulas de previo?

Otro tema es el de enchufarle dos pantallas, al tener solo una salida para cada impedancia, no se como se podrian poner dos pantallas en paralelo. por ahora no lo necesito, toco con un 4x12 marshall, y no puedo subir el volumen sin que mis compañeros de banda me miren mal.

A ver si en cuanto me ponga manos a la obra hago unas fotos y las subo.

Salud

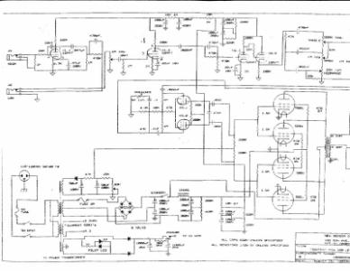
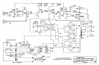
PD: Adjunto los esquemas que encontre del Mig100 y Mig100H, creo que esta bien que esten por aqui.
PD2: Vaya chapa... Lo siento
Archivos adjuntos ( para descargar)
Sovtek-Mig100-schematic.jpg
sovtek_mig-100h.pdf_1.png
Nuevo post

Regístrate o para poder postear en este hilo