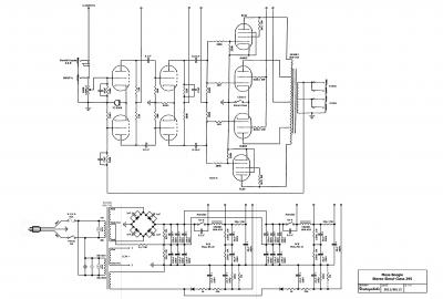
Buenas compis. Tengo una Mesa boogie stereo simulclass 2:90. Tiene dos canales y valvulas independientes para cada uno. Solo uso el canal A por lo que las valvulas del B estan gastándose tontamente.. Mi pregunta es..
Hay alguna manera de, sin modificaciones, inhabilitar el.canal B? Quitarle directamente las valvulas he leido que puede servir.. Pero quiero asegurarme. Que opinais?
Hay alguna manera de, sin modificaciones, inhabilitar el.canal B? Quitarle directamente las valvulas he leido que puede servir.. Pero quiero asegurarme. Que opinais?
Responder
Citar
