Clon soldano

LiTaN
por el 24/09/2012
Hola,

He terminado de cablear el aparato y le estaba dando un repaso intensivo cuando me he fijado que en el esquema las conexiones de la válvula del inversor se hacen de diferente manera que como aparece detallado en los pdf donde se explica el cableado. Creo que es igual conectar de una manera que de otra pero yo lo he dejado con los terminales 8 y 3 unidos en vez de unir el 1 y el 8 como aparece en el esquema.

os subo una foto para que veais de que hablo.

Ayer a la noche probé la parte del circuito de los optoacopladores y parece que funciona todo OK, así que en que termine de repasar todo bien me armaré de valor y probaré a encenderlo a ver si explota.

y por cierto, el ampli con los transformadores y el chasis de inox pesa un montón, algo así como unos 10,5Kg ni más ni menos, menos mal que no tengo intención de sacarlo de paseo a menudo porque valla...

saludos!
Archivos adjuntos ( para descargar)
Sin título.png
OFERTAS EN TIENDAS Ver todas
  • -14%
    Harley Benton SC-Custom III Quilt Midnight
    299 €
    Ver oferta
  • -15%
    Darkglass Microtubes X
    199 €
    Ver oferta
  • -14%
    Harley Benton AirBorne 2.4Ghz Instrument
    59 €
    Ver oferta
SEGUNDA MANO EN MERCASONIC Ver todo
  • Zoom G2.1 NU
    80 €
    Ver
  • Auriculares In-Ear Jerry Harvey JH 16 Pro
    600 €
    Ver
  • ‼️ENVIO INCLUIDO . Tipo The Warden compresor
    115 €
    Ver
¿Tienes equipo que ya no usas? Véndelo en Mercasonic
juanf
por el 24/09/2012
Los terminales 8 y 3son los que deben estar unidos que son los catodos.
[ Imagen externa no disponible ]
LiTaN
por el 24/09/2012
Bueno, pues el aparato ya ha dado sus primeros pasos, pero lejos de funcionar todo a la perfección me está dando un volumen muy bajo, lo pongo a tope y no se oye mucho.
El canal limpio parece que no tiene ruido pero el de distorsión si que tiene un "psssss" bastante fuerte, pero tengo las válvulas sin apantallar, el choque es demasiado pequeño y igual tengo algún bucle de masa por ahí que ya iré mirando.

Más cosas, los voltajes me dan muy bien en todos los puntos, son prácticamente idénticos a los que aparecen en el esquema, pero lo que no me está sacando bien es la corriente del bias, en la fuente de alimentación donde está el "R or jumper" pone que tendría que pasar una corriente de entre 20mA y 45mA pero a mi me da 1.5 y le pongo una resistencia de 220K y me sigue dando lo mismo, no lo entiendo.
¿El problema del volumen puede ser por el mal ajuste del bias verdad?

Mañana le hago unas fotos y subo para que veáis como ha quedado.

saludos!
LiTaN
por el 25/09/2012
Ya he solucionado el problema del bias, en el esquema pone que si coges los 50v del tap hay que poner una resistencia de 220K en el hueco ese del "R or jumper" pero me han pegado un calenton las válvulas que no se por qué no han explotado... Total que al final haciendo uso de la ley de ohm he calculado la resistencia que necesitaba para que me diera una corriente entre 20 y 45mA y le he puesto una resistencia de 1k, con eso me da unos valores algo más bajos de 45mA pero ya es algo más normal, así que le pondré una de 1k2 a ver que tal.

Sigo con un volumen muy bajo, es posible que solo esté funcionando una de las dos válvulas de potencia o algo así?? si no, no entiendo por qué puede pasar...

Y también he notado que no se aprecia ningún cambio al mover los potes del Depth y Presence, no se si el problema puede venir de ahí...

saludos
LiTaN
por el 27/09/2012
Pido ayuda a los sabios del foro..

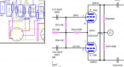
Creo que ya he localizado el problema. En el esquema pone los voltajes en todas las válvulas, así que los he medido y en el previo están todos bien, pero en la válvula que divide la señal antes de la etapa me marca tres voltajes de 26v, 27.4v, 42v pero al medir en el ampli me dan unos voltajes bajisimos de 1 voltio, y las tensiones de ánodo que en el esquema marca 260v y 284v me salen unos 300 y pico.

El problema es que no se de donde deben salir estos voltajes en ese punto, así que no puedo localizar la raíz del problema y arreglarlo.
Archivos adjuntos ( para descargar)
Fallo Soldano SLO.png
2012-09-25 00.18.15.jpg
juanf
por el 27/09/2012
En el anodo te da el voltage mas alto porque la valvula (V5) no está funcionando, deberias comprobar si entre los catodos y masa tienes una resistencia de 15k aproximadamente, si mide bien desuelda el terminal de los condensadores c-17 y c-18 que va hasta el optoacoplador lr3 y r35 y inyectale señal en el terminal suelto, deberia de hacer bastante ruido si desde los condensadores hasta el altavoz está bien, es cuestion de ir descartando cosas, si no suena apenas hay que probar a meter señal en los condensadores c21 y c22, comprueba tambien el bias haber si lo tienes bien.
LiTaN
por el 27/09/2012
jumm pues la resistencia me daba unos 500K entre los cátodos y masa, así que he repasado R31,R32,R33,R34 y resulta que la R33 se me había pasado por una de 470K en vez de 470R que tenia que haber puesto.
Pues me he tirado toda la mañana mirando esas cuatro resistencias y midiendo todos esos puntos, no se como no se me ha ocurrido comprobar que estuvieran bien (que corto soy).
A ver si mañana puedo comprar una buena y os cuento...

Mil gracias juanf!
Archivos adjuntos ( para descargar)
2012-09-27 14.32.31.jpg
LiTaN
por el 27/09/2012
como no me aguantaba hasta mañana he cogido una resistencia de 390 y una de 100 las he unido en serie y el ampli YA SUENA COMO DIOS MANDA!! :locomotora:

lo que me mosquea que el OD suena en condiciones pero el canal limpio se queda demasiado cortito de volumen creo yo, creo que tendré que repasar eso a ver...

Hoy sin falta subo unas muestras!! :guitarrista:
mane_larumbe
por el 27/09/2012
#236
ya quiero verlas para animarme a armar un cacharro de esos.
oye pero de donde han sacado todo los equipos armables, se consiguen completitos o como ya me habias dicho lo consigues parte por parte??
Dr.Maligno Tech
por el 27/09/2012
Ya te voy animando yo

e262af3057cda9d7be4c129697815-1030846.jpg
Dr.Maligno Tech
por el 27/09/2012


Esteban Piera
por el 27/09/2012
Como vacila el tio de ampli...
1 respuesta directa
Nuevo post

Regístrate o para poder postear en este hilo