Gracias Tariu.
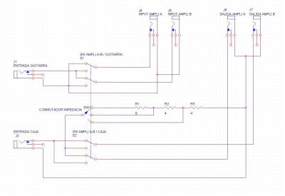
Yo he encontrado este, más sencillo (y barato) que el de tonebone. Pone que conecta a una carga "dummy" de 200w el cabezal que no está conectado al altavoz.
https://taweber.powweb.com/store/2head.htm
Yo he encontrado este, más sencillo (y barato) que el de tonebone. Pone que conecta a una carga "dummy" de 200w el cabezal que no está conectado al altavoz.
https://taweber.powweb.com/store/2head.htm
Responder
Citar
