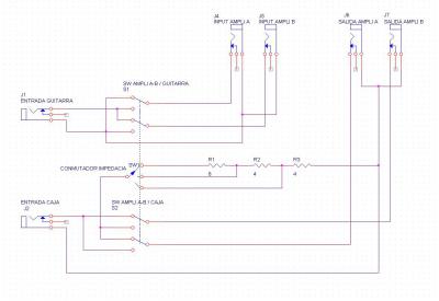
Os dejo un pequeño circuito que permite conmutar una guitarra a dos amplis diferentes y que ademas también conmuta la pantalla al ampli que toca.
Este esquema permite seleccionar también la impedancia simulada que debemos cargar en el ampli que queda desconectado.
Es un circuito teórico, esta sin probar, no tengo dos amplis, pero debería funcionar sin problemas ya que no es complejo.
Este esquema permite seleccionar también la impedancia simulada que debemos cargar en el ampli que queda desconectado.
Es un circuito teórico, esta sin probar, no tengo dos amplis, pero debería funcionar sin problemas ya que no es complejo.
Responder
Citar


Claro, serviría con algo tal que los conmutadores que se utilizan para el trube bypass(3dpdt) pero para cuatro circuitos, no???
, no?? A ver si le echo un ojillo, voy a mirar en RS a ver que tienen. Aquí he encontrado la PCB del Radial Tonebone Head Switcher o algo así...se ve ahí al centro la resistencia junto al relé tocho, y abajo de éste otros dos relés. Lo que lleva es un chorro de transistores y CI´s. Los diodos que hay junto a los relés serán para evitar las corrientes inversas que puedan generar las bobinas de los relés, no?? Lo malo del cacharrito este es que cuesta unos 250 pavos....