Buenas Compañeros, me gustaría compartir con vosotros un pequeño proyecto DIY en el que me he embarcado.
El resumen es: “me he venido arriba y esta vez no ha salido del todo mal”.
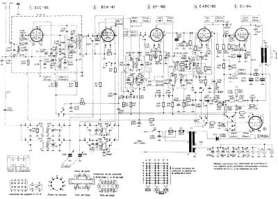
Tenía una radio antigua, una Telefunken Intermezzo A-2747-FM.
Esta radio se fabricó en el 1967 y para la época era toda una maravilla de la técnica.
En la siguiente página tenéis fotos, esquema electrónico y detalles varios.
https://www.radiomuseum.org/r/telefunken_intermezzo_a2747fm1559875.html
Recientemente la puse en marcha y no funcionaba, cuando la desmonté, oh sorpresa, un condensador había vertido su contenido y había destrozado una parte importante de componentes y de la propia placa madre que se había resquebrajado.Pese a que se podía reparar, el esfuerzo que me requería y la utilidad como radio me hicieron desistir.
Dado que hace tiempo que estaba mirando de hacerme un amplificador de poca potencia (1-10 W) me planteé reutilizar todo lo que pudiera de este equipo y montarme un pequeño amplificador dentro de la radio. Intentaría dejar la radio lo más inalterada posible ya que visualmente es atractiva.
Antes de nada, recordar a los foreros que trabajar con circuitos en los cuales hay condensadores y alta tensión conlleva riesgos y hay que saber manipular dichos circuitos. En estos circuitos existe un elevado riesgo de electrocución y por lo tanto no se deben de manipular sin los conocimientos básicos y medidas de seguridad correspondientes.
La parte del equipo que he decidido recuperar es: el altavoz, el transformador de potencia, el transformador de salida de audio, el altavoz y las válvulas ECC85, ECH81, EF183, EABC80, EM84, EL84.
El punto de partida fue el esquema electrónico de la radio para determinar voltajes de trabajo del transformador de audio y del plate voltage de la EL84 para ver si los transformadores de que disponía eran adecuados.
Buscando encontré varios circuitos y esquemas de los cuales el que más me convenció fue el de audiotinker.com
https://www.audiotinker.com/support-files/el84se_12ax7_reva.pdf .
Tanto por la descripción del equipo como por ver que utilizaba en el circuito de previo una 12ax7 y yo tenía una en casa.
Tenía claro que quería que fuera un circuito punto por punto así que el diseño de la placa que soportaba los componentes fue un poco “freestyle” nada de optimización por ordenador, solo decir que utilice la aplicación DIY layout creator [url][http://diy-fever.com/software/diylc/] que es muy intuitiva y a la hora de distribuir espacios es bastante útil.
Como he comentado el diseño del circuito no es mío, si bien es cierto que tuve que modificar algunas partes ya que los transformadores no eran similares. Además, con el circuito que he indicado no se conseguía suficiente corriente en los filamentos de las válvulas para que estas iniciaran la emisión. Modifiqué la resistencia del circuito de los filamentos a una de 4 ohm y en vez de enviar dicho circuito entre R13-R14 como se indica en el esquema lo envié a tierra. La corriente la rectifiqué con un puente de diodos para poder así crear una tierra flotante. Utilice cable apantallado llevando uno de los extremos de cada pantalla a tierra para reducir el hum que inicialmente era bastante elevado.
Dejo a continuación un link con algun audio grabado rápido con el mobil para apreciar el sonido. El sonido es directo sin ningún tipo de tratamiento y conectando directamente la guitarra (ESP horizon 2 NT).
[/url]https://www.flickr.com/gp/138727733@N05/XU63n1
Un saludo y gracias por vuestra atención compañeros
El resumen es: “me he venido arriba y esta vez no ha salido del todo mal”.
Tenía una radio antigua, una Telefunken Intermezzo A-2747-FM.
Esta radio se fabricó en el 1967 y para la época era toda una maravilla de la técnica.
En la siguiente página tenéis fotos, esquema electrónico y detalles varios.
https://www.radiomuseum.org/r/telefunken_intermezzo_a2747fm1559875.html
Recientemente la puse en marcha y no funcionaba, cuando la desmonté, oh sorpresa, un condensador había vertido su contenido y había destrozado una parte importante de componentes y de la propia placa madre que se había resquebrajado.Pese a que se podía reparar, el esfuerzo que me requería y la utilidad como radio me hicieron desistir.
Dado que hace tiempo que estaba mirando de hacerme un amplificador de poca potencia (1-10 W) me planteé reutilizar todo lo que pudiera de este equipo y montarme un pequeño amplificador dentro de la radio. Intentaría dejar la radio lo más inalterada posible ya que visualmente es atractiva.
Antes de nada, recordar a los foreros que trabajar con circuitos en los cuales hay condensadores y alta tensión conlleva riesgos y hay que saber manipular dichos circuitos. En estos circuitos existe un elevado riesgo de electrocución y por lo tanto no se deben de manipular sin los conocimientos básicos y medidas de seguridad correspondientes.
La parte del equipo que he decidido recuperar es: el altavoz, el transformador de potencia, el transformador de salida de audio, el altavoz y las válvulas ECC85, ECH81, EF183, EABC80, EM84, EL84.
El punto de partida fue el esquema electrónico de la radio para determinar voltajes de trabajo del transformador de audio y del plate voltage de la EL84 para ver si los transformadores de que disponía eran adecuados.
Buscando encontré varios circuitos y esquemas de los cuales el que más me convenció fue el de audiotinker.com
https://www.audiotinker.com/support-files/el84se_12ax7_reva.pdf .
Tanto por la descripción del equipo como por ver que utilizaba en el circuito de previo una 12ax7 y yo tenía una en casa.
Tenía claro que quería que fuera un circuito punto por punto así que el diseño de la placa que soportaba los componentes fue un poco “freestyle” nada de optimización por ordenador, solo decir que utilice la aplicación DIY layout creator [url][http://diy-fever.com/software/diylc/] que es muy intuitiva y a la hora de distribuir espacios es bastante útil.
Como he comentado el diseño del circuito no es mío, si bien es cierto que tuve que modificar algunas partes ya que los transformadores no eran similares. Además, con el circuito que he indicado no se conseguía suficiente corriente en los filamentos de las válvulas para que estas iniciaran la emisión. Modifiqué la resistencia del circuito de los filamentos a una de 4 ohm y en vez de enviar dicho circuito entre R13-R14 como se indica en el esquema lo envié a tierra. La corriente la rectifiqué con un puente de diodos para poder así crear una tierra flotante. Utilice cable apantallado llevando uno de los extremos de cada pantalla a tierra para reducir el hum que inicialmente era bastante elevado.
Dejo a continuación un link con algun audio grabado rápido con el mobil para apreciar el sonido. El sonido es directo sin ningún tipo de tratamiento y conectando directamente la guitarra (ESP horizon 2 NT).
[/url]https://www.flickr.com/gp/138727733@N05/XU63n1
Un saludo y gracias por vuestra atención compañeros
2
Responder
Citar
