a ver si lo entiendo, en el circuito del pre de gak quitamos c1,c2,c3 y c4.
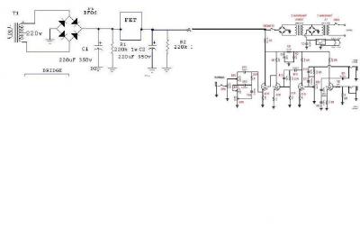
Despues, colocaremos todo el circuito del fet (con los dos condensadores de 220uf uno delante y otro detras del circuito del FET), lo intercalamos entre el puente de diodos y, R1 de 20k del esquema de gak, echa un ojo al archivo adjunto, es una porqueria pero mas o menos se entiende, si es asi como te digo ya lo tengo todo super claro.
Despues, colocaremos todo el circuito del fet (con los dos condensadores de 220uf uno delante y otro detras del circuito del FET), lo intercalamos entre el puente de diodos y, R1 de 20k del esquema de gak, echa un ojo al archivo adjunto, es una porqueria pero mas o menos se entiende, si es asi como te digo ya lo tengo todo super claro.
Responder
Citar

bueno, aunque con lo dura que tengo la cabeza algunas cosas me ha costado entenderlas, me acuerdo que cuando monte el preamp este antes y lo vendi despues tenia un pequeño humm, decian los que entendian del tema que si cables cruzados y conexiones punto a punto y leche frita, pues me acuerdo que acercaba los trafos a las valvulas y se escuchaba el mismo siseo que cuando usas un cable de la luz sin apantallar para enchufar la guitarra al ampli,
espero que os guste
