Hola!
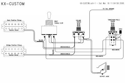
hoy me ha empezado a fallar la pastilla del puente de mi cort kx custom, y entonces me he puesto a revisar el circuito, y he visto que es rarísimo. La guitarra es la típica con dos humbuckers y con push pull (en este caso en el tono) para hacer coil split. Hasta aquí bien, pero es que una vez abierta, el circuito no lo comprendía. He buscado en internet, y efectivamente, es el mismo que os pongo más abajo.
Lo que se me hace raro es como está cableado el pote de tono y el push pull. Se supone que los cables rojo y blanco son los intermedios de la pastilla, y los que se usan para el split, pero mirad como están puestos, en la posición push del pote están desactivados (correcto), pero en la posición pull acaban conectados directamente al toggle, en vez de a tierra como he hecho siempre para que se use sólo una bobina.
Y el pote de tono, como interviene en la ecuación si no hay conexión entre volumen y tono? cuando entra en juego el condensador?
¿Algún experto me lo aclara por favor?
Gracias!
hoy me ha empezado a fallar la pastilla del puente de mi cort kx custom, y entonces me he puesto a revisar el circuito, y he visto que es rarísimo. La guitarra es la típica con dos humbuckers y con push pull (en este caso en el tono) para hacer coil split. Hasta aquí bien, pero es que una vez abierta, el circuito no lo comprendía. He buscado en internet, y efectivamente, es el mismo que os pongo más abajo.
Lo que se me hace raro es como está cableado el pote de tono y el push pull. Se supone que los cables rojo y blanco son los intermedios de la pastilla, y los que se usan para el split, pero mirad como están puestos, en la posición push del pote están desactivados (correcto), pero en la posición pull acaban conectados directamente al toggle, en vez de a tierra como he hecho siempre para que se use sólo una bobina.
Y el pote de tono, como interviene en la ecuación si no hay conexión entre volumen y tono? cuando entra en juego el condensador?
¿Algún experto me lo aclara por favor?
Gracias!
Responder
Citar

