Buenas !
Hace tiempo hice un clon de un Marshall jtm1 de 1w ,esos que sacaron por el aniversario. Me funciono correctamente y suena bastante bien.
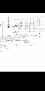
El caso es que han actualizado el esquema y tengo unas dudas ,yo tengo poca idea de amplis .
Entre otras cosas han cambiado la alimentación de las válvulas 12ax7 ,yo antes las tenia directas a 6,3v en los pines 4,5y 9.y ahora tienen un circuito con unos diodos y un condensador, yo supongo que será para filtrar y tener menos ruido .
El" problema" que tengo es que no se como adaptar ese circuito . En el esquema parece de 12 con ct y yo solo tengo 6,3v .
Básicamente es por cacharrear ,el aparato funciona bien .
Hace tiempo hice un clon de un Marshall jtm1 de 1w ,esos que sacaron por el aniversario. Me funciono correctamente y suena bastante bien.
El caso es que han actualizado el esquema y tengo unas dudas ,yo tengo poca idea de amplis .
Entre otras cosas han cambiado la alimentación de las válvulas 12ax7 ,yo antes las tenia directas a 6,3v en los pines 4,5y 9.y ahora tienen un circuito con unos diodos y un condensador, yo supongo que será para filtrar y tener menos ruido .
El" problema" que tengo es que no se como adaptar ese circuito . En el esquema parece de 12 con ct y yo solo tengo 6,3v .
Básicamente es por cacharrear ,el aparato funciona bien .
Responder
Citar
