Me parece una solución muy muy arriesgada. Y aunque he leído por ahí que es peor para el OT que se quede sin carga a que se quede en corto, a mi me han quedado muchas veces los altavoces sin poner con el ampli encendido y nunca me ha pasado nada.
Cortocircuito de seguridad
OFERTAS Ver todas
-
-15%Hughes&Kettner TubeMeister Deluxe 40
-
-20%IK Multimedia ToneX One Joe Satriani Ltd Ed.
-
-47%Hughes&Kettner Spirit of Vintage
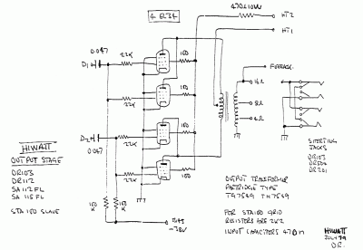
Has probado con este? Sobre el papel parece que funciona y tan sólo conectando un altavoz ya se deshace el corto a la salida, da igual la salida que uses... Revisalo y comparalo con el tuyo, a ver que tal...
https://images.app.goo.gl/w1bSuPgrtZLLG1xW6
https://images.app.goo.gl/w1bSuPgrtZLLG1xW6
Nuevo post
Regístrate o identifícate para poder postear en este hilo
