Os voy a compartir, un material; ya que me he animado a construirme, un Klon Centaur, (vaya por delante que no soy endoser ni patrocino a nadie); y todo viene a raíz de que en otro foro de guitarras, lo han comentado, y me picó mucho el gusanillo, sobre todo por la estética; y con un pedal que me gustaba el sonido, y que ya había tenido cómo clon; anteriormente en mi poder, y por lo cual ya conocía.
Ni que decir cabe que desearía poder catar y probar un Klon Centaur original con calma.
Me gustaría compartir los videos, en español, del paso a paso en el desempaquetado o unboxing, y del montaje explicado paso a paso.
Ni que decir tiene que no tengo experiencia en montar videos, y tiene mucho que mejorar la cosa, el volumen de la música está altísimo...y quizás incluso molesta para este tipo de videos con un único fin didácticos; pero igualmente, comparto el resultado final; con la idea de que "el fondo" le valga a la gente a animarse en el DIY, en el hágalo usted mismo; y para ver que no es tan difícil el construir y llevar a buen puerto, Kits de pedales de guitarra, que traen todo lo necesario, cómo el expuesto en cuestión.
Vamos al lío.
Un poco de historia en cuanto al pedal:
https://en.wikipedia.org/wiki/Klon_Centaur
Construyendo un Klon Centaur de Aliexpress, Landtone video nº 01 UNBOXING
En este primer video cubro el unboxing o desempaquetado de un pedal de guitarra, un kit, llegado desde territorio oriental, comprado a Aliexpress, de la marca Landtone.
El Klon Centaur se caracteriza por ser un overdrive que no modifica el tono original de nuestra guitarra y ampli. Va desde un ligero overdrive, a casi una distorsión, e incluso se puede usar cómo booster.
Aquí el link para comprarlo:
https://es.aliexpress.com/item/32376249286.html?spm=a2g0s.9042311.0.0.6d0563c0At3cLY
Y aquí el primer video, unboxing:
Ya en la segunda parte, me centro en el montaje; construyendo un Klon Centaur de Aliexpress 02 Montaje, paso a paso del kit de Landtone:
Cómo bibliografía dejo estos enlaces curiosos sobre el Klon Centaur:
Análisis del circuito:
https://www.electrosmash.com/klon-centaur-analysis
Guía de construcción:
https://guitargearfinder.com/guides/build-klon-centaur-clone-kit/
Sobre los diferentes esquemas del Klon:
https://guitargearfinder.com/guides/all-about-the-klon-centaur-clones-schematics-history-kits/
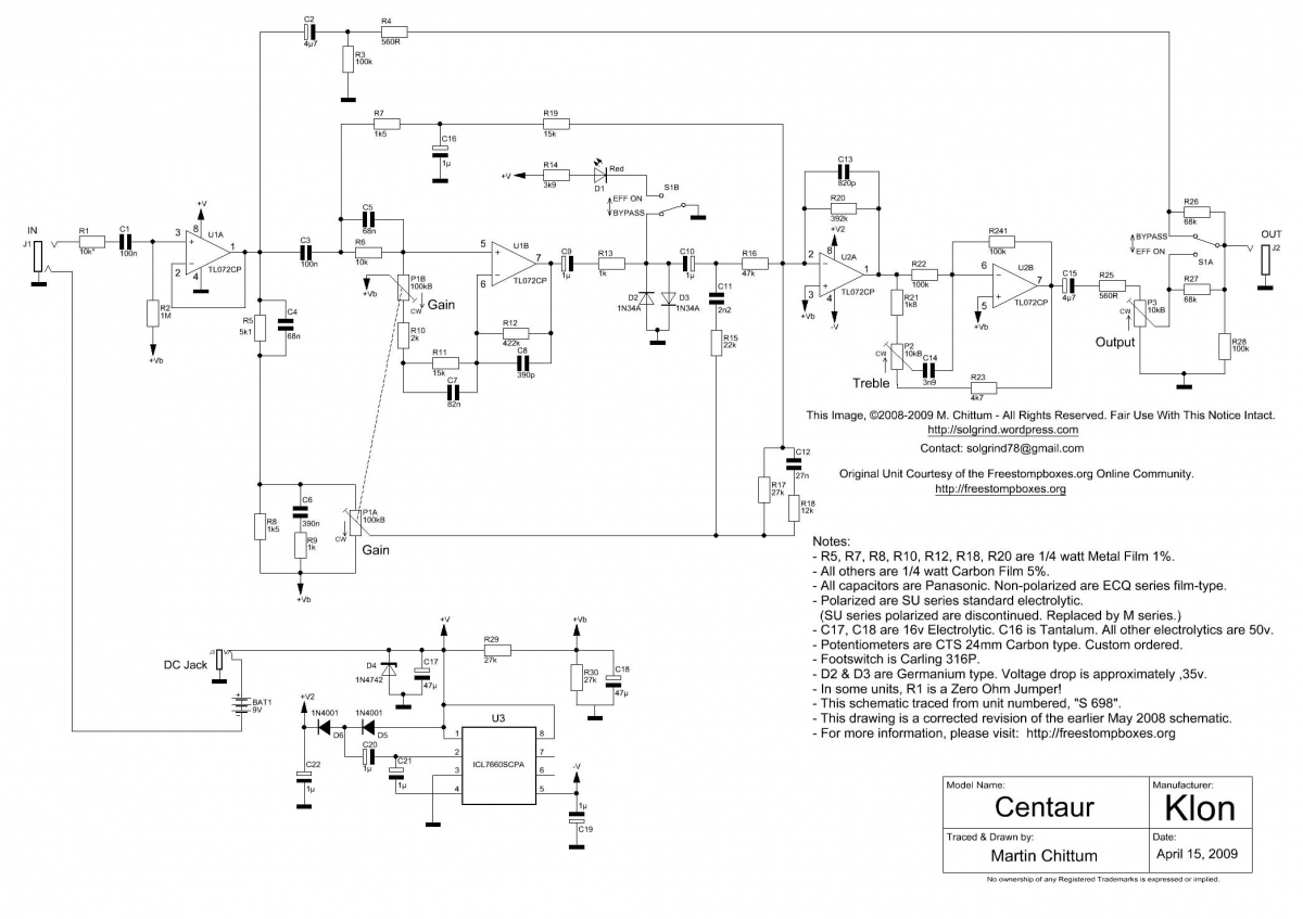
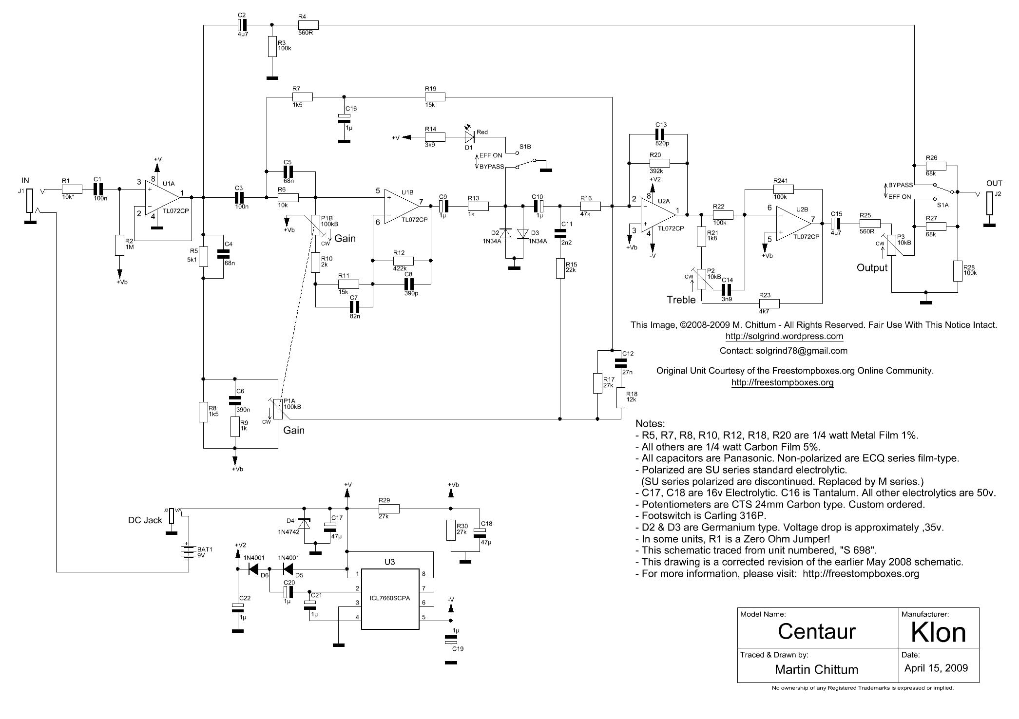
Esquema:

https://guitargearfinder.com/wp-content/uploads/2018/11/klon-centaur-schematic-high-res.jpg
Me quedan videos con muestras de sonido, aunque lo realmente divertido es hacerlo en estos casos.
Espero que os guste, que lo comentemos; y espero que a alguno le sea de utilidad, con eso me conformo; mucha fuerza y rock&roll!!!
Ni que decir cabe que desearía poder catar y probar un Klon Centaur original con calma.
Me gustaría compartir los videos, en español, del paso a paso en el desempaquetado o unboxing, y del montaje explicado paso a paso.
Ni que decir tiene que no tengo experiencia en montar videos, y tiene mucho que mejorar la cosa, el volumen de la música está altísimo...y quizás incluso molesta para este tipo de videos con un único fin didácticos; pero igualmente, comparto el resultado final; con la idea de que "el fondo" le valga a la gente a animarse en el DIY, en el hágalo usted mismo; y para ver que no es tan difícil el construir y llevar a buen puerto, Kits de pedales de guitarra, que traen todo lo necesario, cómo el expuesto en cuestión.
Vamos al lío.
Un poco de historia en cuanto al pedal:
https://en.wikipedia.org/wiki/Klon_Centaur
Construyendo un Klon Centaur de Aliexpress, Landtone video nº 01 UNBOXING
En este primer video cubro el unboxing o desempaquetado de un pedal de guitarra, un kit, llegado desde territorio oriental, comprado a Aliexpress, de la marca Landtone.
El Klon Centaur se caracteriza por ser un overdrive que no modifica el tono original de nuestra guitarra y ampli. Va desde un ligero overdrive, a casi una distorsión, e incluso se puede usar cómo booster.
Aquí el link para comprarlo:
https://es.aliexpress.com/item/32376249286.html?spm=a2g0s.9042311.0.0.6d0563c0At3cLY
Y aquí el primer video, unboxing:
Ya en la segunda parte, me centro en el montaje; construyendo un Klon Centaur de Aliexpress 02 Montaje, paso a paso del kit de Landtone:
Cómo bibliografía dejo estos enlaces curiosos sobre el Klon Centaur:
Análisis del circuito:
https://www.electrosmash.com/klon-centaur-analysis
Guía de construcción:
https://guitargearfinder.com/guides/build-klon-centaur-clone-kit/
Sobre los diferentes esquemas del Klon:
https://guitargearfinder.com/guides/all-about-the-klon-centaur-clones-schematics-history-kits/
Esquema:

https://guitargearfinder.com/wp-content/uploads/2018/11/klon-centaur-schematic-high-res.jpg
Me quedan videos con muestras de sonido, aunque lo realmente divertido es hacerlo en estos casos.
Espero que os guste, que lo comentemos; y espero que a alguno le sea de utilidad, con eso me conformo; mucha fuerza y rock&roll!!!
9
Responder
Citar
