Construccion de un ampli de 200 watts...casi, para bajo

mahony
por el 06/09/2012
Para terminar con el Amplificador dejo el layout, PCB y algunas fotos. despues pasamos a los ajustes del mismo si les parece bien (en las fotos aparece una sola pareja de mosfets pero esto es irrelevante, para probar se pone priemero una pareja y despues la otra.
Aprendiz , Ayer me quede pensando en lo que me preguntaste y para aclararte bien te respondo:
1) Con estos tipos de amplificadores no hay problemas de que se quemen sin parlante conectado. es mas muchas pruebas se hacen sin el parlante.
2) Donde si hay que tener cuidado de conectar el parlante es en los valvulares por el transformador de salida, el transformador de salida se usa para emparejar las impedancias, las valvulas tienen alta impedancia y mas en su anodo por lo que hay que poner un elemento en entre valvula y parlante que es precisamente el transformador de salida, y su funcion es igualar impedancias para que haya maxima transmision de potencia (una de las leyes fundamentales de la electricidad/electronica que muchas veces olvidamos)
Entonces, hay una relacion entre voltaje e impedancias entre los devanados (busca la formula) y mira ver que sucede cuando quitas el parlante o sea que Z2 se vuelva infinita, te lo dejo de tarea para que me respondas

saludos
Archivos adjuntos ( para descargar)
layout amplificador universal.JPG
PCB Amplificador Universal.JPG
Amplificador de bajo 009.JPG
Amplificador de bajo 011.JPG
Amplificador de bajo 023.JPG
Amplificador de bajo 052.JPG
OFERTAS EN TIENDAS Ver todas
  • -7%
    Harley Benton SC‑Custom III Active VBK
    298 €
    Ver oferta
  • -45%
    Hughes & Kettner Spirit of Rock
    48 €
    Ver oferta
  • -11%
    Ibanez RGR6BSP-IPT
    1.333 €
    Ver oferta
SEGUNDA MANO EN MERCASONIC Ver todo
  • Blackstar ht5r + pantalla (cambios)
    280 €
    Ver
  • Tipo Tween 57' Original sound ‼️ENVIO INCLUIDO
    107 €
    Ver
  • Schecter Demon 7 mejorada con Blackout.
    365 €
    Ver
¿Tienes equipo que ya no usas? Véndelo en Mercasonic
elaprendizdetodo
por el 07/09/2012
¿Poniéndome deberes? :preocupado:
Por casualidad, ¿no trabajarás de profesor?
Mi conocimientos teóricos de electrónica no son muy avanzados. Yo sólo se soldar siguiendo un esquema y poco más, así que puede que lo que diga sea una burrada en toda regla.
Pero, en respuesta a tu pregunta, y de forma muy básica, diría que si quitamos el altavoz y la resistencia se vuelve infinita, como V = I x R, el voltaje o diferencia de potencial entre los dos trafos también aumentará hasta que sea tan grande que genere un arco eléctrico entre ellos, dañando el circuíto del amplificador en el proceso.
¿Lo he hecho muy mal?
mahony
por el 07/09/2012
JAJAJA, no no soy profesor aunque he tenido que dar algunas clasesitas.
Estas bastante en la bola, y eso es lo que sucede en los trnasformadores de salida, pero si es asi porque no sucede en transformadores de potencia cuando abres el secundario? A un trasformador de Corriente de transformacion 100/5 amperes por ejemplo donde el 1rio es un solo devanado (o a veces el mismo cable) y el secundario serian de muchisimas vueltas, que al no tener carga los voltajes llegan al orden de los miles de voltios danandose el aislameinto, por eso en estos transformadores en particular que antes de desconectarlle la carga hay que cortocircuitar el secundario , yo me referia a la formula de relacion de transformacion entre primario y secundario y su relacion entre impedancias, que al final todo sale de la ley de ohm por supuesto.Ni/N2= U1/U2=raiz cuadrada (Z1/Z2), despejas U2 y llevas a Z2 al infinito y veras que pasa. es lo que dices pero por aca lo veo mejor, pero el simil con el transformador de corriente de arriba es valido tambien.

vamos al ajuste:
Si se fijan en las fotos veran un cambio del multivueltas por uno normal, por lo que comente mas arriba
Ajuste de Bias:
Despues de haber revisado mil veces el amplificador vamos a alimentarlo por primera vez, se supones que ya la fuente este lista y entregando los valores de voltajes esperados en mi caso +-50 voltios en vacio
Hay trucos de poner lamparas de luces carro en serie con la alimentacion por si hay algun cortocircuito o falla y que no suceda nada etc, etc.
Yo aconsejo que se compren un variac y le pongan alguna proteccion y vayan levantando voltaje poco a poco, es una herramienta muy util y no se arrepentiran porque tene infinitos usos, yo meti el variac (transformador variable) dentro de una caja, puente de rectiificador y saque 4 bornes 2 de CA y 2 de CD y le puse ademas un voltimetro de doble escala (para CA y CD y un amperimetro con doble escala tambien y por suspuesto fusibles para los dos tipos de voltajes) y con esto pruebo todo sospechoso que me cae en mis manos.
mahony
por el 07/09/2012
continuacion de ajuste de bias

1) se pone a tierra la entrada del amplificador y colocas un solo par de mosfets
2) despues que se probo y todo esta en valores normales o casi normales de consumo de I (puede que a valores mayores de 150 volt (para europa y 80v para americaa empeice haber algun consumo alto 1 o dos amperes ) no se preocupen que es por desajuste del bias, lo dejan en ese nivel de voltaje y.
3)Se levanta uno de los fusibles (ejemplo el de la rama +) y sen su lugar se pones las puntas del tester , este debe estar en en la funcion de ma (200ma), cuidado a veces hay que cambiar las puntas de posicion en el tester
y se comienza a dar giros al pot de ajuste despacio leyendo la I que mide el tester, si esta se incrementa se cambia el sentido de giro y se lleva a valores minimos
3) Si tenias el variac bajos voltajes es la hora de llevarlo a voltaje nominal (220 0 115 voltios segun la region)
4) Y finalmente lo ajustas entre 50 a 65ma (maximo si el fusible proteje todo el circuito del amplificador y minimo si proteje solo a los mosfets, siempre es bueno esperar unos minutos para que todo tome su temperatura de "bias"
5) Ahora se colocan las puntas en el otro porta fusible (-) por supuesto debe colocarse el fusible del + que habiamos quitado y se mide solamnete y el valor no debe exceder los 10ma de diferencia, si es mucho mas esa diferencia se deben cambiaruino de los mosfets hasta encontrar la pareja que mas cercano den estos valores
6) Se repite lo mismo con otra pareja.
7) Y se repite lo mismo con los 4 mosfets puestos teniendo que dar el doble la lectura.
si hay dudas me dices despues pasamos al ajuste del offset.
mahony
por el 28/09/2012
Disculpen el retrazo pero es que estuve trabajando en el interior, retomemos el hilo
Resuelto el tema del amplificador continuamos con el previo.
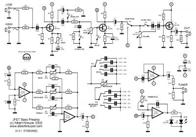
El previo se me ocurrio hacerlo a valvular y en un principio pense en el Ampeg (SVT) y asi prepare la caratula del amplificador (chasis) Pero siempre tuve la duda sobre el acople de impedancias y en paralelo (valga la redundancia) comence hacer el simil a fet de este mismo previo valvular que propone el sr Kreuzer en su pagina, y no tirar el trabajo de la caratula que ya estaba realizada y que tenia los mismas disposicion de pot y jacks, etc. y la desicion seria al final durante las pruebas,
Estas me dijeron que el pre a fet era el que mejor matcheaba con la impedancia del amplificador, quizas saliendo por catodo y no por anodo en el pre valvular pudiera mejorar el acople de las impedancias, nada, que deje el pre valvular definitivamente y me fui por el fet (no tenia mucho tiempo para investigar)
Siempre tuve mis dudas de como resolvio la ecualizacion el Sr Kreuzer y efectvamernte era una caca por lo que hube que disenar otra etapa de ecualizacion tratanmdo de mantener el PCB, la cual expondre mas adelante
dejo algunos esquemas
Archivos adjuntos ( para descargar)
Prevalvular para bajo.JPG
preamp_sch21.gif
mahony
por el 03/10/2012
Me disculpan por no tener mucho tiempo, Vamos hacer como en las Telenovelas y a acabar todo en este capitulo.
Dejo fotos que dicen mas que las palabras:
placa de proteccion y de previo, chasis, etc
y fotos del amplificador y bafle terminado
esto es todo

saludos
Archivos adjuntos ( para descargar)
Chasis.jpg
tarjeta de proteccion.jpg
tarjeta  de previo.jpg
vista superior de amplificador.jpg
Amplificador de bajo 017.jpg
elaprendizdetodo
por el 04/10/2012
Te quedó muy chulo.
Mola el color rojo.
La pantalla lleva Bass Réflex, ¿no?
¿Hiciste algún cálculo especial para colocarlo?
mahony
por el 04/10/2012
Hola despistao, si son bass reflex, y no hice calculo solo que son de 75mm y 200mm de long, parecen mas anchos poruqe tiene un reborde, solo tuve el cuidado de colocarlos en el centro de los dos parlantes (pude colocarlos en un extremo superior de cada parlante, que quizas huiese sido mejor, pero me decidi colocarlos de esta manera .

saludos
elaprendizdetodo
por el 04/10/2012
Pensaba que para colocarlos había que ponerlos en algún sitio en concreto. Osea que si colocas el bass réflex a ojo de buen cubero, también suena bien.
Genial.
Y una cosa más en cuanto al bafle. ¿En la parte de arriba hay otro altavoz más pequeño o es otro agujero?
mahony
por el 04/10/2012
Yo los coloque a ojo de buen cubero pero eso no quier decir que exista un calculo que presume muchos factores como el foco de los parlantes , la potencia sonora, las dimensiones del bafle etc. y de ese calculo se desprende el sitio, el diametro y la longitud del bass reflex. Si es un parlante de alta con el difusor que es lo que se ve por el frente
Por detras tiene un selector de corte de frecuencias (croosover) que corta los 3000, 4000 y 5000hz,el bafle esta fusilado de un Mesa para bajo, nada mas me falto ponerle la proteccion a el twiter como lo llevaba aquel.
Archivos adjuntos ( para descargar)
Amplificador de bajo 045.JPG
jhon alex
por el 01/07/2014
amigo me ha gustado mucho este post que has realizado del amplificador y si no es molestia quisiera me digeras la lista de los componentes que usaste para fabricarlo ya que soy un aficionado al tema de amplificadores y siempre que miro uno en internet me gusta hacerlo y probarlo
mahony
por el 01/07/2014
Hola Amigo:
Bueno despeues de dos anos de este post he tenido que buscar en el cajon de los recuerdos.
el listado es que te adjunto solo con negrita los transitores que utilice ya que hay varias sustitutos, en cuanto al VBe multiplier es el que aparece en la version final del esquema universal que utiliza el BD139 con los valores de resoistencia y condensador que aparecen en el dibujo, y el pot del bias se sustituyo por el que aparece en el esquema final de este parte, que esta en pa 1era pagina. cualquier duda me dices para buscar en mi maquina.
saludos

Listado de componentes para amplificador de 100 watt/8 omios 160 watt /4 omios
Potencia de salida : +/- 100 Wrms en 8 ohms or +/- 160 Wrms en 4 ohms.
La Distorcion esta en el rango +/- 0.1 %. El Ancho de Banda -3 db desde 4 Hz a 96 Khz, it esto es limitado por: C1, R1, C2 and R2.

C1 = 2,2 µF MKP, MKT 100 V
C2 = 330 pF ceramico 50 V
C3 = 100 nF MKP, MKT 100 V
C4 = 100 µF 40 V electrolitico
C5, C6 = 18pF ceramic 50 V
C7 = 100 nF MKP, MKT 250 V (C8 = 47µF 100 V)
R1, R3 = 47 K (R3 = 330 – 470 Ohms)
R2 = 2K2
R4, R5 = 3K9
R6 = 1 K
R7 = 27 K
R8, R9, R11 = 100 ohms
R10 = 10 K
R12, R13 = 470 ohms
R14, R15 =0,22- 0.33 ohms 5 watts
R16 = 10 ohms 3 watts (R17 = 1 K R18, R19 = 10K)
T1, T2, T9,T10 = 2N5401, ZTX558, BC556B (un cambio de transsitor implica una revision de su patillaje, esto es valido para el resto de los transitores )
T3, T4 = BF470, MJE350, 2SB649
T5, T6 = BF469, MJE340, 2SD669
T7 = IRFP240, 2SK1530, 2SJ162, BUZ900DP, BUZ901DP (attention au brochage different – take care for pin layout : GDS GSD)
T8 = IRFP9240, 2SJ201, 2SK1058, BUZ905DP, BUZ906DP
P1 = 100 ohms (multivueltas, que no aconsejo)
P2 = 2K5 (multivueltas)
F1, F2 = 3 A T
Nuevo post

Regístrate o para poder postear en este hilo