Pues os dejo un video de un amplificador muy raro de los 50, que he resucitado hace poco...
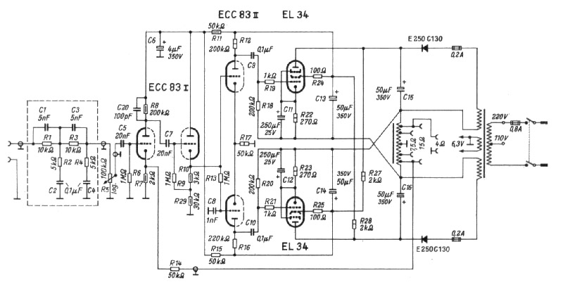
El esquema básico de la etapa de potencia es este adaptando la entrada para guitarra, es de lo mas 'esoterico':
El esquema básico de la etapa de potencia es este adaptando la entrada para guitarra, es de lo mas 'esoterico':
2
Responder
Citar
