Ruido de línea , válvula o me cargue la placa

  • 2
Pedro Vecino
por el 08/02/2022
Hay una cosa que debes tener presente: manipular amplificadores si no es con un cuidado extremo y la mejor técnica conduce inevitablemente a su debilitamiento mecánico. Incluso con toda la experiencia del mundo conviene manipularlos lo mínimo, lo cual requiere tener clarísimo qué se quiere hacer y para qué. Si no es así es mejor no tocarlos.
En esa circunstancia y restringiéndose a la zona de esa segunda válvula podrías retirar el condensador conectado al ánodo en el primer triodo (basta retirar un pin si esto es posible) para ver si cesa. Si no cesa, reinstálalo y retira el del segundo triodo. Es probable que retirando uno de ellos el ruido cese.
Si esto es así ya tienes delimitada la zona y lo más probable es que queden dos posibilidades: una resistencia de ánodo o su condensador defectuoso.
OFERTAS EN TIENDAS Ver todas
  • -14%
    Harley Benton Fusion-T HH EB OCT
    299 €
    Ver oferta
  • -24%
    Mooer GTRS Soloist 810 Purple Burst
    507 €
    Ver oferta
  • -6%
    Electro Harmonix Bass Preacher
    62 €
    Ver oferta
SEGUNDA MANO EN MERCASONIC Ver todo
  • Dimarzio X2N años 80
    70 €
    Ver
  • BOS FS-6 Foot Switch
    50 €
    Ver
  • Floyd rose special dorado
    95 €
    Ver
¿Tienes equipo que ya no usas? Véndelo en Mercasonic
Carlosfv
por el 14/02/2022
#13
Saludos !!!
Pues nada . Cambié las resistencias del ánodo de v4 y verifiqué el cap más cercano c10 y pero al los pocos segundos ha ocurrido un corto entre r25 y r26 . R25 se ha estropeado . Así que decidí hacer un transplante de placa. El amp que llamaré a1 lo he conseguido casi regalado pues ya estaba intervenido de la placa y con algunos daños así que decidí sobre este experimentar y aprender hasta que aguantara y parece que ya no aguantó más la placa y tengo A2 al que con más práctica acumulada le realicé u recap completo he intenté mantener su voz en stock pero en la práctica esos tonos no están mucho en mi mundo así que pues voy a hacer este transplante de placa y solo queda cambiar los caps de acople para tener tono similar a a1.

Pero tengo un curiosidad.

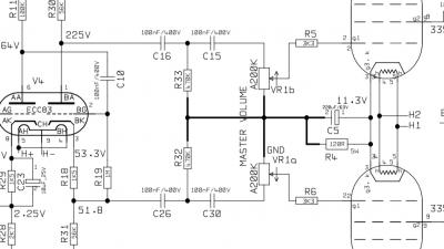
Tanto c16 y c15 como c26 y c30 forman divisores cierto ? Y de allí pasa la señal al MV . Un mod que he visto es quitar c15 y c30 y hacer un puente. Pero esto no afecta la relación ( no sé si llamarlo ratio) con el MV? Es decir obtendré más señal hacia las válvulas de potencia pero menos control sobre ella ? Quiero entender que si quito esos caps. El recorrido del MV digamos en 5 sería como estar en el 3 con los caps. En su lugar. ? Entiendo la falta de precisión para explicarme , es un intento de explicar mi duda. O tal vez se podría entender como más señal de salida pero menos control fino?

La placa de A1 la seguiré conservando para aprender más . Tal vez con el tiempo logre algo con ella jiji.
Gracias!!!
Archivos adjuntos ( para descargar)
209A78A8-3355-495C-8D56-385F47C92B5D.png
89C71FD4-0A52-4628-8C7F-46636C0857A1.png
Kenworth.
por el 14/02/2022
pero esos condensadores hacen de acople entre etapas...
Carlosfv
por el 14/02/2022
#15
Hola!!
C16 y c26 se quedan y hacen su función de acople … en el mod que menciono quitan c15 y c30 .y hacen Puente en la línea Creo que c16 seguido de c15 hacen un divisor así como c26 seguido por c30. Pero solo es una duda para comprender el porqué está esta configuración y el para que ese mod.
En comparación pongo otra diagrama donde solo están los de acople y no son seguidos por otro cap. Pero jiji también tengo que la duda de cómo afecta el tono si se quitan es decir debo tomar su capacitancia total sumándolos en serie ? Y tomar ese valor total como determinante en el paso de graves y medios?
Archivos adjuntos ( para descargar)
41992987-DA1A-41B1-852C-4EAD41E67B7D.png
Gaetan de Backer
por el 16/02/2022
Hola,

Me he leido el post pero al final no logro entender qué es lo que has hecho y que efectos ha tenido en la eliminación o no del ruido...
Tampoco entiendo si has seguido un orden lógico para localizar el (los) fallos que producen este ruido...

Así, a primera vista, tienes más de una avería ...
No has indicado si los ruidos los produce con el master al 0, primer paso para localizarlos.
Tampoco se entiende si has probado con otras válvulas, si varía con la ganancia,...
Se ha quemado una resistencia ?
Había un problema de alimentación de los calentadores de las válvulas de previo ...
Puede que esto haya dañado alguna válvula que antes diste por buena...

Muchos problemas veo yo. Te aconsejaría llevarla a un técnico porque, por lo que he entendido, algunas de tus actuaciones has provocado otros fallos ... En una reparación es conveniente seguir un orden y una lógica sino uno se puede perder.

De todas formas te deseo suerte !
Un saludo.
Carlosfv
por el 16/02/2022
#17
gracias por tu tiempo de lectura y paciencia . probablemente no me di ha entender biem ... intentamdo resumir todo
verifiqué desde la guitarra , la toma a tierra jasta la valvula v4 que cuando se retira deja de estar el ruido. ( seguiendo los pasos que me ha indicado Pedro ) honestamente para no estar abriendo y cerrando el amp. cambie de una vez las resistencia de anodo y el cap de v4 c10. al encender el amp el ruido parecia haber disminuido pero una vez que pase a modo pentodo ocurrio un chispazo entre r25 y r26 de v3 lo apague de inmediato. Cambié r25 , aparentemente todo estaba bien. Así que lo encendí de nuevo pero ahora no tiene volumen.

Este amplificador lo conseguí ya bastante intervenido y lo tomé con la iniciativa de aprender de sus tripas y llevando a stock de allí intentar mods y también entender como afectaban en el tono.

Luego conseguí otro igual pero totalmente stock incluso sus cables tienen brillo no se ven tostados.

Desde pues de este chispazo me puse a pensar en decisiones y decidí hacer de los dos amps uno funcional y totalmente a mi gusto. Así que tomé el chasis de uno en cual tengo instalado un transformador hammond un chockr y un cut control y poner la placa mejor conservada a esta solo le cambié los caps del stack de tono conservando su valor y los de acople para tener algo más de medios y graves.

La otra placa dañada no la voy a dejar arrumbada Voy a seguir intentando ponerla a andar y seguir aprendiendo.

Y ya con más conocimiento veo si cabe algo en ese chasis y que pueda armar.

Ha las válvulas las rote tres veces y las probé en otro amp y el pote de master lo saque de la placa y lo medí todo ok.

Aveces sonaba más al subir el gain y master a cero otras al revés otras no sonaba y de pronto aparecía abruptamente.
Los capacitores de acople son nuevos

Gracias nuevamente !!!

El técnico más cercano está a 4 horas en coche, le llamé y me dijo que mejor me recomendaba otro que si sabía de válvulas que está al doble de camino. Luego encontré a otro que me ha dado confianza solo esta a 4 en sentido contrario pero está saturado de trabajo pues no puede tener a personal en su taller por el COVID y está atendiendo de preferencia a sus clientes ya de tiempo .. así que jjji
Gaetan de Backer
por el 17/02/2022
Entiendo un poco mejor.
Esta bien para aprender, que nunca se deja de aprender cosas.

No sé donde estás, yo me dedico a reparar cacharros, estoy en Bizkaia, cerca de Bilbao.

Suerte !
Carlosfv
por el 17/02/2022
#19
Pues ando como a un día de viaje , jaja estoy en México. Bueno yo me dedicaba a café y cafeterías. Pero me dio un infarto cerebral y Por interés reprimido además de terapia le empecé a meter mano a mi guitarra que estaba la verdad olvidada y luego me conseguí este amp. Para practicar que ayuda mucho con la neuromotricidad., también para tratar como ocupación problemas derivados de ansiedad y depresión. Así que he arribado a esto algo tarde con tecnología bastante ya avanzada en algunos casos y con una formación académica más a las Áreas administrativas pero bueno para la única cosa a unos que debería hacérsele tarde sería para darse a no mismo la oportunidad de aprender. Así que en eso estamos saludos !!! Y todo el bien !!!
Nuevo post

Regístrate o para poder postear en este hilo