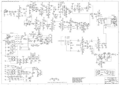
perdon me he colao la de control de etapa es la que falta..., V5,,, UPSSS
X
Últimos días
Problema con peavey 6505
OFERTAS Ver todas
-
-59%Hughes & Kettner Spirit AmpMan Classic
-
-17%Harley Benton DNAfx GiT Mobile II
-
-45%Hughes & Kettner Spirit of Rock
Por ahora para la etapa van ha seguir las JJ que trae de serie y ya cuando le toquen cambiar la mandare a unos técnicos que conozco de aquí para que las cambien, que me puedes recomendar me han hablado bien de las electro harmonix?
Al principio puse otra ecc83s para la v5 pero tengo varios amigos que me recomendaron que la cambiara por una inversora de fase que mejoraría mucho mas el sonido y la verdad es que el cambio fue a mejor jejeje.. mas limpio mas definido y algo mas comprimido para que no se desmadre nada.
Al principio puse otra ecc83s para la v5 pero tengo varios amigos que me recomendaron que la cambiara por una inversora de fase que mejoraría mucho mas el sonido y la verdad es que el cambio fue a mejor jejeje.. mas limpio mas definido y algo mas comprimido para que no se desmadre nada.
Las electro harmonix las probé con mi triple xxx y son muy limpias y afiladas vamos que en cuestión de agudos suenan bien, por ejemplo para el new metal o un sonido metal que se quiera definido sin guarrerías van bien. Lo del gusto con las válvulas depende un poco el tipo de sonido que te guste, a mi por ejemplo con el peavey xxx la mejor combinación que tuve para un sonido paf pero potente fue unas TAD EL34B-STR en etapa con ECC83 NOS de ultron en previos y en control de etapa una messa 12AX7GC SPAX. Luego para sonido metal limpio y muy marcado en graves unas electro harmonix 12AX7HE ( las Sovtek 12AX7LPS tambien van de coña) con la misma messa para control y en etapa unas RUBY 6L6GCMSTR, Tenía un sonido muy a lo Slash de black label society. Bua!!! luego tienes las EL83, las KT XX, las 6550, las 5881, las 800 y no empiezo con las series antiguas NOS o series especiales porque no cacabo...
Lo de la selección de válvulas es un mundo muy personal, el único consejo que puedo dar a priori es que las 12AX dan mas definición con saturaciones muy afiladas (para un canal limpio limpisimo son las mas adecuadas), las ECC son mas coloreadas y redondeadas, comprimen mucho mas la saturación, luego dentro de cada tipo están las series que te dan mas filo, compresión, saturaciones distintas. Y en etapa las 6L6 son muy lineales, dan volúmenes muy altos con buena definición y pegada y las EL34 son mas suaves y con un tono mas redondito, a estas no se las puede pedir mucho volumen sin enguarrar la distorsión si no le insertas algún previo que te de mas ganancia de volumen con algún rack o pedal.
Para resumir un poco... 12AX con 6L6 caña, ECC con EL34 rock bien saturado... depende de la señal de guitarra...
Esto de las válvulas es como lo de las comidas especiadas...
Bueno,,, un buen consejo, fíjate en los equipos de la peña que te gusta su sonido e investiga un poco lo que llevan, muchos tienen series especiales a medida en amplificadores y lo que se ve en los escenarios no es lo que realmente suena pero te pueden dar una buena idea para una buena configuración, no te fies de amplis con mucha tralla porque una válvula cuando mejor suena es cuando está a punto de empezar a sonar mal... y otra cosa mas, una buena guitarra es el 80% de un buen sonido, de poco te sirve un ampli de 3000€ si tienes una guitarra de 600€ y unos pedales de 20€.l.
Suerte con la odisea, si tienes problemas para encontrar algo o resolver alguna duda con el tipo de sonido que buscas... me cuentas lo que quieres usar y te aconsejaré en lo que pueda...
Un saludo.
Lo de la selección de válvulas es un mundo muy personal, el único consejo que puedo dar a priori es que las 12AX dan mas definición con saturaciones muy afiladas (para un canal limpio limpisimo son las mas adecuadas), las ECC son mas coloreadas y redondeadas, comprimen mucho mas la saturación, luego dentro de cada tipo están las series que te dan mas filo, compresión, saturaciones distintas. Y en etapa las 6L6 son muy lineales, dan volúmenes muy altos con buena definición y pegada y las EL34 son mas suaves y con un tono mas redondito, a estas no se las puede pedir mucho volumen sin enguarrar la distorsión si no le insertas algún previo que te de mas ganancia de volumen con algún rack o pedal.
Para resumir un poco... 12AX con 6L6 caña, ECC con EL34 rock bien saturado... depende de la señal de guitarra...
Esto de las válvulas es como lo de las comidas especiadas...
Bueno,,, un buen consejo, fíjate en los equipos de la peña que te gusta su sonido e investiga un poco lo que llevan, muchos tienen series especiales a medida en amplificadores y lo que se ve en los escenarios no es lo que realmente suena pero te pueden dar una buena idea para una buena configuración, no te fies de amplis con mucha tralla porque una válvula cuando mejor suena es cuando está a punto de empezar a sonar mal... y otra cosa mas, una buena guitarra es el 80% de un buen sonido, de poco te sirve un ampli de 3000€ si tienes una guitarra de 600€ y unos pedales de 20€.l.
Suerte con la odisea, si tienes problemas para encontrar algo o resolver alguna duda con el tipo de sonido que buscas... me cuentas lo que quieres usar y te aconsejaré en lo que pueda...
Un saludo.
Muchas gracias por la aclaración en cuanto a válvulas, me suelo decantar por sonidos densos con un grano de distorsión que cubra bastante pero sin llegar a guarrear mucho la señal solo un poquito jejeje... no me gustan los sonidos demasiado afilados ni agudos.
Pedales uso pocos solo un decimator y un maxon 808 para darle un poco de empuje al canal cruch que es donde suelo tocar, el lead me parece demasiado afilado.
Por el tema de guitarras no tengo nada espectacular para los dos proyectos que estoy ahora mismo, una Gibson flying v para un proyecto de grindcore y una Jackson cow para otro de death mas clásico.
Pedales uso pocos solo un decimator y un maxon 808 para darle un poco de empuje al canal cruch que es donde suelo tocar, el lead me parece demasiado afilado.
Por el tema de guitarras no tengo nada espectacular para los dos proyectos que estoy ahora mismo, una Gibson flying v para un proyecto de grindcore y una Jackson cow para otro de death mas clásico.
Hola buenas! Este hilo es ya antiguo pero veo que quizas pueda resolver una pequeña duda.Tengo el peavey 6505 plus que lleva la siguiente configuracion de valvulas.La duda es si cambiando el orden si es posible de alguna de ellas se podria suavizar el canal limpio algo mas.Por lo que veo en algun comentario v1 es la que se encarga del sonido limpio.Muchas gracias de antemano.
v4 mullard amarilla ecc81
v5 electro harmonix
v3 jj ecc83
v2 RFT
v1 beijing
v6 GE 112ax7a
v4 mullard amarilla ecc81
v5 electro harmonix
v3 jj ecc83
v2 RFT
v1 beijing
v6 GE 112ax7a
Nuevo post
Regístrate o identifícate para poder postear en este hilo
