Hola que tal gente del foro, les queria pedir una ayuda en cuanto a este tema, como haria para hacer eso que dice el titulo, tengo una ibanez grg270 y quiero que la pastilla del centro ya no suene, para quitarla y solo dejarla en formato H-H, pero dejar el selector asi como esta, la pastilla central haria la funcion de un killswitch? Un saludo
X
Últimos días
Pasar de formato H-S-H a H-H (2 humbuckers)
OFERTAS Ver todas
-
-20%IK Multimedia ToneX One Joe Satriani Ltd Ed.
-
-11%Harley Benton HBD120CEBK Bundle
-
-37%IK Multimedia ToneX One
A ver si te he entendido bien. ¿Quieres saber qué pasa si desconectas la pastilla del centro? Pues justamente eso, que la pastilla no sonará. Pero debes saber que en posiciones 2 y 4 del selector de pastillas tu guitarra hace "auto-split" (supongo, como casi todas), lo que significa que anula una de las dos bobinas de las "humbuckers".
Si desconectas la central, te quedaría esto:
Posición 1: Humbucker del puente
Posición 2: sinlgle coil del puente (la humbucker con una bobina anulada)
Posición 3: silencio
Posición 4: sinlgle coil del mástil (la humbucker con una bobina anulada)
Posición 5: humbucker del mástil.
Si desconectas la central, te quedaría esto:
Posición 1: Humbucker del puente
Posición 2: sinlgle coil del puente (la humbucker con una bobina anulada)
Posición 3: silencio
Posición 4: sinlgle coil del mástil (la humbucker con una bobina anulada)
Posición 5: humbucker del mástil.
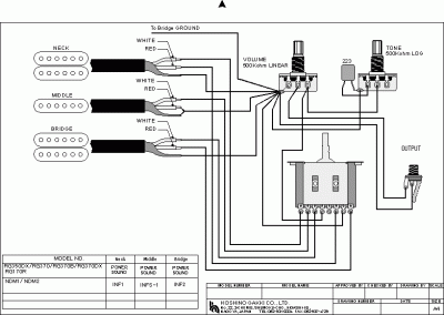
Pues antes de responder miré en la página de Ibanez y no aparecía la 270. Pero la GIO GRG250 sí que hace "auto-split" según la página:
http://www.ibanez.co.jp/products/eg_page15.php?year=2015&area_id=3&cat_id=1&series_id=9&data_id=191&color=CL01
Y también lo hace la 170. Por eso supongo que la GRG250 también lo hará.
http://www.ibanez.co.jp/products/eg_page15.php?year=2015&area_id=3&cat_id=1&series_id=9&data_id=191&color=CL01
Y también lo hace la 170. Por eso supongo que la GRG250 también lo hará.
Según el esquema lo hacen... luego montan pastillas de 2 cables y teóricamente el autosplit es porque la polaridad de la simple anula el sonido de una bobina... no se yo
pero nunca he entendido el por qué de esos esquemas de ibanez porque luego difieren de la realidad, pero vaya... que no es lo más común.
De todas formas si fuera así pues mejor incluso.. gana 2 posiciones no esperadas
pero nunca he entendido el por qué de esos esquemas de ibanez porque luego difieren de la realidad, pero vaya... que no es lo más común.De todas formas si fuera así pues mejor incluso.. gana 2 posiciones no esperadas
Bien, gracias por las respuestas jaja, pasa que tengo 2 violas (incluyendo esa) y ahora quiero saber como unir la del mastil y la del puente?
Quisiera tener esto:
pos1: humbucker mastil
pos2: single mastil
pos3: humbucker (mastil + puente)
pos4: single puente
pos5: humb puente!
Que habria que hacer? Se algo de electronica pero tengo esa duda!
Quisiera tener esto:
pos1: humbucker mastil
pos2: single mastil
pos3: humbucker (mastil + puente)
pos4: single puente
pos5: humb puente!
Que habria que hacer? Se algo de electronica pero tengo esa duda!
para que suenen mástil y puente a la vez tienes que añadir un switch. Tendrías que poner:
- un puente desde el selector al switch, en la pastilla de mástil o puente, daría igual... de cara a tener la pastilla cableada al selector, para sus posiciones naturales... y tenerla también en el switch
- un puente desde el switch a la entrada del pote, junto con el cable que viene ahora mismo desde el switch.
Dependiendo como sea el switch ya se usarían unas u otras patillas...
Ganarías 2 posiciones, puente y mástil y las 3 pastillas a la vez... si por ejemplo tiras el puente desde la pastilla de mástil, con el selector en puente y el switch activado, endrías puente y mástil... y en la posición 2, puente y medio, activas el switch y sonarían las 3
- un puente desde el selector al switch, en la pastilla de mástil o puente, daría igual... de cara a tener la pastilla cableada al selector, para sus posiciones naturales... y tenerla también en el switch
- un puente desde el switch a la entrada del pote, junto con el cable que viene ahora mismo desde el switch.
Dependiendo como sea el switch ya se usarían unas u otras patillas...
Ganarías 2 posiciones, puente y mástil y las 3 pastillas a la vez... si por ejemplo tiras el puente desde la pastilla de mástil, con el selector en puente y el switch activado, endrías puente y mástil... y en la posición 2, puente y medio, activas el switch y sonarían las 3
Entendido! Pero hay alguna forma de hacerlo sin agregar un switch? Cabe recordar que solo estoy usando 2 pastillas (mastil y puente) la del medio la quite hace mucho, asi que por eso pregunto si se puede hacer sin agregar switch o es ley, actualmente la posicion central hace de killswitch pero quiero reemplazarla por mastil+puente. Hay algun post mas completo sobre este tipo de modificaciones por el foro? Gracias de antemano loco!
¿Al final las Humbucker eran de 4 hilos o de 2?
Si fuesen de 4 hilos se podría hacer lo que quieres. Si son de dos hilos... Habría que abrir las pastillas para acceder al contacto que falta y eso ya es arriesgado porque puedes cargarte la pastilla. Pero si son de 4 hilos deberías encontrar el esquema sin problemas.
Si fuesen de 4 hilos se podría hacer lo que quieres. Si son de dos hilos... Habría que abrir las pastillas para acceder al contacto que falta y eso ya es arriesgado porque puedes cargarte la pastilla. Pero si son de 4 hilos deberías encontrar el esquema sin problemas.
Nuevo post
Regístrate o identifícate para poder postear en este hilo

