Marshal TSL 602 (JCM 2000) quema el fusible

  • 1
ignatus
por el 15/11/2018
Buenas foreros.

Pues tengo ese problema con mi Marshal tsl 602.
Le cambio el fusible de 1,6 amperios y al darle al interruptor de encendido lo quema automaticamente.

Ub saludo.
OFERTAS EN TIENDAS Ver todas
  • -45%
    Hughes & Kettner Spirit of Rock
    48 €
    Ver oferta
  • -24%
    Mooer GTRS Soloist 810 Purple Burst
    507 €
    Ver oferta
  • -13%
    Harley Benton DNAfx GiT
    129 €
    Ver oferta
SEGUNDA MANO EN MERCASONIC Ver todo
  • Boss OD-2 Turbo Overdrive
    95 €
    Ver
  • Fuente de alimentación 9.6 v - 120 v
    5 €
    Ver
  • Pedal de expresión Electro-Harmonix para efectos de guitarra
    45 €
    Ver
¿Tienes equipo que ya no usas? Véndelo en Mercasonic
Tonyguitar
por el 18/11/2018
Tiene pinta de ser un condensador de los que hay en la entrada, esos grandes que hay despues del puente rectificador.

Seguramente esten descargados, pero descargalos antes de meter el ohmimetro para no romperlo.

Cuando los midas, mira si hay alguno en cortocircuito.
ignatus
por el 18/11/2018
Muchas gracias ToniGT.
He abierto la placa y me he encontrado con que están quemados los condensadores pequeños de lenteja que están al lado de los grandes que comentas.
Los grandes parecen estar bien pero no los he medido.
Archivos adjuntos ( para descargar)
20181116_121354.jpg
ignatus
por el 18/11/2018
Aquí otra foto donde se ven los grandes
Archivos adjuntos ( para descargar)
20181116_120057.jpg
Tonyguitar
por el 18/11/2018
Igual los pequeños ceramicos estan en corto, hay que mirar el esquema y ver como esta todo eso conectado, parece ser eso que yo te decia, habra que ver de ahi lo que esta haciendo el corto, seguramente uno de esos condensadores que estan en paralelo.
The Revenant Baneado
por el 18/11/2018
Hay que mirar el esquema, parece que son los diodos y no el condensador... Si no estoy equivocado ese condensador no debería dar problemas aun estando en corto.

Pero no conozco bien ese amplificador.... ante la duda mejor llevarlo a un técnico ya que que se haya quemado ese puente de diodos puede ser solo el síntoma de otra avería.
ignatus
por el 18/11/2018
Muchas gracias compañeros.

Creo que intentaré cambiar los 4 condensadores pequeños y los 4 diodos cuando tenga tiempo y los consiga y ya os iré contando.
Tonyguitar
por el 18/11/2018
Los diodos de la fuente cuando se rompen y hacen corto hay mas cosas como condensador en corto de los que van en paralelo, pero deberia saltae el fusible antes, hablo de lo que yo hevisto, imagino que habra mas casos.
The Revenant Baneado
por el 18/11/2018
Sí, correcto, lo que me refiero es que el origen del estropicio que se ve en la imagen seguramente viene del diodo.

Cambiar los diodos y esos condensadores es muy barato.
Tonyguitar
por el 18/11/2018
"The Revenant" escribió:
Sí, correcto, lo que me refiero es que el origen del estropicio que se ve en la imagen seguramente viene del diodo.

Cambiar los diodos y esos condensadores es muy barato.

Claro, socio, :brindis:


---------------------------

Tio, estoy viendo esta foto, estuve fuera de casa y no veia nada en el movil, aqui en el pc si que veo:
index.php?controller=forum&action=view_attachment&attachment_id=118319

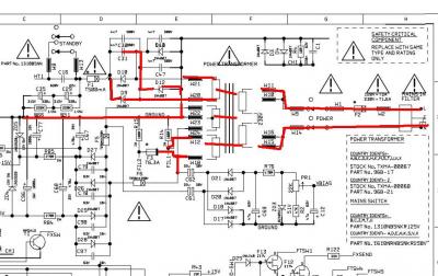
yo mediria continuidad entre las patas de ese condensador, si da cero ohmios tienes ahi el cortocircuito, yo no se si ese ceramico esta en serie para el filtrado o esta haciendo otra cosa, imagino que sera para despues del rizado de alimentacion, a veces se ponen varios en paralelo y incluso alguno de 10nF y estos ceramicos que son baratos se pueden usar para este tipo de cosas que no requieren orange droop ni mkp.

te paso el schematic:
https://www.thetubestore.com/lib/thetubestore/schematics/Marshall/Marshall-JCM2000-TSL60-60W-Schematic.pdf

Yo creo que sabiendo un poco de electricidad y teniendo conocimientos basicos de electronica, sin ser ningun figura lo podrias arreglar, lo primero es
identificar cual es el fusible que se te jode y identificarlo en el esquema y marcarlo para saber que zona alimenta ese fusible y eso te acerca al lugar del corto.

Lo segundo seria reemplazar el fusible y poner una lampara de 100w en serie con la alimentacion del amplificador, osea, intercalar en los 220v del schuco del ampli a traves de un par de regletas o lo que quieras un portalamparas con una incandescente de 60w por lo menos.


Ponerlo en marcha el ampli con la lampara en serie conectada, si hay cortocircuito en el ampli te vas a bornas de la lampara y mides voltaje, te dara 230v, eso significa que hay un corto.


Lo siguiente que yo haria es desconectar por ejemplo la alimentacion del amplificador de uno de los secundarios, lleva 3 creo, uno para el bias, otro para el circuito, anodos etc y el otro para los filamentos, el que yo no desconectaria nunca es el que alimenta el bias, el de los filamentos tampoco, yo desconectaria el que alimenta el circuito, es el que tiene mayor voltaje, este puede tener unos 450v o asi creo.

Si al desconectar este cuando pones el ampli en marcha con la lampara en serie se te enciende la lampara a la mitad y tienes en la lampara un consusmo de por ejemplo 180v o menos ya sabes que la averia la tienes en la linea que has desconectado del secundario.




Pero mucho antes de hacer esto que te digo, yo hubiese probado a medir continuidad con el ohmimetro en bornas de ese secundario, y si tienes cero ohmios entonces ya sabes que tienes un corto.


Te aviso que si no saes lo que haces o no tienes cierta practica mejor que no lo hagas por que te puedes llevar una descarga electrica, sobre todo en el secundario que te digo que es donde hay mayor voltaje.
Archivos adjuntos ( para descargar)
puta.jpg
ignatus
por el 21/11/2018
Bueno compañeros, el ampli ya funciona.
Era el condensador que se veía quemado. Estaba en corto. Aunque cambie ese condensador y el de al lado y los dos diodos de entre medias.
Muchas gracias por los consejos y el esquema.
Saludos.
Archivos adjuntos ( para descargar)
20181121_160312.jpg
20181121_160356.jpg
20181121_121814.jpg
The Revenant Baneado
por el 21/11/2018
Genial que lo hayas solucionado. Hubiera jurado que ese condensador era de los que se ponen sobre los diodos de rectificación y que no afectaba el que estuviera abierto.

Si no te da más problemas perfecto y a seguir tocando.
Nuevo post

Regístrate o para poder postear en este hilo