Buenas tardes.
A ver si algun experto me hecha una mano en esto.
Buscando por el foro, encontré el hilo de Dr. Maligno sobre loop de efectos para cualquier ampli " https://www.guitarristas.info/foros/loop-fx-para-cualquier-amplificador/94022 "
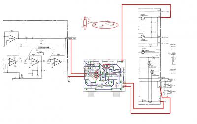
Yo tengo un ampli antiguo, mas o menos del '79, que es el Yamaha G100 212 II, tengo los esquemas y a ver si alguien me puede decir donde lo integraria, si al "Out Put 0 de la placa PA1" o al " A0 de la placa PA2 ", pero tampoco tengo claro si serviria para mi ampli.
Un saludo y graciasss
PD: la placa de preamplificación creo que es la PA1 de abajo y la de potencia es la MA junto a la DC
A ver si algun experto me hecha una mano en esto.
Buscando por el foro, encontré el hilo de Dr. Maligno sobre loop de efectos para cualquier ampli " https://www.guitarristas.info/foros/loop-fx-para-cualquier-amplificador/94022 "
Yo tengo un ampli antiguo, mas o menos del '79, que es el Yamaha G100 212 II, tengo los esquemas y a ver si alguien me puede decir donde lo integraria, si al "Out Put 0 de la placa PA1" o al " A0 de la placa PA2 ", pero tampoco tengo claro si serviria para mi ampli.
Un saludo y graciasss
PD: la placa de preamplificación creo que es la PA1 de abajo y la de potencia es la MA junto a la DC
Responder
Citar
