gracias por la respuesta despista2,
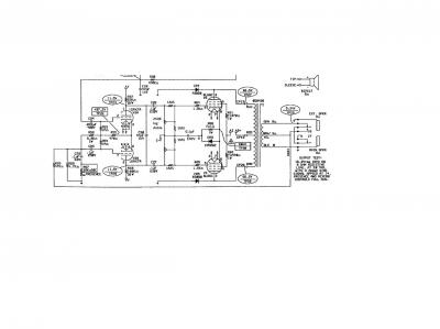
entoces,¿ no hace falta quitar R59 y R60? ¿se puede montar tal y como he puesto en el esquema?
me queda clarisimo los las resistencias de 62K (te agradezco la puntualización, lo tendré en cuenta), yel pote dual ha de ser de 1M o puede ser de 500K???
y dices que con toda esta instalación, aun con el volumen del master al 100% perderé mas o menos un 22% de nivel de señal???
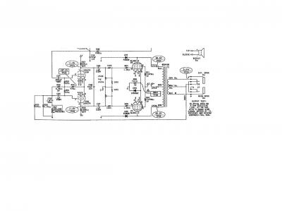
entoces,¿ no hace falta quitar R59 y R60? ¿se puede montar tal y como he puesto en el esquema?
me queda clarisimo los las resistencias de 62K (te agradezco la puntualización, lo tendré en cuenta), yel pote dual ha de ser de 1M o puede ser de 500K???
y dices que con toda esta instalación, aun con el volumen del master al 100% perderé mas o menos un 22% de nivel de señal???
Responder
Citar


