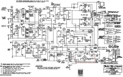
Averiguao, ya tengo el esquema!!! manda huevos, que los esquemas del twin rever que me encontraba tenian todos los diodos en serie y el mio lleva un puente de hertz.
Es cojonudo que medi los condensadores estos y no me di cuenta que habia uno cortocircuitado, es exactamente el que he puesto en un circulo rojo, esto era lo que me quemaba los diodos de la fuente de alimentacion y me hacia saltar los fusibles.
De momento para probar hasta que vaya a comprar material he puesto un condensador provisional de 47uf, pues de 220uf no tengo ninguno de los grandes con esas tensiones de perforacion, los ponen bastante justos, yo creo que ni llegaba el que habia a los 450v y al puente de diodos le puse un par de 1n4007 para probar, los voy a sustituir por otros de 10A, voy a probarlo a ver si no revienta.
Es cojonudo que medi los condensadores estos y no me di cuenta que habia uno cortocircuitado, es exactamente el que he puesto en un circulo rojo, esto era lo que me quemaba los diodos de la fuente de alimentacion y me hacia saltar los fusibles.
De momento para probar hasta que vaya a comprar material he puesto un condensador provisional de 47uf, pues de 220uf no tengo ninguno de los grandes con esas tensiones de perforacion, los ponen bastante justos, yo creo que ni llegaba el que habia a los 450v y al puente de diodos le puse un par de 1n4007 para probar, los voy a sustituir por otros de 10A, voy a probarlo a ver si no revienta.
Responder
Citar
