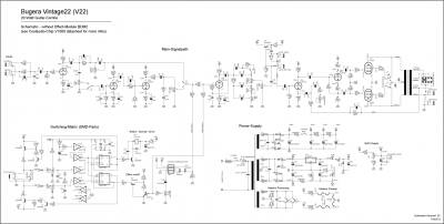
Bueno pues la idea es la siguiente, el booster que lleva el V22 de origen no me gusta demasiado ya que lo que hace es modificar el tono, para que sobresalga algo más la guitarra.
La idea era modificar la R33 del triodo V2B de 2,2M de realimentación un poco, muy poco lo justo para darle un poco más de ganancia en el momento necesario, a través de un pedal exterior, para luego dejarla con 2,2M.
Se que esta etapa es un tanto especial porque si no me equivoco y si no por favor corregidme, se encarga de adaptar la impedancia entre la etapa de previo y la de tonos, mi duda es si este triodo con este montaje tan peculiar permite esta modificación sin verse afectada la impedancia de esta etapa.
Hay que tener en cuenta que esta etapa afecta al canal limpio y al de distorsión.
Se que si vario un poco la ganancia en esta esta se vera afectada en su totalidad, pero al ser tan poco lo que necesitamos para boostear en los solos, quizás no sea demasiado acusado.
He efectuado un pequeña simulación con el programa MULTISIM y parece que funciona pero haber que opina la gente que entiende de válvulas, Phakkito , Ikazategui, etc.
Os dejo un pequeño esquema de la etapa implicada para que podáis valorar.
No se si lo podéis ver correctamente.
La idea era modificar la R33 del triodo V2B de 2,2M de realimentación un poco, muy poco lo justo para darle un poco más de ganancia en el momento necesario, a través de un pedal exterior, para luego dejarla con 2,2M.
Se que esta etapa es un tanto especial porque si no me equivoco y si no por favor corregidme, se encarga de adaptar la impedancia entre la etapa de previo y la de tonos, mi duda es si este triodo con este montaje tan peculiar permite esta modificación sin verse afectada la impedancia de esta etapa.
Hay que tener en cuenta que esta etapa afecta al canal limpio y al de distorsión.
Se que si vario un poco la ganancia en esta esta se vera afectada en su totalidad, pero al ser tan poco lo que necesitamos para boostear en los solos, quizás no sea demasiado acusado.
He efectuado un pequeña simulación con el programa MULTISIM y parece que funciona pero haber que opina la gente que entiende de válvulas, Phakkito , Ikazategui, etc.
Os dejo un pequeño esquema de la etapa implicada para que podáis valorar.
No se si lo podéis ver correctamente.
Responder
Citar
