Ayuda con cableado telecaster normal.

NACHO
por el 05/06/2017
Hola a todos. tengo una Telecaster Modern Player con 3 pastillas y selector de 5 posiciones.
Quiero hacerla "menos modern" y prescindir de la pastilla central y dejar solo mástil y puente.

He comprado un selector de 3 posiciones (adjunto foto)

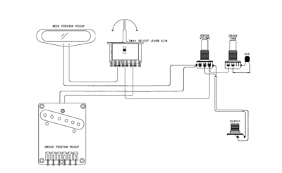
También os pongo una foto de como está el cableado ahora.
Archivos adjuntos ( para descargar)
black-3-way-switch-pickup-selector-for-fender-telecaster-tele.jpg
ControlBoard.jpg
OFERTAS EN TIENDAS Ver todas
  • -24%
    Mooer GTRS Soloist 810 Purple Burst
    507 €
    Ver oferta
  • -15%
    Darkglass Microtubes X
    199 €
    Ver oferta
  • -16%
    NUX NGS-6 Amp Academy
    159 €
    Ver oferta
SEGUNDA MANO EN MERCASONIC Ver todo
  • Tokai LS198S Gold Top P90
    1.600 €
    Ver
  • Guitarra para zurdos Dowina. Serie Vintage Cabernet. Modelo Bonavida
    700 €
    Ver
  • Keeley Neutrino V1 2010s White
    110 €
    Ver
¿Tienes equipo que ya no usas? Véndelo en Mercasonic
NACHO
por el 05/06/2017
Sería esto verdad?
Archivos adjuntos ( para descargar)
109026__3 way switch.JPG
NACHO
por el 05/06/2017
Sigo investigando y parece que si es el esquema. ¿Alguna experiencia con estos switches?
Archivos adjuntos ( para descargar)
8contacts.png
despista2
por el 05/06/2017
Sí, es correcto, pero... Es la de humbucker en puente, o single coil?
despista2
por el 05/06/2017
Bueno... He dicho muy pronto lo de correcto, en realidad es justo al revés: tienes que cablear las pastillas justo al revés de lo que la lógica (o ese dibujo) parecen indicar; de lo contrario, en la posición 1 seleccionarías mástil y en la 3 puente.
Paco
por el 05/06/2017
El comentario de despista2 parece acertado. Estoy con él en lo de que está al revés.

Yo tengo una Pacifica Mike Stern, creo que lleva un switch de esos. Si te lías avísame y te mando fotos. Pero vamos, creo que no tienes pérdida.
despista2
por el 05/06/2017
En cuanto a la pregunta que te he hecho antes, no es algo baladí: si la guitarra es en configuración S-S-S, al eliminar la central te quedas çon dos single de la misma polaridad magnética; y en la posición 2, no sólo no cancelarías el hum, sino que lo reforzarías. Si son de imán cerámico (al menos una de ellas) la solución es relativamente fácil: se le despega el imán de la base de una de ellas y se vuelve a pegar dándole la vuelta, para que la cara que quedaba arriba, ahora quede abajo. Si es de alnico, es algo más complicado: habría que sacar las piezas polares una a una, y volver a montarlas dándoles la vuelta.
Paco
por el 05/06/2017
#7 En ese caso yo casi apostaría por poner la central en el puente y quitar la del puente. Así ya no habría problema.
Pero sí, toda la razón.
despista2
por el 05/06/2017
#8
No creo que se pueda. No he tenido en mis manos una de esas, pero si es la S-S-S, la pastilla de puente será seguramente tipo telecaster, que lleva el espaciado más largo al ir montada en diagonal, y se monta con 3 tornillos en lugar de 2.
NACHO
por el 05/06/2017
La guitarra es esta. La del puente es humbucker. No tendría que tener problemas no? Quiero quitar la central,poner golpeador nuevo y dejar la single del mástil y la humbucker de puente.
Archivos adjuntos ( para descargar)
6841971.jpg
20170417_200204.jpg
20170417_200353.jpg
20170421_180535.jpg
despista2
por el 05/06/2017
#10
En ese caso no hay problema. Seguramente habrá un pequeño contratiempo al accionar el switch de split coil en la posición que combina las dos pastillas, ya que estará pensado para combinarla con la central... En ese caso, no tendrías cancelación de hum, pero la solución es tan simple como pasar el cable rojo de la pastilla junto con el rojo que va al selector, al terminal de la derecha; y tirar un cable desde masa al terminal donde están ahora esos dos cables.
NACHO
por el 05/06/2017
despista2 escribió:
asar el cable rojo de la pastilla junto con el rojo que va al selector, al terminal de la derecha; y tirar un cable desde masa al terminal donde están ahora esos dos cables.


Muchas gracias compañero. A ver cuando me vea en plena faena si me entero de esto, que soy un poco paquete y me he quedado descolocado ja ja.
Nuevo post

Regístrate o para poder postear en este hilo